0
ETI    SIEMENS    ABB    WIKA    IFM    ELKO EP    HYUNDAI    VEGA    KSR KUEBLER    Johnson Controls    Siemens IA/DT (CA01)    Bosch Rexroth    Alfa Laval    SICK    Others  

TR10-SRU10P

Код: 6054763
Связатся с нами: 067 285 7770

В корзину

Показать всё Скрыть всё

  • Характеристики
    Принцип работы датчикаТранспондер
    Количество безопасных выходов2
    КодированиеОднозначно закодированный
    Удерживающее усилие Fmax1.690 N (EN ISO 14119)
    Удерживающее усилие FZh1.300 N (EN ISO 14119)
    Направления включения4
    Скорость запуска≥ 2 mm/s
  • Параметры техники безопасности
    Класс надежностиSIL3 (IEC 61508)
    КатегорияКатегория 4 (EN ISO 13849)
    Уровень производительностиPL e (EN ISO 13849)
    PFHd (средняя вероятность опасного отказа в час)9,1 x 10-10 (EN ISO 13849)
    TM (заданная продолжительность работы)20 лет (EN ISO 13849)
    Тип конструкцииТип конструкции 4 (EN ISO 14119)
    Степень кодирования пускателяВысокая степень кодирования (EN ISO 14119)
    Безопасное состояние в случае возникновения ошибкиКак минимум один полупроводниковый выход безопасности (OSSD) находится в состоянии AUS (ВЫКЛ.).
  • Функции
    Каскадное подключение
  • Интерфейсы
    Тип подключенияКабель
    Длина кабеля10 m
    Материал кабеляПВХ
    Длина кабеля подключения≤ 200 m
  • Электрические данные
    Класс защитыII (IEC 61140)
    Степень загрязнения3
    Классификация по cULusКласс 2
    Категория потребленияDC-13 (IEC 60947-5-1)
    Расчетный рабочий ток (расчетное рабочее напряжение)200 mA (24 V DC)
    Расчетное напряжение на изоляции Ui75 V
    Максимально допустимое импульсное напряжение Uimp1.000 V
    Напряжение питания UV24 V DC (20,4 V DC ... 26,4 V DC)
    Тип выходаПолупроводниковый выход (OSSD)
    Выходной ток≤ 200 mA
    Пиковый ток400 mA, 100 ms 1)
    Потребляемая мощность2,5 W
    Оценка100 мс для первого выключателя, 50 мс для каждого следующего выключателя 2)
    Время разблокировки600 ms
    Время риска100 ms
    Задержка включения7 s
    Принцип запиранияПринцип нормально замкнутой цепи
    • 1) При включении, блокировке и разблокировке.
    • 2) Время до выключения выходов.
  • Механические данные
    Вес0,4 kg
    Материал корпусаABS
    Материал запирающего пальцаНержавеющая сталь 304
    Срок службы механических компонентов5 x 105 циклов срабатывания
  • Данные окружающей среды
    Тип защиты

    IP66 (IEC 60529)

    IP67 (IEC 60529)

    IP69K (IEC 60529)

    Диапазон рабочих температур0 °C ... +55 °C
    Температура хранения–25 °C ... +75 °C
    Виброустойчивость10 Hz ... 55 Hz (IEC 60068-2-6)
    Ударопрочность30 g, 11 ms (EN 60068-2-27)
    ЭМСIEC 60947-5-3
  • Классификации
    ECl@ss 5.027272603
    ECl@ss 5.1.427272603
    ECl@ss 6.027272603
    ECl@ss 6.227272603
    ECl@ss 7.027272603
    ECl@ss 8.027272603
    ECl@ss 8.127272603
    ECl@ss 9.027272603
    ETIM 5.0EC002593
    ETIM 6.0EC002593
    UNSPSC 16.090139122205
Показать всё Скрыть всё

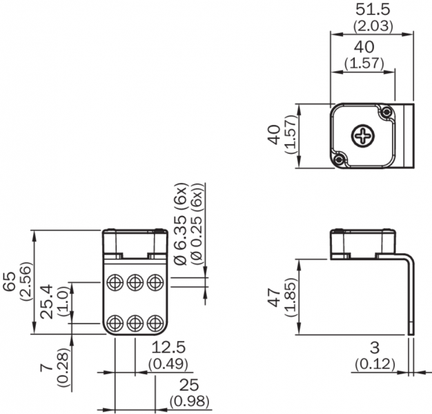
Технические чертежи

Габаритный чертеж Датчик с кабелем Габаритный чертеж Пускатель и крепежный уголок Схема соединений Последовательное подключение с помощью тройника (без диагностики) Пример схемы подключения Защитное запирающее устройство TR10 Lock с защитным реле UE48-2OS Пример схемы подключения Три последовательно подключенных защитных запирающих устройства TR10 Lock на контроллере безопасности Flexi Classic Вид: Галерея Список Показать всё Скрыть всё
Показать всё Скрыть всё