0
ETI    SIEMENS    ABB    WIKA    IFM    ELKO EP    HYUNDAI    VEGA    KSR KUEBLER    Johnson Controls    Siemens IA/DT (CA01)    Bosch Rexroth    Alfa Laval    SICK    Others  

TMS88A-PKC360

Код: 1073798
Связатся с нами: 067 285 7770

В корзину

Показать всё Скрыть всё

  • Производительность
    Количество осей1
    Диапазон измерения360°
    Разрешение0,01°
    ТочностьTyp. ± 0,04°, max. ± 0,12°
    Температурный коэффициент (нулевая точка)Typ. +0,0088°/K, –0,0102°/K 1)
    Предельная частота0,1 Hz ... 25 Hz, 8-й порядок (с цифровым фильтром)
    Скорость считывания100 Hz
    Время инициализации330 ms
    • 1) Относительно эталонной температуры 25 °C.
  • Интерфейсы
    Электрический интерфейс4…20 мА, линеариз.
    Сопротивление нагрузки макс.850 Ω 1)
    Данные параметрированияДиапазон измерения, Нулевая точка, Предельная частота, Заданное значение, Инверсия направления отсчета, Присвоение осей, Свободно настраиваемый выход
    Программируемый/параметрируемыйЧерез PGT-12-Pro
    • 1) При Us = 24 В.
  • Электрические данные
    Электрический интерфейс4…20 мА, линеариз.
    Вид подключенияРазъем M12, 5-конт.
    Диапазон рабочего напряжения17 V DC ... 35 V DC
    Потребление тока40 mA @ 24 V + Iloop
    Защита от инверсии полярности
    Стойкость выходов при коротких замыканиях
    MTTFd: время до опасного выхода из строя301 лет (EN ISO 13849-1) 1)
    • 1) Данный продукт является стандартным изделием, а не предохранительным устройством, в соответствии с директивой по машиностроению. Расчет на основе номинальной нагрузки компонентов, средней температуры окружающей среды 40 °C, частота применения 8760 ч./год. Все выходы из строя электрических систем рассматриваются как опасные выходы из строя. Более подробная информация приведена в документе № 8015532.
  • Механические данные
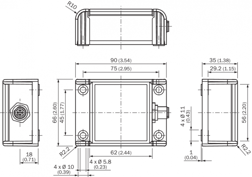
    Габариты66 mm x 90 mm x 36 mm
    Масса200 g
    Материал, корпусКонструкционный пластик (ПБТ)
  • Данные окружающей среды
    ЭМСEN 61326-1, EN ISO 14982, EN ISO 13309
    Тип защитыIP65/IP67 (согласно IEC 60529)
    Диапазон рабочей температуры–40 °C ... +80 °C
    Диапазон температуры при хранении–40 °C ... +85 °C
    Ударопрочность100 g, 6 ms (согласно EN 60068-2-27)
    Вибростойкость10 g, 10 Hz ... 2.000 Hz (согласно EN 60068-2-6)
  • Классификации
    ECl@ss 5.027270790
    ECl@ss 5.1.427270790
    ECl@ss 6.027270790
    ECl@ss 6.227270790
    ECl@ss 7.027270790
    ECl@ss 8.027270790
    ECl@ss 8.127270790
    ECl@ss 9.027270790
    ETIM 5.0EC001852
    ETIM 6.0EC001852
    UNSPSC 16.090141111613
Показать всё Скрыть всё

Технические чертежи

TMx88x-PxC Схема контактов Вид: Галерея Список Показать всё Скрыть всё
Показать всё Скрыть всё