0
ETI    SIEMENS    ABB    WIKA    IFM    ELKO EP    HYUNDAI    VEGA    KSR KUEBLER    Johnson Controls    Siemens IA/DT (CA01)    Bosch Rexroth    Alfa Laval    SICK    Others  

TIM361S-2134101

Код: 1090608
Связатся с нами: 067 285 7770

В корзину

Показать всё Скрыть всё

  • Характеристики
    Область примененияIndoor
    Источник светаИнфракрасный (850 nm)
    Класс лазера1 (IEC 60825-1:2014, EN 60825-1:2014)
    Угол раскрытия270°
    Частота сканирования15 Hz
    Угловое разрешение0,33°
    Рабочая область0,05 m ... 10 m (при коэффициенте диффузного отражения > 50 %)
    Рабочий диапазон, ориентированный на решение задач техники безопасности0,05 m ... 4 m (при коэффициенте диффузного отражения 5 %)
    Слепая зона0 m ... 0,05 m
  • Параметры техники безопасности
    КатегорияB (EN ISO 13849-1:2015)
    Уровень производительностиPL b (EN ISO 13849-1:2015)
    MTTFD (средняя наработка до отказа, вызывающего опасное состояние)100 лет
    TM (заданная продолжительность работы)10 лет (EN ISO 13849-1:2015)
  • Производительность
    Оценка

    1 сканирование, typ. 67 ms

    2 сканирования, ≤ 134 ms

    Встроенное приложениеАнализ защитных полей с гибкими полями
    Допуск защитного поля100 mm, 0,66° (DIN CLC/TS 62046:2009, при коэффициенте диффузного отражения 5 %)
    Количество полей16 Блоки полей (48 защитных полей)
    Одновременная обработка случаев3 совместных защитных поля (на каждый блок полей)
  • Интерфейсы
    USB
    ПримечаниеMicro-USB
    ФункцияAUX, Настройка
    Переключающие входы4 (PNP, для переключения блоков полей)
    Переключающие выходы3 (PNP, для индикации нарушения защитного поля, дополнительно 1 для сигнала «Device Ready» (устройство готово))
    Время задержки67 ms ... 30.000 ms (настраивается)
    Время выдержки67 ms ... 10.000 ms (настраивается)
  • Механика/электроника
    Электрическое подключение

    1 x Разъем «Ethernet», 4-контактный разъем M12

    1 x Разъем «Питание», 12-контактный штекер M12

    1 x Гнездо Micro-USB, тип B

    Рабочее напряжение9 V DC ... 28 V DC
    Потребляемая мощность16 W, при 4 максимально нагруженных переключающих выходах
    Цвет корпусаЖелтый
    Тип защитыIP67 (IEC 60529:1989+AMD1:1999+AMD2:2013)
    Класс защитыIII (IEC 61140:2016-1)
    Вес250 g, без соединительных кабелей
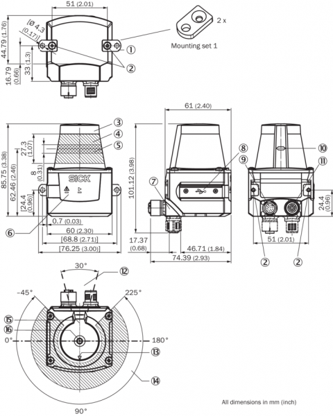
    Размеры (Д x Ш x В)60 mm x 60 mm x 86 mm
  • Данные окружающей среды
    Электромагнитная совместимость (ЭМС)IEC 61000-6-3:2006+AMD1:2010 / IEC 61000-6-2:2005
    ВиброустойчивостьIEC 60068-2-6:2007
    УдаропрочностьIEC 60068-2-27:2008
    Диапазон рабочих температур–10 °C ... +50 °C
    Температура хранения–40 °C ... +75 °C
  • Общие указания
    Указание по применениюДатчик TiM361S является изделием, ориентированным на решение задач техники безопасности в следующих случаях применения: защита опасных зон, опасных мест и зон доступа, а также защита транспортных средств (например, защита автоматически управляемых транспортных средств и мобильных платформ). В любое время датчик может применяться только в рамках предписанных и указанных технических характеристик и производственных условий.
  • Классификации
    ECl@ss 5.027270990
    ECl@ss 5.1.427270990
    ECl@ss 6.027270913
    ECl@ss 6.227270913
    ECl@ss 7.027270913
    ECl@ss 8.027270913
    ECl@ss 8.127270913
    ECl@ss 9.027270913
    ETIM 5.0EC002550
    ETIM 6.0EC002550
    UNSPSC 16.090146171620
Показать всё Скрыть всё

Технические чертежи

Габаритный чертеж Диаграмма рабочих зон Вид: Галерея Список Показать всё Скрыть всё
Показать всё Скрыть всё