0
ETI    SIEMENS    ABB    WIKA    IFM    ELKO EP    HYUNDAI    VEGA    KSR KUEBLER    Johnson Controls    Siemens IA/DT (CA01)    Bosch Rexroth    Alfa Laval    SICK    Others  

THTE-1AAT12006MZ

Код: 6047634
Связатся с нами: 067 285 7770

В корзину

Показать всё Скрыть всё

  • Характеристики
    Диапазон измерения–50 °C +150 °C
    Измерительный элементPt100, Pt1000 (вариант 4–20 мА)
    Аналоговый выходной сигнал и допустимая нагрузка RA4–20 мА, 2-жильный (RA ≤ (L+ – 10 В) / 0,023 A [Ом])
  • Производительность
    Точность измерительного элементаКласс A согласно IEC 60751 1)
    Точность измерительного преобразователя± 0,25 K
    Линейность измерительного преобразователя≤ ± 0,1 % диапазона
    Оценка

    t50 ≤ 4,7 s

    T90: ≤ 12,2 с 2)

    • 1) Класс B (диапазон измерения –50 °C ... –30 °C).
    • 2) В зависимости от конфигурации датчика, согласно IEC 60751.
  • Механика/электроника
    Технические подключенияТройной зажим 1'', 1½''
    Длина щупа / диаметр измерительного щупа200 mm / 6 mm
    Материалы, соприкасающиеся со средойНержавеющая сталь 1.4435 / 316L, Ra ≤ 0,8 мкм
    Сопротивление давлениюМакс. 16 бар при комнатной температуре
    Материал корпусаНержавеющая сталь (CrNi)
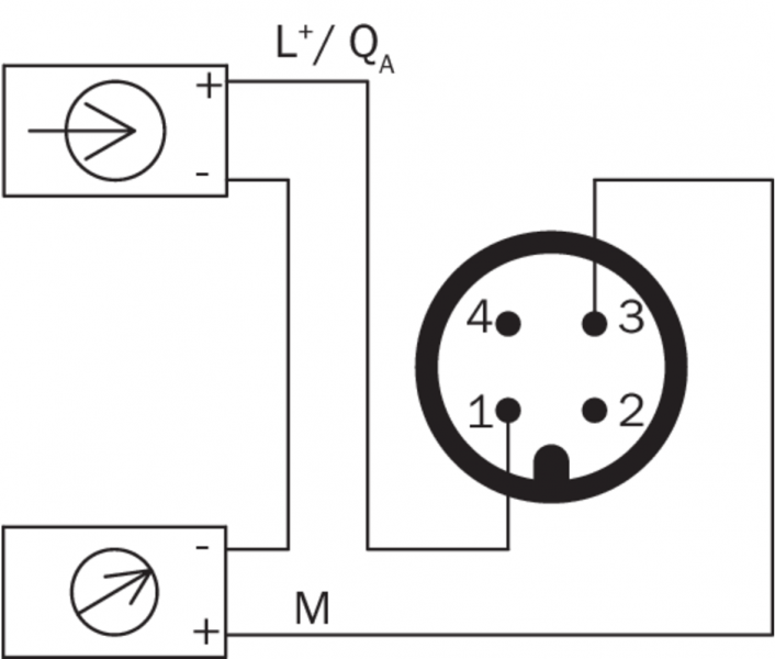
    Электрическое подключениеЦилиндрический соединитель M12 x 1, 4-контактный, IP67 и IP69 1)
    Напряжение питания10 V DC ... 35 V DC
    Максимальное потребление токаОк. 30 мА
    ЭлектробезопасностьКласс защиты: III, Защита от инверсии полярности: L+ относительно M
    Класс защиты III
    Соответствие требованиям ЕСДиректива ЕС по электромагнитной совместимости 2004/108/EG, EN 61326-2-3
    Сертификат RoHS
    Время инициализацииMax. 4 s
    • 1) Степень защиты IP согласно IEC 60529. Указанные степени защиты действительны только в установленном состоянии с кабельными разъемами соответствующей степени защиты.
  • Данные окружающей среды
    Температура окружающей среды–40 °C ... +85 °C
    Температура хранения и транспортировки–40 °C ... +85 °C
    Ударопрочность50 g, 6 мс (по стандарту IEC 60068-2-27)
    Относительная влажность воздуха100 % 1)
    • 1) , Допускается образование конденсата.
  • Классификации
    ECl@ss 5.027200208
    ECl@ss 5.1.427200208
    ECl@ss 6.027200208
    ECl@ss 6.227200208
    ECl@ss 7.027200208
    ECl@ss 8.027200208
    ECl@ss 8.127200208
    ECl@ss 9.027200208
    ETIM 5.0EC001446
    ETIM 6.0EC001446
    UNSPSC 16.090141112211
Показать всё Скрыть всё

Технические чертежи

габаритный чертеж Область применения Тип подключения Круглый штекерный соединитель M12 x 1, выходной сигнал 4–20 мА Вид: Галерея Список Показать всё Скрыть всё
Показать всё Скрыть всё