0
ETI    SIEMENS    ABB    WIKA    IFM    ELKO EP    HYUNDAI    VEGA    KSR KUEBLER    Johnson Controls    Siemens IA/DT (CA01)    Bosch Rexroth    Alfa Laval    SICK    Others  

TBT-1PAP40253PZ

Код: 6043105
Связатся с нами: 067 285 7770

В корзину

Показать всё Скрыть всё

  • Характеристики
    Диапазон измерения–50 °C +150 °C
    Измерительный элементPt100
    Выходной сигналPt100, 4-жильный
  • Производительность
    Точность измерительного элементаКласс A согласно IEC 60751
    Точность измерительного преобразователя≤ ± 0,1 % диапазона
    Линейность измерительного преобразователя≤ ± 0,1 % диапазона
    Оценка

    Время отклика t50: ≤ 5,8 с 1)

    Время отклика t90: ≤ 15,5 с 1)

    • 1) В зависимости от конфигурации датчика, согласно IEC 60751.
  • Механика/электроника
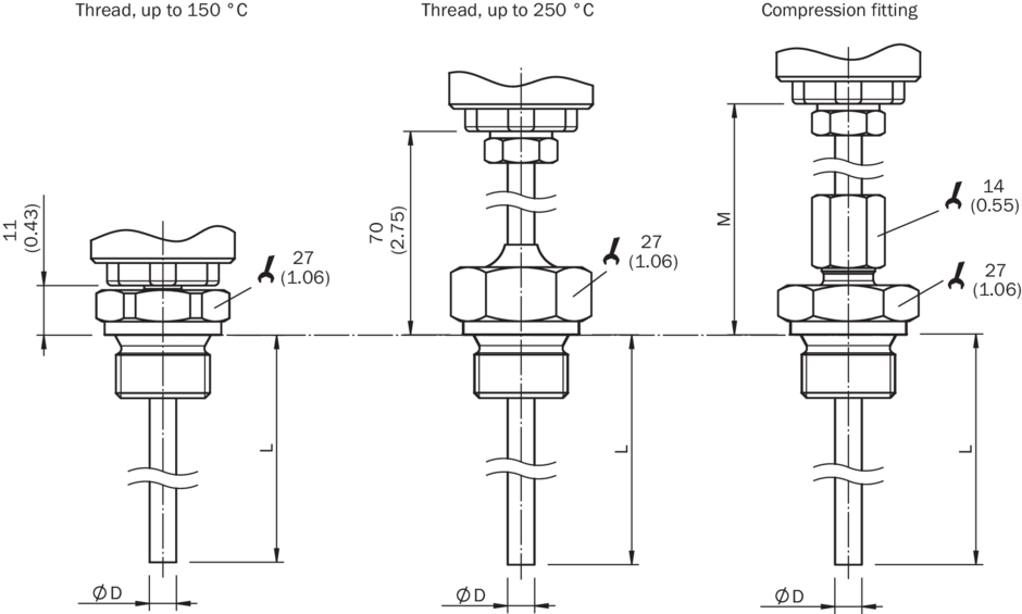
    Технические подключенияЗажимное винтовое соединение ¼'' NPT, зажимное кольцо из ПТФЭ
    Длина щупа / диаметр измерительного щупа25 mm / 3 mm
    Материалы, соприкасающиеся со средойНержавеющая сталь 1.4571
    Сопротивление давлениюМакс. 40 бар при установке зажимного винтового соединения с зажимным кольцом из ПТФЭ из комплекта поставки.
    Материал корпусаАлюминий
    Электрическое подключениеРезьбовой кабельный ввод M16 x 1,5, IP67 1)
    Измерительный ток0,3 mA ... 1 mA
    ЭлектробезопасностьКласс защиты: III, ном. напряжение изоляции: 100 В
    Класс защиты III
    Соответствие требованиям ЕСДиректива ЕС по электромагнитной совместимости 2004/108/EG, EN 61326-2-3
    Сертификат RoHS
    ВесОк. 155 г (в зависимости от исполнения)
    Время инициализации< 1 ms
    • 1) Степень защиты IP согласно IEC 60529. Указанные степени защиты действительны только в установленном состоянии с кабельными разъемами соответствующей степени защиты.
  • Данные окружающей среды
    Температура окружающей среды–40 °C ... +125 °C
    Температура хранения и транспортировки–40 °C ... +60 °C
    Ударопрочность согласно IEC 60751500 g
    Виброустойчивость согласно IEC 607513 g
  • Классификации
    ECl@ss 5.027200208
    ECl@ss 5.1.427200208
    ECl@ss 6.027200208
    ECl@ss 6.227200208
    ECl@ss 7.027200208
    ECl@ss 8.027200208
    ECl@ss 8.127200208
    ECl@ss 9.027200208
    ETIM 5.0EC001446
    ETIM 6.0EC001446
    UNSPSC 16.090141112211
Показать всё Скрыть всё

Технические чертежи

габаритный чертеж: цилиндрическая резьба габаритный чертеж: коническая резьба габаритный чертеж: корпус, без технологического соединения Тип подключения Кабельный ввод M16 x 1,5, диаметр провода до 0,75 мм2, выходной сигнал Pt100 Вид: Галерея Список Показать всё Скрыть всё
Показать всё Скрыть всё