0
ETI    SIEMENS    ABB    WIKA    IFM    ELKO EP    HYUNDAI    VEGA    KSR KUEBLER    Johnson Controls    Siemens IA/DT (CA01)    Bosch Rexroth    Alfa Laval    SICK    Others  

TBS-1ASGT1006NM

Код: 6048666
Связатся с нами: 067 285 7770

В корзину

Показать всё Скрыть всё

  • Характеристики
    Диапазон измерения–20 °C ... +80 °C
    Измерительный элементPt1000, 2-жильный, Класс A согласно IEC 60751
    Выходные сигналы2 x PNP
    Переключающий выходТранзистор
    Напряжение переключенияНапряжение питания [В DC] — 1 В DC
    Макс. ток переключения≤ 250 mA
    Задержка переключения0 s ... 50 s, программируемый
    Точность настройки дискретных выходов+0,1 °C
    Переключающий выходТранзистор
    Количество2
    Напряжение переключенияНапряжение питания [В DC] — 1 В DC
    Макс. ток переключения≤ 250 mA
    Задержка переключения0 s ... 50 s, программируемый
    Точность настройки дискретных выходов+0,1 °C
    Температурная коррекция± +3 °C
    Масштабирование диапазона измерения

    Нулевая точка: макс. +25 % диапазона

    Конечное значение: макс. –25 % диапазона

    Масштабирование диапазона измеренияМакс. +25 % диапазона, макс. –25 % диапазона
    Дисплей14-сегментный жидкокристаллический экран, синего цвета, 4-разрядный, высота цифр 9 мм Отображение в электронном виде, поворот на 180°, Обновление: 200 мс
    Поворот корпуса

    Дисплей по отношению к корпусу с электрическим разъемом: 330°

    Корпус по отношению к технологическому соединению: 320°

  • Производительность
    Точность измерительного элемента≤ ± (0,15 °C + 0,002 |t|) 1)
    Точность дискретного выхода≤ ± 0,8 % диапазона
    Точность индикации≤ ± 0,8 % диапазона ± 1 разрядная цифра
    Время отклика t50≤ 5 s 2)
    Время отклика t90≤ 10 s 2)
    • 1) |t| (положительное) числовое значение температуры в °C.
    • 2) В зависимости от конфигурации датчика, согласно IEC 60751.
  • Механика/электроника
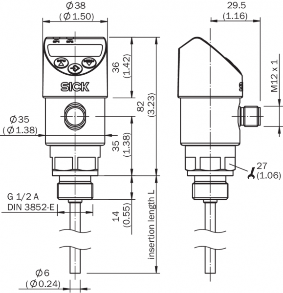
    Технические подключенияРезьба G ½ А согласно DIN 3852-E
    Длина щупа / диаметр измерительного щупа100 mm / 6 mm
    УплотнениеNBR
    Материалы, соприкасающиеся со средойНержавеющая сталь 1.4571 (AISI 316Ti)
    Макс. рабочее давление≤ 150 bar 1)
    Материал корпуса

    Нижняя часть: нержавеющая сталь 1.4301 (AISI 304)

    Пластиковая головка: PC + ABS

    Клавиатура: TPE-E

    Дисплей: PC

    Тип защиты

    IP65 (согласно IEC 60529) 2)

    IP67 (согласно IEC 60529) 2)

    Электрическое подключениеКруглый штекерный соединитель M12 x 1, 4-контактный
    Максимальная нагрузка RA≤ 100 kΩ (Дискретные выходы)
    Напряжение питания15 V DC ... 35 V DC
    Максимальное потребление тока45 mA
    Общее потребление тока

    570 mA (вкл. ток переключения)

    320 mA

    Класс защитыIII
    Напряжение развязки500 V DC
    Защита от перенапряжения40 V DC
    Устойчивость к короткому замыканиюВыходы QA, Q1, Q2 напротив M
    Защита от инверсии полярностиL+ относительно M
    Электробезопасность
    Класс защитыIII
    Напряжение развязки500 V DC
    Защита от перенапряжения40 V DC
    Устойчивость к короткому замыканиюВыходы QA, Q1, Q2 напротив M
    Защита от инверсии полярностиL+ относительно M
    Соответствие требованиям ЕС2004/108/EC, EN 61326-1 Эмиссия (группа 1, класс B) помехоустойчивость (промышленный сектор)
    Сертификат RoHS
    • 1) При комнатной температуре и резьбовом соединении.
    • 2) Указанные степени защиты действительны только в установленном состоянии с кабельными разъемами соответствующей степени защиты.
  • Данные окружающей среды
    Температура окружающей среды–20 °C ... +80 °C
    Температура хранения и транспортировки–20 °C ... +80 °C
    Относительная влажность воздуха45 % ... 75 %
  • Классификации
    ECl@ss 5.027200208
    ECl@ss 5.1.427200208
    ECl@ss 6.027200208
    ECl@ss 6.227200208
    ECl@ss 7.027200208
    ECl@ss 8.027200208
    ECl@ss 8.127200208
    ECl@ss 9.027200208
    ETIM 5.0EC001446
    ETIM 6.0EC001446
    UNSPSC 16.090141112211
Показать всё Скрыть всё

Технические чертежи

Габаритный чертеж TBS с разъемом G ½ A по DIN 3852-E Тип подключения Вид: Галерея Список Показать всё Скрыть всё
Показать всё Скрыть всё