0
ETI    SIEMENS    ABB    WIKA    IFM    ELKO EP    HYUNDAI    VEGA    KSR KUEBLER    Johnson Controls    Siemens IA/DT (CA01)    Bosch Rexroth    Alfa Laval    SICK    Others  

SRS50-HWV0-K21

Код: 1037093
Связатся с нами: 067 285 7770

В корзину

Показать всё Скрыть всё

  • Производительность
    Синусоидальных/косинусоидальных периодов на один оборот1.024
    Количество абсолютно регистрируемых оборотов1
    Общее количество шагов32.768
    Измерительный шаг0,3 ″ при интерполяции синусоидальных и косинусоидальных сигналов, например 12 бит
    Интегральная нелинейностьTyp. ± 45 ″, Допуски при обработке синусоидальных/косинусоидальных сигналов
    Дифференциальная нелинейность± 7 ″, Нелинейность синусоидального/косинусоидального периода
    Рабочая частота вращения≤ 6.000 min⁻¹, до возможности надежного выстраивания абсолютного положения
  • Интерфейсы
    Тип кодирования для абсолютного значенияДвоичный
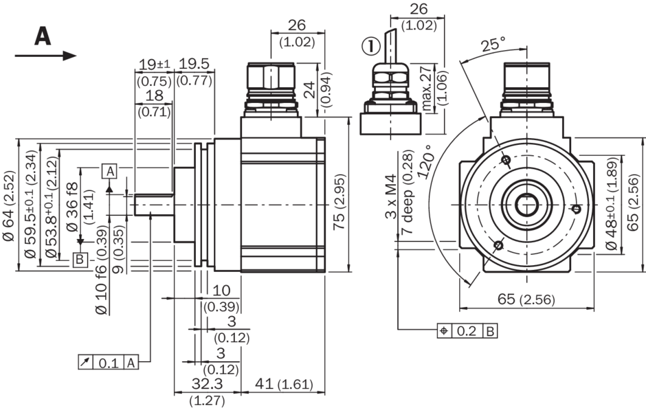
    Кривая кодаС возрастанием, при вращении вала. По часовой стрелке, если смотреть в направлении A (см. размерный чертеж)., При повороте вала по часовой стрелке, если смотреть в направлении A (см. размерный чертеж)
    Интерфейс связиHIPERFACE®
    Доступная область памяти128 Byte
  • Электрические данные
    Тип подключенияКабель, 8-жильный, радиальная, 1,5 m
    Диапазон напряжения питания7 V DC ... 12 V DC
    Рекомендуемое напряжение питания8 V DC
    Выходной ток80 mA 1)
    Частота выхода синусоидальных/косинусоидальных сигналов0 kHz ... 200 kHz
    • 1) Без нагрузки.
  • Механические данные
    Исполнение валаСплошной вал
    Диаметр вала10 mm
    Тип фланца / статорная муфтаТорцевой фланец / Статорная муфта
    РазмерыСм. размерный чертеж
    Вес0,2 kg
    Момент инерции ротора25 gcm²
    Рабочая частота вращения6.000 min⁻¹, 12.000 U/min
    Угловое ускорение≤ 200.000 rad/s²
    Рабочий крутящий момент1 Ncm
    Пусковой момент1,5 Ncm
    Допустимая нагрузка на вал

    40 N (радиальная)

    20 N (осевая)

    Срок службы шарикоподшипников3,6 x 10^9 оборотов
  • Данные окружающей среды
    Диапазон рабочей температуры–30 °C ... +85 °C
    Диапазон температуры хранения–30 °C ... +90 °C, без упаковки
    Относительная влажность воздуха/образование конденсата90 %, Образование конденсата не допускается
    Ударопрочность100 g, 10 ms, 10 ms (согласно EN 60068-2-27)
    Диапазон частоты вибростойкости20 g, 10 Hz ... 2.000 Hz (согласно EN 60068-2-6)
    ЭМСПо EN 61000-6-2 и EN 61000-6-3 1)
    Тип защитыIP65, при установленном ответном штекере (согласно IEC 60529)
    • 1) Электромагнитная совместимость в соответствии с приведенными стандартами обеспечивается, если система обратной связи двигателя установлена в электропроводящем корпусе, который соединен экранированным кабелем с центральной точкой заземления регулятора двигателя. Соединение GND-(0 В) напряжения питания там также связано с землей. При применении другой концепции экранирования пользователь должен провести собственное тестирование.
  • Классификации
    ECl@ss 5.027270590
    ECl@ss 5.1.427270590
    ECl@ss 6.027270590
    ECl@ss 6.227270590
    ECl@ss 7.027270590
    ECl@ss 8.027270590
    ECl@ss 8.127270590
    ECl@ss 9.027270590
    ETIM 5.0EC001486
    ETIM 6.0EC001486
    UNSPSC 16.090141112113
Показать всё Скрыть всё

Технические чертежи

Габаритный чертеж Общие допуски по DIN ISO 2768-mk Схема контактов Диаграммы Характеристика сигнала при повороте вала по часовой стрелке, если смотреть в направлении «A» (см. габаритный чертеж)1 период = 360 ° : 1024 Вид: Галерея Список Показать всё Скрыть всё
Показать всё Скрыть всё