0
ETI    SIEMENS    ABB    WIKA    IFM    ELKO EP    HYUNDAI    VEGA    KSR KUEBLER    Johnson Controls    Siemens IA/DT (CA01)    Bosch Rexroth    Alfa Laval    SICK    Others  

SKS36-HVA0-K02

Код: 1035603
Связатся с нами: 067 285 7770

В корзину

Показать всё Скрыть всё

  • Производительность
    Синусоидальных/косинусоидальных периодов на один оборот128
    Количество абсолютно регистрируемых оборотов1
    Разрешение на один оборот1 bit
    Общее количество шагов4.096
    Измерительный шаг2,5 Winkelsekunden при интерполяции синусоидальных и косинусоидальных сигналов, например 12 бит
    Интегральная нелинейность± 120 Winkelsekunden, Допуски при обработке синусоидальных/косинусоидальных сигналов
    Дифференциальная нелинейностьНелинейность синусоидального/косинусоидального периода
    Рабочая частота вращения≤ 6.000 min⁻¹, до возможности надежного выстраивания абсолютного положения
  • Интерфейсы
    Тип кодирования для абсолютного значенияДвоичный
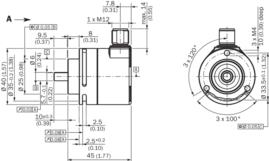
    Кривая кодаС возрастанием, при вращении вала. По часовой стрелке, если смотреть в направлении A (см. размерный чертеж)., При повороте вала по часовой стрелке, если смотреть в направлении A (см. размерный чертеж)
    Интерфейс связиHIPERFACE®
    Доступная область памяти1.792 Byte
  • Электрические данные
    Тип подключенияРазъем М12, 8-конт., радиальная
    Диапазон напряжения питания7 V DC ... 12 V DC
    Рекомендуемое напряжение питания8 V DC
    Выходной ток60 mA 1)
    Частота выхода синусоидальных/косинусоидальных сигналов0 kHz ... 65 kHz
    • 1) Без нагрузки.
  • Механические данные
    Исполнение валаСплошной вал
    Тип фланца / статорная муфтаСервофланец/зажимной фланец / Статорная муфта
    РазмерыСм. размерный чертеж
    Вес0,07 kg
    Момент инерции ротора6 gcm²
    Рабочая частота вращения12.000 U/min
    Угловое ускорение≤ 500.000 rad/s²
    Рабочий крутящий момент0,6 Ncm
    Пусковой момент0,9 Ncm
    Допустимая нагрузка на вал

    10 N (радиальная)

    5 N (осевая)

    Срок службы шарикоподшипников2,0 x 10^9 оборотов
  • Данные окружающей среды
    Диапазон рабочей температуры–20 °C ... +100 °C
    Диапазон температуры хранения–40 °C ... +125 °C, без упаковки
    Относительная влажность воздуха/образование конденсата90 %, Образование конденсата не допускается
    Ударопрочность100 g, 6 ms, 6 ms (согласно EN 60068-2-27)
    Диапазон частоты вибростойкости50 g, 10 Hz ... 2.000 Hz (согласно EN 60068-2-6)
    ЭМСПо EN 61000-6-2 и EN 61000-6-3
    Тип защитыIP50, при установленном ответном штекере (согласно IEC 60529)
  • Классификации
    ECl@ss 5.027270590
    ECl@ss 5.1.427270590
    ECl@ss 6.027270590
    ECl@ss 6.227270590
    ECl@ss 7.027270590
    ECl@ss 8.027270590
    ECl@ss 8.127270590
    ECl@ss 9.027270590
    ETIM 5.0EC001486
    ETIM 6.0EC001486
    UNSPSC 16.090141112113
Показать всё Скрыть всё

Технические чертежи

Габаритный чертеж Общие допуски по DIN ISO 2768-mk Схема контактов Схема контактов Вид со стороны вставки Диаграммы Характеристика сигнала при повороте вала по часовой стрелке, если смотреть в направлении «A» (см. габаритный чертеж) 1 период = 360° : 128 Вид: Галерея Список Показать всё Скрыть всё
Показать всё Скрыть всё