0
ETI    SIEMENS    ABB    WIKA    IFM    ELKO EP    HYUNDAI    VEGA    KSR KUEBLER    Johnson Controls    Siemens IA/DT (CA01)    Bosch Rexroth    Alfa Laval    SICK    Others  

SES70-HN025AK22

Код: 1074671
Связатся с нами: 067 285 7770

В корзину

Показать всё Скрыть всё

  • Производительность
    Синусоидальных/косинусоидальных периодов на один оборот32
    Количество абсолютно регистрируемых оборотов1
    Разрешение на один оборот1 bit
    Общее количество шагов1.024
    Измерительный шаг10 ″ при интерполяции синусоидальных и косинусоидальных сигналов, например 12 бит
    Интегральная нелинейность± 100 ″ 1)
    Дифференциальная нелинейность± 55 ″ 1)
    Время ожидания25 µs
    • 1) Типичные значения при номинальном положении ± 0,1 мм и +20 °C.
  • Интерфейсы
    Тип кодирования для абсолютного значенияДвоичный
    Кривая кодаС возрастанием, При повороте вала по часовой стрелке, если смотреть в направлении A (см. размерный чертеж)
    Интерфейс связиHIPERFACE® 1)
    Доступная область памяти2.048 Byte
    • 1) Информацию о времени запуска можно взять из официальных документов (DE: 8021543/EN: 8021544).
  • Электрические данные
    Тип подключенияРазъем, 8-конт.
    Диапазон напряжения питания7 V DC ... 12 V DC
    Продолжительность включения линейной стадии импульса напряженияМакс. 180 мс 1)
    Рекомендуемое напряжение питания11 V DC
    Выходной ток≤ 150 mA 2)
    • 1) Продолжительность линейной стадии импульса напряжения между 0 и 7,0 В.
    • 2) При 7 В пост. тока и без нагрузки.
  • Механические данные
    Исполнение валаСквозной полый вал
    Диаметр вала25 mm
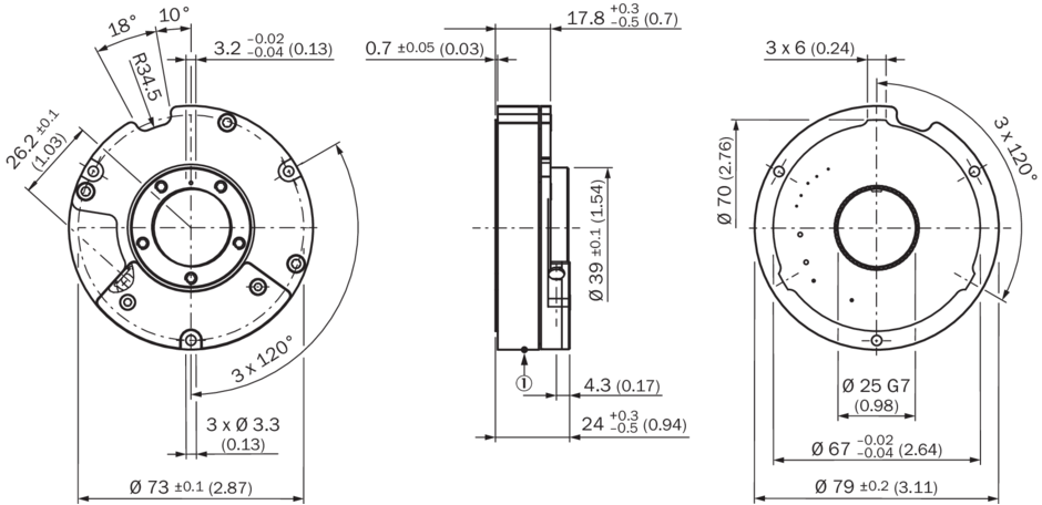
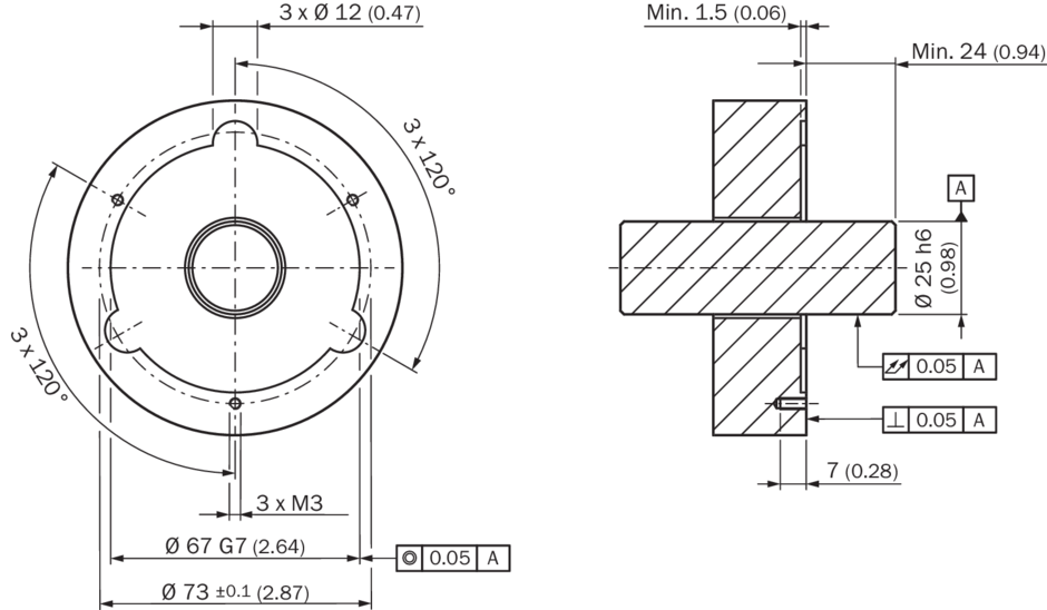
    РазмерыСм. размерный чертеж
    Вес0,13 kg
    Момент инерции ротора60 gcm²
    Рабочая частота вращения8.500 min⁻¹, до возможности надежного выстраивания абсолютного положения
    Угловое ускорение≤ 50.000 rad/s²
    Допустимое радиальное перемещение вала± 0,15 mm
    Допустимое осевое перемещение вала± 0,4 mm
  • Данные окружающей среды
    Диапазон рабочей температуры–30 °C ... +115 °C
    Диапазон температуры хранения–40 °C ... +125 °C, без упаковки
    Относительная влажность воздуха/образование конденсата85 %, Образование конденсата не допускается
    Ударопрочность100 g, 6 ms (согласно EN 60068-2-27) 1)
    Диапазон частоты вибростойкости50 g, 10 Hz ... 2.000 Hz (согласно EN 60068-2-6) 2)
    ЭМСПо EN 61000-6-2 и EN 61000-6-4 (класс A) 3)
    Тип защитыIP40, при вставленном ответном штекере и закрытой крышке (согласно IEC 60529)
    • 1) Каждый кодировщик был протестирован шоком в форме полусинуса.
    • 2) Информацию о месте резонанса можно взять из официальных документов (DE: 8021543/EN: 8021544).
    • 3) Электромагнитная совместимость в соответствии с приведенными стандартами обеспечивается, если система обратной связи двигателя установлена в электропроводящем корпусе, который соединен экранированным кабелем с центральной точкой заземления регулятора двигателя. При применении другой концепции экранирования пользователь должен провести собственное тестирование.
  • Классификации
    ECl@ss 5.027270590
    ECl@ss 5.1.427270590
    ECl@ss 6.027270590
    ECl@ss 6.227270590
    ECl@ss 7.027270590
    ECl@ss 8.027270590
    ECl@ss 8.127270590
    ECl@ss 9.027270590
    ETIM 5.0EC001486
    ETIM 6.0EC001486
    UNSPSC 16.090141112113
Показать всё Скрыть всё

Технические чертежи

Габаритный чертеж рекомендации по установке Схема контактов Вид со стороны вставки Вид: Галерея Список Показать всё Скрыть всё
Показать всё Скрыть всё