0
ETI    SIEMENS    ABB    WIKA    IFM    ELKO EP    HYUNDAI    VEGA    KSR KUEBLER    Johnson Controls    Siemens IA/DT (CA01)    Bosch Rexroth    Alfa Laval    SICK    Others  

SEL34-HFB0K02

Код: 1053403
Связатся с нами: 067 285 7770

В корзину

Показать всё Скрыть всё

  • Производительность
    Синусоидальных/косинусоидальных периодов на один оборот16
    Количество абсолютно регистрируемых оборотов4.096
    Разрешение на один оборот12 bit
    Максимальное количество шагов на один оборот2.097.152 через RS 485
    Общее количество шагов512
    Измерительный шаг20 ″ при интерполяции синусоидальных и косинусоидальных сигналов, например 12 бит
    Интегральная нелинейность± 288 , Допуски при обработке синусоидальных/косинусоидальных сигналов, типичные значения при номинальном положении ± 0,1 мм и +20 °C
    Дифференциальная нелинейность± 144 , Допуски при обработке синусоидальных/косинусоидальных сигналов, типичные значения при номинальном положении ± 0,1 мм и +20 °C
    Рабочая частота вращения≤ 6.000 min⁻¹, до возможности надежного выстраивания абсолютного положения
  • Интерфейсы
    Тип кодирования для абсолютного значенияДвоичный
    Кривая кодаПри повороте вала по часовой стрелке, если смотреть в направлении A (см. размерный чертеж)
    Интерфейс связиHIPERFACE®
    Доступная область памяти1.792 Byte
  • Электрические данные
    Тип подключенияРазъем, 8-конт., радиальная
    Диапазон напряжения питания7 V ... 12 V DC
    Рекомендуемое напряжение питания8 V DC
    Выходной ток< 50 mA
  • Механические данные
    Исполнение валаКонический вал
    Вес0,04 kg
    Момент инерции ротора1 gcm²
    Рабочая частота вращения12.000 min⁻¹
    Угловое ускорение≤ 500.000 rad/s²
    Допустимое радиальное перемещение вала± 0,15 mm
    Допустимое осевое перемещение вала± 0,3 mm
  • Данные окружающей среды
    Диапазон рабочей температуры–20 °C ... +115 °C
    Диапазон температуры хранения–50 °C ... +125 °C, без упаковки
    Относительная влажность воздуха/образование конденсата90 %, Образование конденсата не допускается
    Ударопрочность100 g, 10 ms, 10 ms (EN 60068-2-27)
    Диапазон частоты вибростойкости50 g, 10 Hz ... 2.000 Hz (EN 60068-2-6)
    ЭМСПо EN 61000-6-2 и EN 61000-6-3
    Тип защитыIP20, во встроенном состоянии, при вставленном ответном штекере и закрытой крышке (IEC 60529)
  • Классификации
    ECl@ss 5.027270590
    ECl@ss 5.1.427270590
    ECl@ss 6.027270590
    ECl@ss 6.227270590
    ECl@ss 7.027270590
    ECl@ss 8.027270590
    ECl@ss 8.127270590
    ECl@ss 9.027270590
    ETIM 5.0EC001486
    ETIM 6.0EC001486
    UNSPSC 16.090141112113
Показать всё Скрыть всё

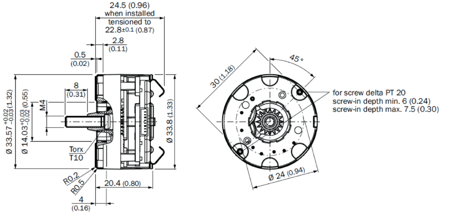
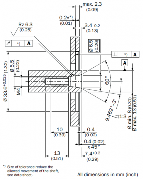
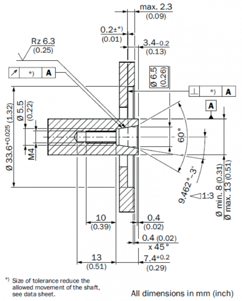
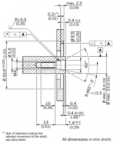
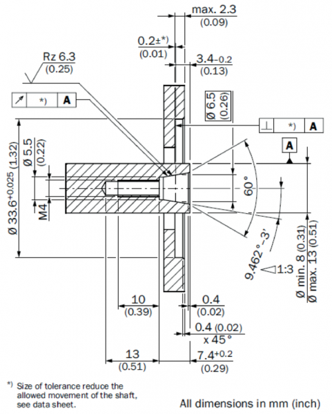
Технические чертежи

Габаритный чертеж Рекомендации по установке Схема контактов Диаграммы Характеристика сигнала при повороте вала по часовой стрелке, если смотреть в направлении «A» (см. габаритный чертеж)1 период = 360 ° : 1024 Диаграммы Диаграммы Характеристика сигнала при повороте вала по часовой стрелке, если смотреть в направлении «A» (см. габаритный чертеж) 1 период = 360° : 16 Рекомендации по установке Вид: Галерея Список Показать всё Скрыть всё
Показать всё Скрыть всё