0
ETI    SIEMENS    ABB    WIKA    IFM    ELKO EP    HYUNDAI    VEGA    KSR KUEBLER    Johnson Controls    Siemens IA/DT (CA01)    Bosch Rexroth    Alfa Laval    SICK    Others  

SEK52-HFA0-K02

Код: 1037368
Связатся с нами: 067 285 7770

В корзину

Показать всё Скрыть всё

  • Производительность
    Синусоидальных/косинусоидальных периодов на один оборот16
    Количество абсолютно регистрируемых оборотов1
    Максимальное количество шагов на один оборот512 через RS 485
    Общее количество шагов512
    Измерительный шаг20 Winkelsekunden при интерполяции синусоидальных и косинусоидальных сигналов, например 12 бит
    Интегральная нелинейность± 288 Winkelsekunden, Допуски при обработке синусоидальных/косинусоидальных сигналов, типичные значения при номинальном положении ± 0,1 мм и +20 °C
    Дифференциальная нелинейность± 72 Winkelsekunden, Нелинейность синусоидального/косинусоидального периода, типичные значения при номинальном положении ± 0,1 мм и +20 °C
    Рабочая частота вращения≤ 6.000 min⁻¹, до возможности надежного выстраивания абсолютного положения
  • Интерфейсы
    Тип кодирования для абсолютного значенияДвоичный
    Кривая кодаС возрастанием, при вращении вала. По часовой стрелке, если смотреть в направлении A (см. размерный чертеж)., При повороте вала по часовой стрелке, если смотреть в направлении A (см. размерный чертеж)
    Интерфейс связиHIPERFACE®
    Доступная область памяти1.792 Byte
  • Электрические данные
    Тип подключенияРазъем, 8-конт., осевая
    Диапазон напряжения питания7 V DC ... 12 V DC
    Рекомендуемое напряжение питания8 V DC
    Выходной ток< 50 mA 1)
    • 1) Без нагрузки.
  • Механические данные
    Исполнение валаКонический вал
    Диаметр вала12,7 mm
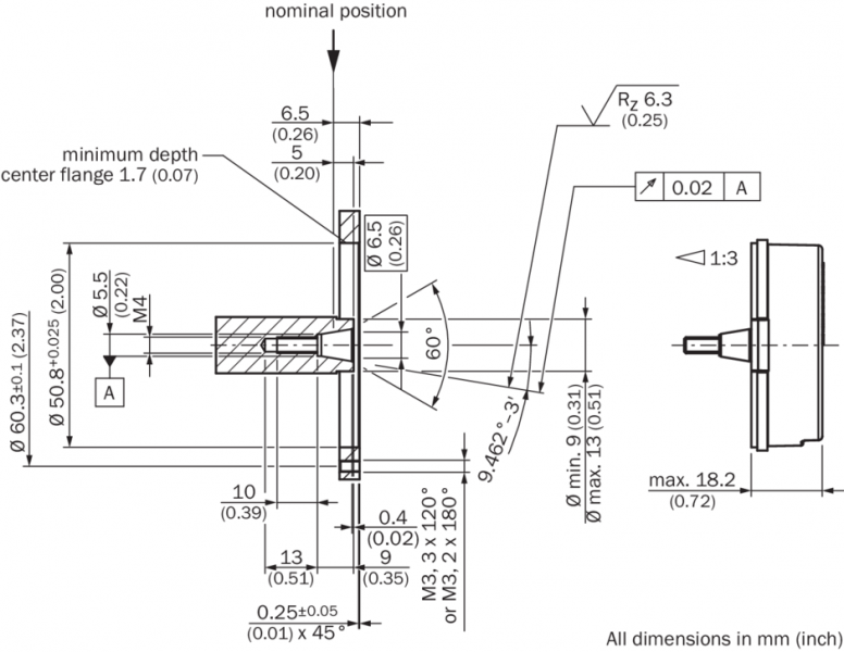
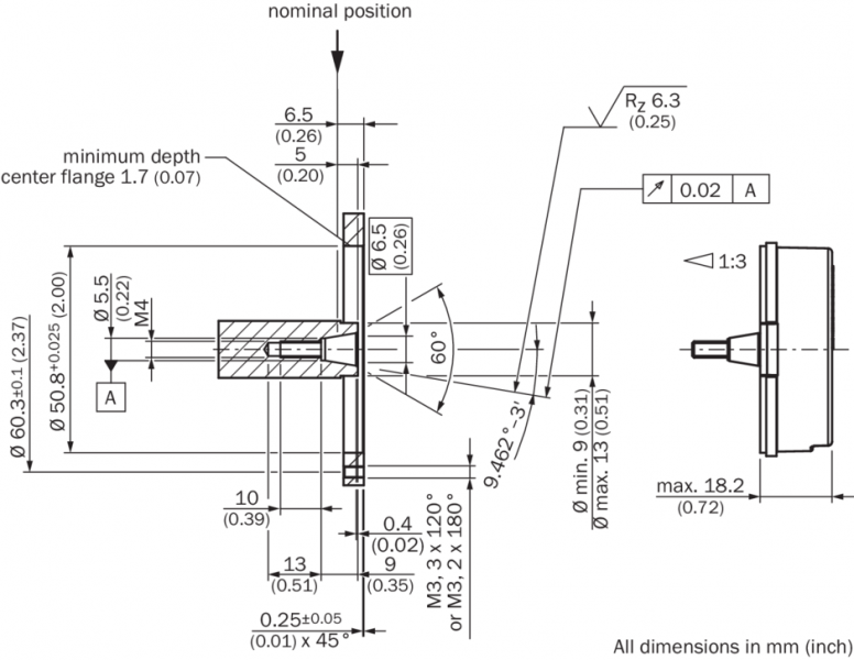
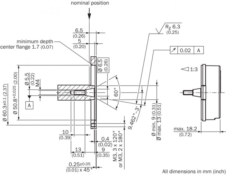
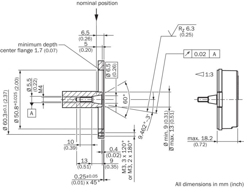
    РазмерыСм. размерный чертеж
    Вес0,07 kg
    Момент инерции ротора7 gcm²
    Рабочая частота вращения12.000 min⁻¹, 12.000 U/min
    Угловое ускорение≤ 500.000 rad/s²
    Допустимое радиальное перемещение вала± 0,15 mm
    Допустимое осевое перемещение вала± 0,5 mm
  • Данные окружающей среды
    Диапазон рабочей температуры–40 °C ... +115 °C
    Диапазон температуры хранения–50 °C ... +125 °C, без упаковки
    Относительная влажность воздуха/образование конденсата90 %, Образование конденсата не допускается
    Ударопрочность100 g, 10 ms, 10 ms (согласно EN 60068-2-27)
    Диапазон частоты вибростойкости50 g, 10 Hz ... 2.000 Hz (согласно EN 60068-2-6)
    ЭМСПо EN 61000-6-2 и EN 61000-6-3 1)
    Тип защитыIP20, во встроенном состоянии, при вставленном ответном штекере и закрытой крышке (согласно IEC 60529)
    • 1) Электромагнитная совместимость в соответствии с приведенными стандартами обеспечивается, если система обратной связи двигателя установлена в электропроводящем корпусе, который соединен экранированным кабелем с центральной точкой заземления регулятора двигателя, и используется крышка (номер для заказа 2048234). При применении другой концепции экранирования пользователь должен провести собственное тестирование.
  • Классификации
    ECl@ss 5.027270590
    ECl@ss 5.1.427270590
    ECl@ss 6.027270590
    ECl@ss 6.227270590
    ECl@ss 7.027270590
    ECl@ss 8.027270590
    ECl@ss 8.127270590
    ECl@ss 9.027270590
    ETIM 5.0EC001486
    ETIM 6.0EC001486
    UNSPSC 16.090141112113
Показать всё Скрыть всё

Технические чертежи

Габаритный чертеж Общие допуски по DIN ISO 2768-mk Рекомендации по установке Общие допуски по DIN ISO 2768-mk Схема контактов Вид со стороны вставки Диаграммы Диаграммы Характеристика сигнала при повороте вала по часовой стрелке, если смотреть в направлении «A» (см. габаритный чертеж) 1 период = 360° : 16 Рекомендации по установке Общие допуски по DIN ISO 2768-mk Вид: Галерея Список Показать всё Скрыть всё
Показать всё Скрыть всё