0
ETI    SIEMENS    ABB    WIKA    IFM    ELKO EP    HYUNDAI    VEGA    KSR KUEBLER    Johnson Controls    Siemens IA/DT (CA01)    Bosch Rexroth    Alfa Laval    SICK    Others  

SEK160-HN110AK02

Код: 1038272
Связатся с нами: 067 285 7770

В корзину

Показать всё Скрыть всё

  • Производительность
    Синусоидальных/косинусоидальных периодов на один оборот128
    Количество абсолютно регистрируемых оборотов1
    Разрешение на один оборот1 bit
    Общее количество шагов4.096 через RS 485
    Измерительный шаг2,5 Winkelsekunden при интерполяции синусоидальных и косинусоидальных сигналов, например 12 бит
    Интегральная нелинейность± 36 Winkelsekunden, Допуски при обработке синусоидальных/косинусоидальных сигналов, типичные значения при номинальном положении ± 0,1 мм и +20 °C
    Дифференциальная нелинейность± 21 Winkelsekunden, Нелинейность синусоидального/косинусоидального периода, типичные значения при номинальном положении ± 0,1 мм и +20 °C
    Рабочая частота вращения≤ 1.500 min⁻¹, до возможности надежного выстраивания абсолютного положения
    Время ожидания100 µs
  • Интерфейсы
    Тип кодирования для абсолютного значенияДвоичный
    Кривая кодаС возрастанием, при вращении вала. По часовой стрелке, если смотреть в направлении A (см. размерный чертеж)., При повороте вала по часовой стрелке, если смотреть в направлении A (см. размерный чертеж)
    Интерфейс связиHIPERFACE®
    Доступная область памяти1.792 Byte
  • Электрические данные
    Тип подключенияРазъем, 8-конт.
    Диапазон напряжения питания7 V DC ... 12 V DC
    Рекомендуемое напряжение питания8 V DC
    Выходной ток150 mA 1)
    • 1) Без нагрузки.
  • Механические данные
    Исполнение валаСквозной полый вал
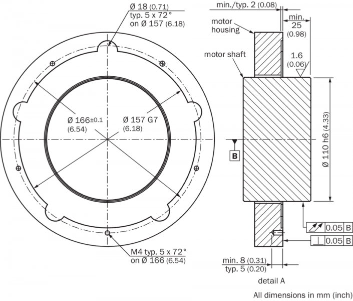
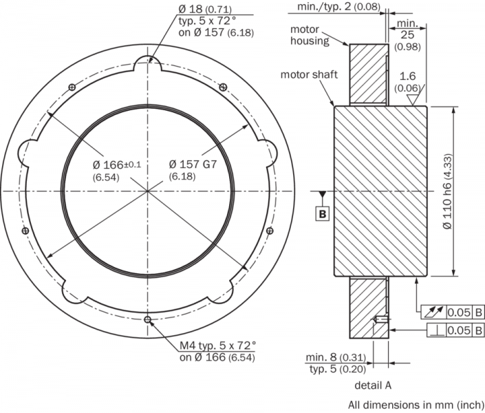
    Диаметр вала110 mm
    РазмерыСм. размерный чертеж
    Вес0,27 kg
    Момент инерции ротора2.860 gcm²
    Рабочая частота вращения1.500 min⁻¹
    Угловое ускорение≤ 28.000 rad/s²
    Допустимое перемещение вала радиальное, статическое/динамическое± 0,2 mm / ± 0,05 mm 1)
    Допустимое осевое перемещение вала± 0,5 mm 1)
    • 1) Относительно монтажного положения, как описано в руководстве по монтажу (артикул 8013609) и в рекомендациях по установке.
  • Данные окружающей среды
    Диапазон рабочей температуры–30 °C ... +115 °C
    Диапазон температуры хранения–50 °C ... +125 °C, без упаковки
    Относительная влажность воздуха/образование конденсата90 %, Образование конденсата не допускается
    Ударопрочность100 g, 6 ms (согласно EN 60068-2-27)
    Диапазон частоты вибростойкости30 g, 10 Hz ... 2.000 Hz (согласно EN 60068-2-6)
    ЭМСПо EN 61000-6-2 и EN 61000-6-3 1)
    Тип защитыIP40, при вставленном ответном штекере и закрытой крышке (согласно IEC 60529)
    • 1) Электромагнитная совместимость в соответствии с приведенными стандартами обеспечивается, если система обратной связи двигателя установлена в электропроводящем корпусе, который соединен экранированным кабелем с центральной точкой заземления регулятора двигателя. При применении другой концепции экранирования пользователь должен провести собственное тестирование.
  • Классификации
    ECl@ss 5.027270590
    ECl@ss 5.1.427270590
    ECl@ss 6.027270590
    ECl@ss 6.227270590
    ECl@ss 7.027270590
    ECl@ss 8.027270590
    ECl@ss 8.127270590
    ECl@ss 9.027270590
    ETIM 5.0EC001486
    ETIM 6.0EC001486
    UNSPSC 16.090141112113
Показать всё Скрыть всё

Технические чертежи

Габаритный чертеж Рекомендации по установке Схема контактов Вид со стороны вставки Диаграммы Диаграммы Характеристика сигнала при повороте вала по часовой стрелке, если смотреть в направлении «A» (см. габаритный чертеж) 1 период = 360° : 64/128/256 Рекомендации по установке Вид: Галерея Список Показать всё Скрыть всё
Показать всё Скрыть всё