0
ETI    SIEMENS    ABB    WIKA    IFM    ELKO EP    HYUNDAI    VEGA    KSR KUEBLER    Johnson Controls    Siemens IA/DT (CA01)    Bosch Rexroth    Alfa Laval    SICK    Others  

SAPPB2D-08X0039

Код: 1093376
Связатся с нами: 067 285 7770

В корзину

Показать всё Скрыть всё

  • Характеристики
    Задачи по обеспечению безопасностиЗащита опасных зон
    Диапазон защитного поля5,5 m
    Уровень производительностиPL d (ISO 13849-1)
    Напряжение питания UV24 V DC (16,8 V DC ... 28,8 V DC)
    Диапазон рабочих температур–10 °C ... +50 °C
    Температура хранения–20 °C ... +50 °C
    Влажность воздуха50 °C, относительная влажность воздуха 90 % (EN 61131-2)
    Безопасное состояние в случае возникновения ошибкиОриентированные на безопасность полупроводниковые выходы находятся в выключенном состоянии.
Показать всё Скрыть всё

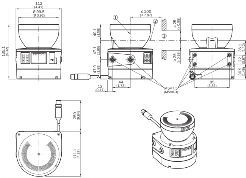
Технические чертежи

Габаритный чертеж Лазерный сканер Вид: Галерея Список Показать всё Скрыть всё
Показать всё Скрыть всё