0
ETI    SIEMENS    ABB    WIKA    IFM    ELKO EP    HYUNDAI    VEGA    KSR KUEBLER    Johnson Controls    Siemens IA/DT (CA01)    Bosch Rexroth    Alfa Laval    SICK    Others  

SAPP02D-06AP002

Код: 1066072
Связатся с нами: 067 285 7770

В корзину

Показать всё Скрыть всё

  • Контроллер безопасности Flexi Soft
    ПримечаниеСтанция Flexi-Soft имеет модульную конструкцию и может индивидуально адаптироваться в зависимости от тех или иных требований. В минимальную комплектацию входят главный модуль, подходящий системный разъем и как минимум один модуль ввода/вывода.
    Устройство станции Flexi-Soft

    Модульная структура

    1 главный модуль

    1 системный разъем

    0–2 шлюза

    1–12 модулей расширения

    Интерфейс модуляВнутренняя шина (FLEXBUS+)
    Тип конфигурацииЧерез программное обеспечение
    Конфигурационное ПОFlexi Soft Designer
    Макс. время рабочего цикла контроллера безопасности
    Частота импульсов 2 Гц≤ 148 ms
    Частота импульсов 10 Гц≤ 28 ms
    Напряжение питания UV24 V DC (16,8 V ... 30 V)
    Класс защитыIII (EN 50178)
    Тип защиты
    ЗажимыIP20 (EN 60529)
    КорпусIP40 (EN 60529)
    Диапазон рабочих температур–25 °C ... +55 °C
    Полевая шина, промышленная шинаCANopen, EtherCAT®, EtherNet/IP™, Modbus TCP, PROFIBUS DP, PROFINET, DeviceNet™
    Тип интеграции в шинуЧерез межсетевой шлюз
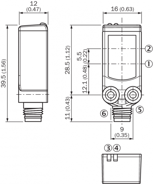
  • Общие характеристики датчиков
    Количество датчиков2 шт.
    Рабочая зона30 mm ... 100 mm 1)
    Коэффициент диффузного отражения6 % ... 90 %
    Частота импульсов2 Hz
    Время отклика датчиков≤ 500 ms
    Вид излученияВидимый красный свет
    Длина волны650 nm
    Размеры светового пятна (расстояние)Ø 7 mm (50 mm)
    Вид подключенияРазъем M8, 3-конт.
    Напряжение питанияЧерез Flexi Soft
    Тип защитыIP67 (EN 60529)
    Диапазон рабочих температур–40 °C ... +60 °C
    • 1) Если подвижная физическая защита в диапазоне детекции не обнаружена, контроллер безопасности приводит машину в безопасное состояние.
Показать всё Скрыть всё

Технические чертежи

Габаритный чертеж Вид: Галерея Список Показать всё Скрыть всё
Показать всё Скрыть всё