(044) 466 87 70, (067) 386 78 58, (094) 954 25 46
info@avigan.com.ua
English
About us
Вход
Регистрация
Корзина
ב"ה
0
Menu
Главная
О КОМПАНИИ
Обзоры Применений
КАТАЛОГ
ETI
SIEMENS
ABB
WIKA
IFM
ELKO EP
HYUNDAI
VEGA
KSR KUEBLER
Johnson Controls
Siemens IA/DT (CA01)
Bosch Rexroth
Alfa Laval
SICK
Others
КОНТАКТЫ
НОВОСТИ
ОТЗЫВЫ
Семейство Safeguard Detector
Главная
»
SICK
»
Системы и решения для безопасности
»
Системы обеспечения безопасности
»
Семейство Safeguard Detector
ETI
SIEMENS
ABB
WIKA
IFM
ELKO EP
HYUNDAI
VEGA
KSR KUEBLER
Johnson Controls
Siemens IA/DT (CA01)
Bosch Rexroth
Alfa Laval
SICK
Others
SAPP02D-06A0002
Код: 1066074
Связатся с нами: 067 285 7770
Поделиться
Facebook
Twitter
Google Plus
В корзину
Описание
Показать всё
Скрыть всё
Общие характеристики датчиков
Количество датчиков
2 шт.
Рабочая зона
30 mm ... 100 mm 1)
Коэффициент диффузного отражения
6 % ... 90 %
Частота импульсов
2 Hz
Время отклика датчиков
≤ 500 ms
Вид излучения
Видимый красный свет
Длина волны
650 nm
Размеры светового пятна (расстояние)
Ø 7 mm (50 mm)
Вид подключения
Разъем M8, 3-конт.
Напряжение питания
Через Flexi Soft
Тип защиты
IP67 (EN 60529)
Диапазон рабочих температур
–40 °C ... +60 °C
1) Если подвижная физическая защита в диапазоне детекции не обнаружена, контроллер безопасности приводит машину в безопасное состояние.
Показать всё
Скрыть всё
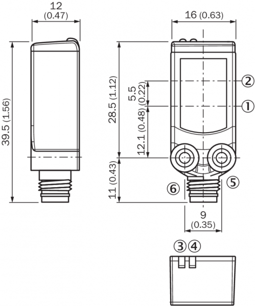
Технические чертежи
Габаритный чертеж
Вид:
Галерея
Список
Показать всё
Скрыть всё
Показать всё
Скрыть всё