0
ETI    SIEMENS    ABB    WIKA    IFM    ELKO EP    HYUNDAI    VEGA    KSR KUEBLER    Johnson Controls    Siemens IA/DT (CA01)    Bosch Rexroth    Alfa Laval    SICK    Others  

S710 E 1217512

Код: 1217512
Связатся с нами: 067 285 7770

В корзину

Показать всё Скрыть всё

  • Технические характеристики
    ОписаниеКорпус для монтажа в 19''-стойку, 3 HU, для установки в системные шкафы
    Измеряемые величиныCO, NO, O2, SO2
    Измеряемые параметрыCO, NO, O2, SO2
    Макс. количество измеряемых величин4
    Принципы измеренияНедисперсионная ИК-спектроскопия (NDIR), электрохимическая ячейка
    Расход газа
    5 l/h ... 100 l/h
    Рекомендуемый рабочий диапазон30 l/h ... 60 l/h
    Диапазоны измерения
    CO0 ... 200 mg/m³ / 0 ... 2.000 mg/m³
    SO20 ... 250 mg/m³ / 0 ... 2.500 mg/m³
    NO0 ... 250 mg/m³ / 0 ... 2.500 mg/m³
    O20 ... 10 Vol.-% / 0 ... 25 Vol.-%
    Сертифицированные диапазоны измерения
    CO0 ... 200 mg/m³
    NO0 ... 250 mg/m³
    O20 ... 25 Vol.-%
    SO20 ... 250 mg/m³
    Время настройки

    Модуль анализатора MULTOR: ≤ 25 sСтандартное при 60 л/ч, в зависимости от длины кюветы, расхода газа и количества измеряемых компонентов

    Модуль анализатора OXOR-E: 20 sСтандартное при 60 л/ч, в зависимости от расхода газа

    Дрейф чувствительности
    Модуль анализатора MULTOR≤ 1 %: конечного значения диапазона измерения в неделю
    Модуль анализатора OXOR-E≤ 1 %: конечного значения диапазона измерения в неделю
    Дрейф нулевой точки
    Модуль анализатора MULTOR≤ 1 %: минимального диапазона измерения в неделю
    Модуль анализатора OXOR-E≤ 2 %: минимального диапазона измерения в месяц
    Температура измеряемого газа
    Вход анализатора0 °C ... +45 °C
    Рабочее давление
    Шланговые газопроводы–200 hPa ... 300 hPa
    Влажность газа
    Без образования конденсата
    Концентрация пыли
    Без пыли и аэрозолей
    Температура окружающей среды
    +5 °C ... +45 °C
    Температура хранения
    –20 °C ... +70 °C
    Давление окружающей среды
    700 hPa ... 1.200 hPa
    Географическая высота≤ 2.000 m (над уровнем моря)
    Влажность окружающей среды
    ≤ 95 %Относительная влажность, без образования конденсата
    Соответствие

    Допуск для установок, требующих разрешения

    2001/80/ЕС (13. BImSchV)

    2000/76/ЕС (17. BImSchV)

    27.BImSchV

    Техническое руководство по поддержанию чистоты воздуха (TA-Luft)

    EN 14181

    ЭлектробезопасностьCE
    Класс защиты
    IP20
    Аналоговые выходы4 Выходы:0/4 ... 20 mA, 500 Ω
    Цифровые выходы

    8 Релейные контакты:Три релейных выхода по умолчанию для сигнализации неисправностей, сервиса и технического обслуживания

    8 Выходы с открытым коллектором:Свободная настройка

    Цифровые входы8 Оптронные входы:С гальванической развязкой, свободно программируемые
    Modbus
    Тип интеграции в шинуRTU RS-232
    Индикация
    ЖК-дисплей
    УправлениеУправление с помощью ЖК-дисплея и пленочной клавиатуры
    Языки менюНемецкий, Английский, Французский, Итальянский, Нидерландский, Польский, Шведский, Испанский
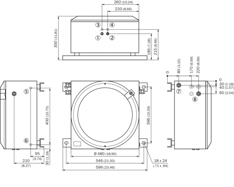
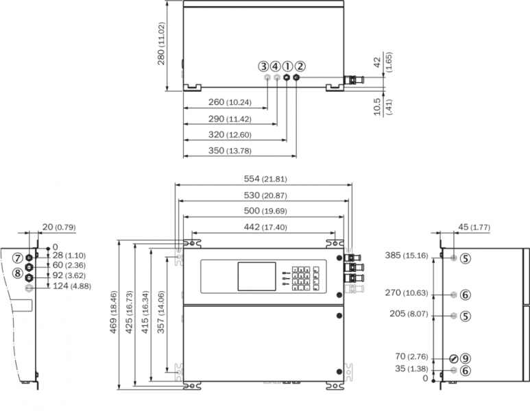
    Размеры (Ш x В x Г)
    483 mm x 132,5 mm x 390 mm
    Детали см. на размерных чертежах
    483 mm x 132,5 mm x 390 mm (Детали см. на размерных чертежах)
    Вес
    10 kg ... 20 kgВ зависимости от комплектации
    Материал, соприкасающийся со средойViton B, PVDF, CaF2, Золото, Алюминий
    Источник питания
    Напряжение100 V AC / 115 V AC / 230 V AC
    Частота48 ... 62 Hz
    Потребляемая мощность≤ 150 WВ зависимости от конфигурации системы
    Подключения для измеряемого газа
    Переборочный штуцер из PVDF
    Корректирующие функции

    Автоматическая проверка и юстировка поверочными газами

    Ручная юстировка поверочными газами

    Встроенные компоненты

    Модуль анализатора MULTOR

    Модуль анализатора OXOR-E

    Переборочный штуцер из PVDF

  • Классификации
    ECl@ss 5.027150302
    ECl@ss 5.1.427150302
    ECl@ss 6.027150302
    ECl@ss 6.227150302
    ECl@ss 7.027150302
    ECl@ss 8.027150302
    ECl@ss 8.127150302
    ECl@ss 9.027150302
    ETIM 5.0EC001190
    ETIM 6.0EC001190
    UNSPSC 16.090141115406
Показать всё Скрыть всё

Технические чертежи

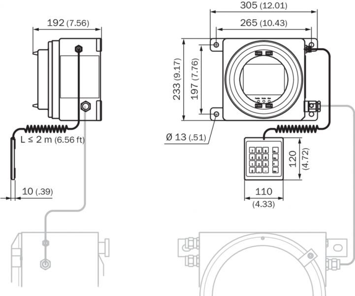
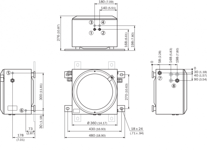
модель S710 Модель S721 Ex Модель S720 Ex Модель S715 модели S710 и S711 дисплей и клавиатура для моделей S720 Ex и S721 Ex Вид: Галерея Список Показать всё Скрыть всё
Показать всё Скрыть всё