0
ETI    SIEMENS    ABB    WIKA    IFM    ELKO EP    HYUNDAI    VEGA    KSR KUEBLER    Johnson Controls    Siemens IA/DT (CA01)    Bosch Rexroth    Alfa Laval    SICK    Others  

S30A-6011EA

Код: 1023548
Связатся с нами: 067 285 7770

В корзину

Показать всё Скрыть всё

  • Характеристики
    ПрименениеПрименяется только в системной связи EFI, например с управлением безопасности Flexi Soft или другими лазерными сканерами безопасности S300 или S3000
    Диапазон защитного поля5,5 m
    Диапазон сигнального поля49 m (20 м при диффузном отражении 20 %)
    Диапазон измерения расстояний49 m
    Количество одновременно контролируемых защитных полей≤ 4 1)
    Тип блока поляТройные наборы полей, Двойные наборы полей
    Количество полей32 2) 3)
    Количество полей64
    Количество случаев контроля32 3)
    Угол сканирования190°
    Разрешение (конфигурируемое)30 mm, 40 mm, 50 mm, 70 mm, 150 mm
    Угловое разрешение0,5°, 0,25°, в зависимости от разрешения и дальности сканирования
    Оценка60 ms 4)
    Дополнение защитного поля100 mm
    Количество многократных оценок2 ... 16, настраивается
    Время задержки автоматического сброса2 s ... 60 s, настраивается
    • 1) Если одновременно контролируются несколько защитных полей, то сигналы отключения должны подаваться через безопасные выходы управления безопасности Flexi Soft или через надежный шлюз EFI.
    • 2) В режиме двойного поля 32, в режиме тройного поля 21 набор полей.
    • 3) Рабочие характеристики дистанционных устройств аналогичны параметрам главного устройства. Если система состоит только из удаленных устройств, подключенных к одному партнерскому устройству EFI, доступны 16 двойных наборов полей или 10 тройных наборов полей, а также 32 ситуации контроля. Для переключения между ситуациями контроля необходимо использовать статические или динамические вводы партнерского устройства EFI.
    • 4) В зависимости от базового времени отклика и многократной оценки.
  • Параметры техники безопасности
    ТипТип 3 (IEC 61496-1)
    Класс надежности

    SIL2 (IEC 61508)

    SILCL2 (EN 62061)

    КатегорияКатегория 3 (EN ISO 13849)
    Уровень производительностиPL d (EN ISO 13849)
    PFHd (средняя вероятность опасного отказа в час)8,0 x 10-8 (EN ISO 13849)
    TM (заданная продолжительность работы)20 лет (EN ISO 13849)
    Безопасное состояние в случае возникновения ошибкиКак минимум, один выход OSSD находится в состоянии AUS (ВЫКЛ.).
  • Функции
    Блокировка повторного запуска
    Контроль внешних устройств (EDM)
    Многократная оценка
    Переключение вида контроля
    Синхронный контроль
    Статическое переключение защитного поля
    Динамическое переключение защитного поля
    Контур как база
    Встроенное конфигурационное запоминающее устройство
    Выдача результатов измерений
    Безопасная связь между устройствами SICK посредством EFI/SDL
  • Электрические данные
    Класс защитыII (EN 50178)
    Напряжение питания UV24 V DC (16,8 V DC ... 28,8 V DC)
    Потребление тока

    ≤ 0,8 A 1)

    ≤ 2,3 A 2)

    Выходы
    Предохранительные выходы (устройство переключения выходного сигнала OSSD)2 x 500 mA
    Диагностические выходы3 x 100 mA 3)
    • 1) При 24 ВDC без выходной нагрузки.
    • 2) При 24 В пост. тока с максимальной выходной нагрузкой.
    • 3) Программируются произвольно, например, сигнальное поле, предупреждение о загрязнении, требование сброса.
  • Механические данные
    Размеры (Ш x В x Г)155 mm x 185 mm x 160 mm
    Вес3,3 kg
    Материал корпусаАлюминиевое литье
    Цвет корпусаRAL 1021 (ярко-желтый)
    Материал переднего стеклаPolycarbonat
    Поверхность фронтального стеклаПокрытие внешней стороны устойчиво к царапинам
  • Данные окружающей среды
    Тип защитыIP65 (EN 60529)
    Диапазон рабочих температур–10 °C ... +50 °C
    Температура хранения–25 °C ... +50 °C
    Виброустойчивость5 g, 10 Hz ... 150 Hz (IEC 61496-1, IEC 61496-3)
    Ударопрочность10 g, 16 ms (IEC 61496-1, IEC 61496-3)
  • Прочие данные
    Вид излученияПульсирующий лазерный диод
    Длина волны905 nm
    Фиксируемое диффузное отражение1,8 % ... > 1.000 %, Отражатели
    Класс лазера1 (21 CFR 1040.10 и 1040.11, IEC 60825-1)
  • Классификации
    ECl@ss 5.027272705
    ECl@ss 5.1.427272705
    ECl@ss 6.027272705
    ECl@ss 6.227272705
    ECl@ss 7.027272705
    ECl@ss 8.027272705
    ECl@ss 8.127272705
    ECl@ss 9.027272705
    ETIM 5.0EC002550
    ETIM 6.0EC002550
    UNSPSC 16.090139121528
Показать всё Скрыть всё

Технические чертежи

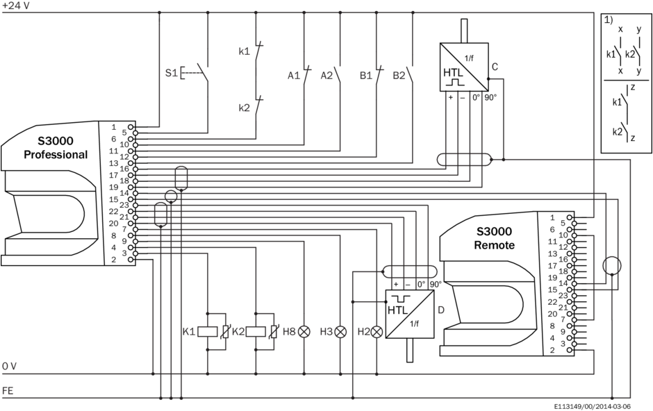
Габаритный чертеж Пример схемы подключения Переключение защитного поля между двумя S3000 посредством статических и динамических входов Вид: Галерея Список Показать всё Скрыть всё
Показать всё Скрыть всё