0
ETI    SIEMENS    ABB    WIKA    IFM    ELKO EP    HYUNDAI    VEGA    KSR KUEBLER    Johnson Controls    Siemens IA/DT (CA01)    Bosch Rexroth    Alfa Laval    SICK    Others  

S10B-9011DA

Код: 1042267
Связатся с нами: 067 285 7770

В корзину

Показать всё Скрыть всё

  • Характеристики
    ВерсияShort Range
    Область примененияIndoor
    Источник светаИнфракрасный (905 nm)
    Класс лазера1, соответствует 21 CFR 1040.10 и 1040.11, за исключением различий согласно «Laser Notice № 50» от 24 июня 2007 г. (IEC 60825-1:2014, EN 60825-1:2014)
    Угол раскрытия270°
    Частота сканирования25 Hz
    Угловое разрешение

    0,5°

    Рабочая область0 m ... 10 m
    Дальность сканирования при яркости 10 %4,5 m
  • Производительность
    Распознаваемая форма объектаПрактически любая (диаметр: 30, 40, 50, 70, 150 мм (на выбор))
    Встроенное приложениеАнализ полей
    Количество полей16 Пары полей (32 поля)
    Одновременная обработка случаев1 (2 поля)
  • Интерфейсы
    Последовательный✔ , RS-232
    CANopen
    Переключающие входы5 (4 x IN, Режим готовности)
    Переключающие выходы5 (Q1, Q2, Ǭ1, Ǭ2, Диагностика)
    Оптическая индикация1 7-сегментный индикатор (Предупреждение о загрязнении, Состояние выхода)
  • Механика/электроника
    Электрическое подключение1 x Системный разъем с блоком винтовых зажимов (принадлежности)
    Рабочее напряжение16,8 V DC ... 30 V DC
    Потребляемая мощность8 W
    Выходной ток≤ 250 mA
    Цвет корпусаЧерный (RAL 9005)
    Тип защитыIP65 (EN 60529, раздел 14.2.5)
    Класс защитыII (VDE 0106, EN50178)
    Вес1,2 kg, без соединительных кабелей
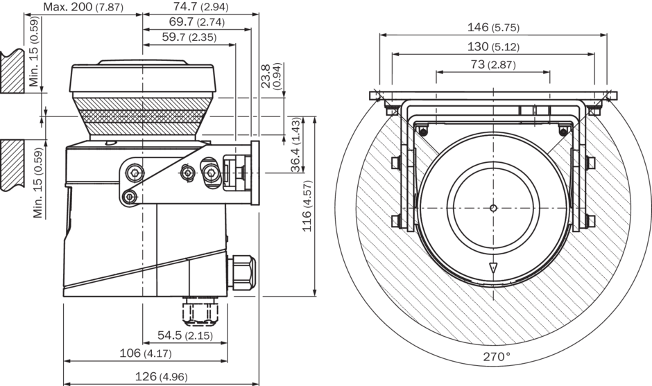
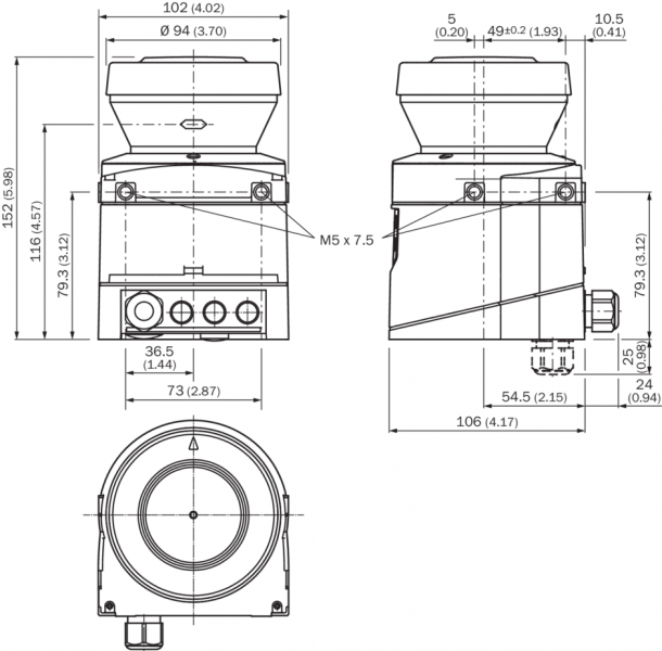
    Размеры (Д x Ш x В)105 mm x 102 mm x 152 mm
  • Данные окружающей среды
    Диффузное отражение1,8 % ... > 1.000 % (Отражатели)
    Электромагнитная совместимость (ЭМС)EN 61000-6-2:2005-08
    ВиброустойчивостьIEC 60068-2-6:2007-12
    УдаропрочностьIEC 60068-2-29
    Диапазон рабочих температур–10 °C ... +50 °C
    Температура хранения–30 °C ... +70 °C
  • Общие указания
    Указание по применениюДатчик не является оборудованием для обеспечения безопасности в определении действующих норм безопасности в области машиностроения.
  • Классификации
    ECl@ss 5.027270990
    ECl@ss 5.1.427270990
    ECl@ss 6.027270913
    ECl@ss 6.227270913
    ECl@ss 7.027270913
    ECl@ss 8.027270913
    ECl@ss 8.127270913
    ECl@ss 9.027270913
    ETIM 5.0EC002550
    ETIM 6.0EC002550
    UNSPSC 16.090146171620
Показать всё Скрыть всё

Технические чертежи

Габаритный чертеж Лазерный сканер Габаритный чертеж Источник уровня сканирования Диаграмма рабочих зон Вид: Галерея Список Показать всё Скрыть всё
Показать всё Скрыть всё