Показать всё Скрыть всё
- Характеристики
| Цилиндрический корпус | T-образный паз |
| Цилиндрические корпусы с адаптером | Цилиндр с профилированным штоком Цилиндр с затянутым на поршень штоком Круглый цилиндр Цилиндр с пазом в виде ласточкина хвоста SMC-шина CDQ2 SMC-шина ECDQ2 |
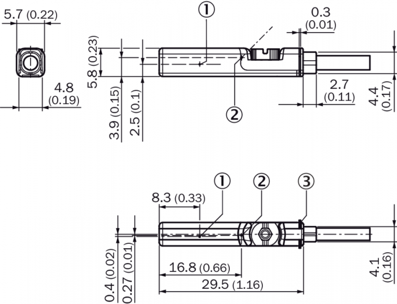
| Длина корпуса | 29,5 mm |
| Переключающий выход | Геркон |
| Частота переключения | ± 400 Hz |
| Функция выхода | Нормально открытый |
| Электрическое исполнение | Перем./пост. ток, 2-проводной |
| Тип защиты | IP65, IP67 1) |
| Кабельный отвод | Осевая |
- Механика/электроника
| Напряжение питания | 5 V AC/DC ... 30 V AC/DC 1) |
| Падение напряжения | ≤ 3,5 V |
| Постоянный ток Ia | ≤ 100 mA 2) |
| Мощность переключения | ≤ 6 W |
| Класс защиты | III |
| Чувствительность срабатывания тип. | 3 mT |
| Переход через крайнее положение тип. | 10 mm |
| Воспроизводимость | ≤ 0,1 mT 3) |
| Светодиод коммутационного состояния | ✔ |
| Диапазон температур при работе | –30 °C ... +80 °C |
| Ударопрочность и виброустойчивость | 30 г, 11 мс/10…55 Гц, 1 мм |
| ЭМС | Согласно EN 60947-5-2 |
| Материал корпуса | Пластик |
| Тип подключения | Кабель, 2-жильный, 5 m |
| Материал кабеля | Полиуретан |
| Сечение провода | 0,14 mm² |
| № файла UL | NRKH.E181493 & NRKH7.E181493 |
- Классификации
| ECl@ss 5.0 | 27270104 |
| ECl@ss 5.1.4 | 27270104 |
| ECl@ss 6.0 | 27270104 |
| ECl@ss 6.2 | 27270104 |
| ECl@ss 7.0 | 27270104 |
| ECl@ss 8.0 | 27270104 |
| ECl@ss 8.1 | 27270104 |
| ECl@ss 9.0 | 27270104 |
| ETIM 5.0 | EC002544 |
| ETIM 6.0 | EC002544 |
| UNSPSC 16.0901 | 39122230 |
Показать всё Скрыть всё Технические чертежи
Схема соединений cd-037
Принцип действия
Габаритный чертеж 10 V AC/DC ... 30 V AC/DC
Вид: Галерея Список Показать всё Скрыть всё Показать всё Скрыть всё