0
ETI    SIEMENS    ABB    WIKA    IFM    ELKO EP    HYUNDAI    VEGA    KSR KUEBLER    Johnson Controls    Siemens IA/DT (CA01)    Bosch Rexroth    Alfa Laval    SICK    Others  

RE13-SA05

Код: 1062011
Связатся с нами: 067 285 7770

В корзину

Показать всё Скрыть всё

  • Характеристики
    Часть системыДатчик и пускатель
    Принцип работы датчикаМагнитный
    Количество нормально открытых контактов2
    Количество нормально закрытых контактов0
    Количество сигнальных контактов0
    Безопасное расстояние включения Sao7 mm
    Безопасное расстояние выключения Sar20 mm
    Активные сенсорные поверхности1
    Направления включения3
  • Параметры техники безопасности
    Значение B10d2 x 107 циклов срабатывания
    Тип конструкцииТип конструкции 4 (EN ISO 14119)
    Степень кодирования пускателяНевысокая степень кодирования (EN ISO 14119)
    Безопасное состояние в случае возникновения ошибкиВыключатель не имеет внутренней функции обнаружения ошибок и в случае неисправности не может перейти в безопасное состояние. Обнаружение ошибок осуществляется с помощью подключенного логического блока, направленного на обеспечение безопасности.
  • Интерфейсы
    Тип подключенияКабель
    Длина кабеля5 m
    Материал кабеляПВХ
  • Электрические данные
    Тип выходаГерконы
    Напряжение переключения≤ 30 V DC
    Ток переключения≤ 100 mA
  • Механические данные
    Тип корпусаПрямоугольный
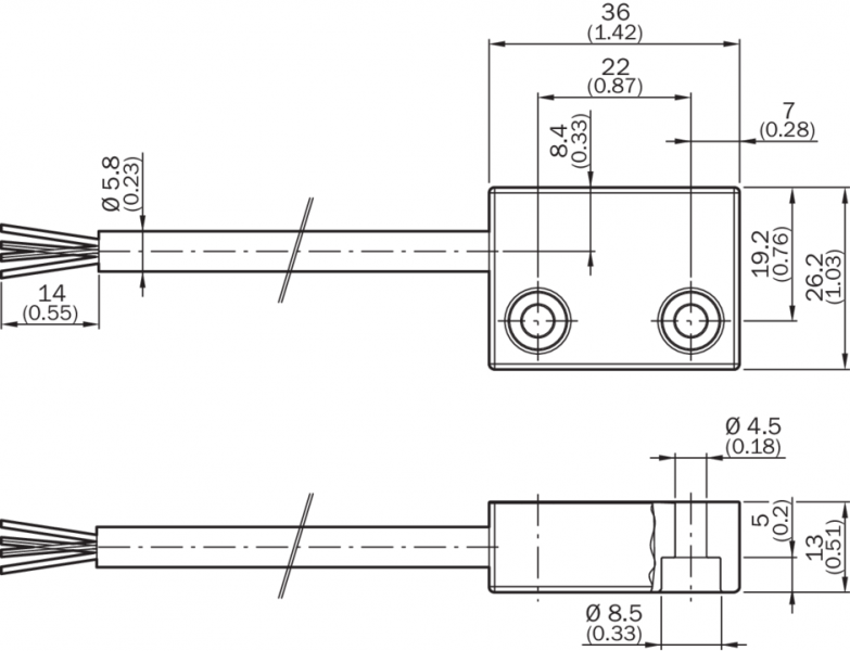
    Размеры (Ш x В x Г)26 mm x 36 mm x 13 mm
    Вес0,3 kg
    Материал корпусаПФС, армированный стекловолокном
  • Данные окружающей среды
    Тип защитыIP67 (IEC 60529)
    Диапазон рабочих температур–20 °C ... +60 °C
    Температура хранения–20 °C ... +60 °C
    Виброустойчивость10 Hz ... 55 Hz, 1 mm (EN 60947-5-3)
    Ударопрочность30 g, 11 ms (EN 60947-5-3)
  • Классификации
    ECl@ss 5.027272402
    ECl@ss 5.1.427272402
    ECl@ss 6.027272402
    ECl@ss 6.227272402
    ECl@ss 7.027272402
    ECl@ss 8.027272402
    ECl@ss 8.127272402
    ECl@ss 9.027272402
    ETIM 5.0EC002544
    ETIM 6.0EC002544
    UNSPSC 16.090139122205
Показать всё Скрыть всё

Технические чертежи

Габаритный чертеж Область срабатывания Схема соединений REx3: схема разъема датчика (штекер M8) Характеристика сигнала датчика Вид: Галерея Список Показать всё Скрыть всё
Показать всё Скрыть всё