0
ETI    SIEMENS    ABB    WIKA    IFM    ELKO EP    HYUNDAI    VEGA    KSR KUEBLER    Johnson Controls    Siemens IA/DT (CA01)    Bosch Rexroth    Alfa Laval    SICK    Others  

RAS407-2801000

Код: 1072142
Связатся с нами: 067 285 7770

В корзину

Показать всё Скрыть всё

  • Характеристики
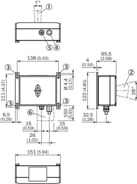
    Принцип измеренияFMCW HF
    Разрешение на эксплуатацию радиооборудованияЕвропа 1)
    Диапазон частот24 ГГц ... 24,25 ГГц 2)
    Угол раскрытия7° x 28° (конус)
    Рабочая область0,2 m ... 20 m
    • 1) Без Великобритании и Франции.
    • 2) Возможны отклонения в соответствии с национальными предписаниями.
  • Производительность
    Оценка< 0,5 s
    Встроенное приложениеПредотвращение столкновений
    Количество полей3 поля
  • Интерфейсы
    USB
    ФункцияНастройка
    Переключающие выходы3 (Реле)
  • Механика/электроника
    Электрическое подключение1 x Кабель с открытым концом
    Рабочее напряжение10 V DC ... 30 V DC
    Потребляемая мощность8 W
    Цвет корпусаСерый
    Тип защитыIP65
    Класс защитыIII 1)
    Вес580 g
    Размеры (Д x Ш x В)101 mm x 151 mm x 60 mm
    • 1) При использовании блоков питания SELV или PELV.
  • Данные окружающей среды
    Электромагнитная совместимость (ЭМС)ETSI EN 301 489-1 / ETSI EN 301 489-3
    Виброустойчивость

    EN 60068-2-6

    EN 60068-2-64

    УдаропрочностьEN 60068-2-27
    Диапазон рабочих температур–20 °C ... +60 °C
    Температура хранения–20 °C ... +60 °C
  • Классификации
    ECl@ss 5.027270890
    ECl@ss 5.1.427270890
    ECl@ss 6.027270890
    ECl@ss 6.227270890
    ECl@ss 7.027270890
    ECl@ss 8.027270890
    ECl@ss 8.127270890
    ECl@ss 9.027270890
    ETIM 5.0EC001825
    ETIM 6.0EC001825
    UNSPSC 16.090139121528
Показать всё Скрыть всё

Технические чертежи

Габаритный чертеж RAS407-28010xx Зона распознавания RAS407 Вид: Галерея Список Показать всё Скрыть всё
Показать всё Скрыть всё