0
ETI    SIEMENS    ABB    WIKA    IFM    ELKO EP    HYUNDAI    VEGA    KSR KUEBLER    Johnson Controls    Siemens IA/DT (CA01)    Bosch Rexroth    Alfa Laval    SICK    Others  

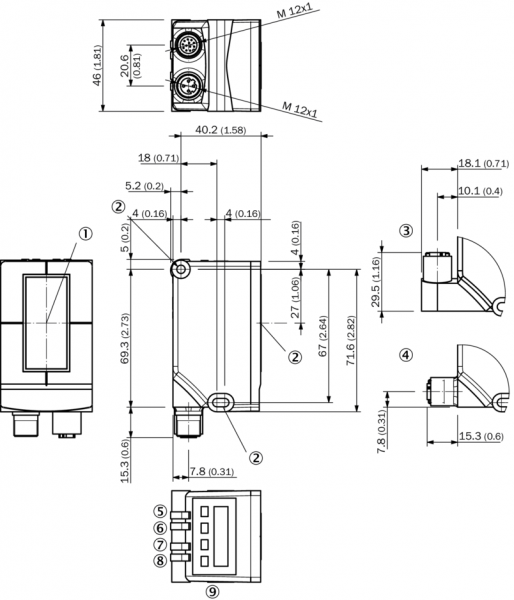
PS30M-P1212

Код: 1081930
Связатся с нами: 067 285 7770

В корзину

Показать всё Скрыть всё

  • Характеристики
    Размеры (Ш x В x Г)46 mm x 77 mm x 46 mm
    Дистанция обнаружения20 mm
    Допуск области сканирования± 2,5 mm
    Форма корпуса (выход света)Прямоугольный
    Рабочая область0 mm ... 34 mm
    Источник светаСветодиод, белый 1)
    Длина волны400 nm ... 700 nm
    Размер светового пятна65 mm x 3 mm
    Воспроизводимость

    0,1 mm 2)

    0,3 mm 3)

    Макс. скорость перемещения10 m/s
    Настройка

    Обучение в режиме «Запуск-остановка»

    Обучение в режиме «Запуск-длина»

    Длина изображения (мин.)≥ 15 mm
    Длина изображения (макс.)≤ 1.000 mm
    Высота изображения (мин.)≥ 10 mm
    Допуск на горизонтальное смещение± 5 mm
    • 1) Средний срок службы: 100 000 ч при TU = +25 °C.
    • 2) При 3 м/с.
    • 3) При 10 м/с.
  • Механика/электроника
    Напряжение питания12 V DC ... 30 V DC 1)
    Остаточная пульсация≤ 5 Vss 2)
    Потребляемая мощность< 6 W 3)
    Переключающий выходPNP
    Дискретный выход (напряжение)PNP: HIGH = UV – ≤ 2 В/LOW < 0,5 В
    Выход состоянияPNP: HIGH = UV – ≤ 2 В/LOW < 0,5 В 4)
    Выходной ток Iмакс.< 100 mA 5)
    Вход, настройка (ET)PNP: Teach: U = 12 V ... < UV, Run: U < 2 V
    Вход, вход гашения (AT)PNP: погашено: U = 12 В… < Uv, со свободным ходом: U < 2 В 6)
    Время инициализации< 10 s
    Время накопления (ET)≥ 6 с, энергонезависимое сохранение
    Нечувствительность ко внешним источникам света30.000 lx
    Класс защитыIII
    Схемы защиты

    Uв-подключения с защитой от переполюсовки

    Выход Q с защитой от короткого замыкания

    Подавление импульсных помех

    Тип защитыIP65
    Вес325 g
    Материал корпусаМеталл
    Разрешение энкодера100 µm ... 600 µm (в 1 мкм)
    Вход энкодераДифференциально: 4,5–5,5 В/TTL/RS-422, Однопроводной: 12–30 В/HTL/противофазный
    • 1) Предельные значения при работе в защищенной от короткого замыкания сети макс. 8 А.
    • 2) Не допускается превышение или занижение допуска Uv.
    • 3) Без нагрузки.
    • 4) Подробное описание индикации статуса в руководстве по эксплуатации.
    • 5) Сумма Iout = Q + Q status.
    • 6) Гашение идентичных областей изображения.
  • Данные окружающей среды
    Диапазон температур при работе–10 °C ... +55 °C
    Диапазон температур при хранении–20 °C ... +75 °C
    Устойчивость к сотрясениямСогласно IEC 60068
    № файла ULNRKH.E181493 & NRKH7.E181493
  • Классификации
    ECl@ss 5.027270906
    ECl@ss 5.1.427270906
    ECl@ss 6.027270906
    ECl@ss 6.227270906
    ECl@ss 7.027270906
    ECl@ss 8.027270906
    ECl@ss 8.127270906
    ECl@ss 9.027270906
    ETIM 5.0EC001820
    ETIM 6.0EC001820
    UNSPSC 16.090139121528
Показать всё Скрыть всё

Технические чертежи

Габаритный чертеж Схема соединений cd-320 Вид: Галерея Список Показать всё Скрыть всё
Показать всё Скрыть всё