0
ETI    SIEMENS    ABB    WIKA    IFM    ELKO EP    HYUNDAI    VEGA    KSR KUEBLER    Johnson Controls    Siemens IA/DT (CA01)    Bosch Rexroth    Alfa Laval    SICK    Others  

PHT-RB010S540S0AMS0Z

Код: 6039317
Связатся с нами: 067 285 7770

В корзину

Показать всё Скрыть всё

  • Характеристики
    СредаЖидкая, газообразная
    Тип давления:Относительное давление
    Диапазон измерения0 bar ... 10 bar
    Рабочая температура–20 °C ... +150 °C
    Выходной сигнал4 мА ... 20 мА, 2-проводной
    Сертификат EHEDG
  • Производительность
    Нелинейность≤ ± 0,2 %, интервала (Best Fit Straight Line, BFSL) согласно IEC 61298-2
    Точность≤ ± 0,5 % интервала
    Неповторяемость результатов измерений≤ ± 0,1 % интервала
    Время настройки (10–90 %)≤ 10 ms
    Долговременный дрейф/стабильность за год работы≤ 0,2 % интервала
    Температурные коэффициенты в диапазоне номинальных температурСредний ТК нулевой точки: ≤ 0,2 % интервала/10 К для диапазонов измерения от 0–0,6 бар до 0–25 бар, Средний ТК нулевой точки: ≤ 0,25 % интервала/10 К для диапазона измерения 0–0,4 бар, Средний ТК нулевой точки: ≤ 0,4 % интервала/10 К для диапазона измерения 0–0,25 бар, Средний ТК интервала ≤ 0,2 % интервала /10 К
    Диапазон номинальных температур0 °C ... +80 °C
  • Механика/электроника
    Технические подключенияКонический штуцер (DIN 11851) DN 40 с пазовой накидной гайкой
    Материалы, соприкасающиеся со средойНержавеющая сталь 1.4435
    Внутренняя передаваемая жидкостьСинтетическое масло, соответствующее требованиям FDA
    Материал корпусаНержавеющая сталь 1.4571
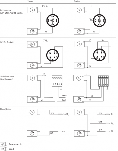
    Тип подключенияКруглый штекерный соединитель M12 x 1, 4-контактный, IP67
    Напряжение питания

    10–30 В DC

    14–30 В DC при выходном сигнале 0–10 В

    11 В DC ... 30 В DC при выходном сигнале 4 мА ... 20 мА и полевом корпусе

    Электробезопасность

    Защита от перенапряжения: 36 В DC

    Устойчивость к короткому замыканию: QA относительно M

    Защита от инверсии полярности: L+ относительно M

    Класс защиты: III

    Пропадание напряжения питания500 V DC, Напряжение питания NEC Class 02 (низкое напряжение и низкий ток макс. 100 ВА также в аварийном состоянии)
    Соответствие требованиям ЕСДиректива ЕС по электромагнитной совместимости: 2004/108/EC, EN 61326-2-3
    Вес датчикаОк. 500 g
    УплотнениеБез уплотнения
    Тип защитыIP67
    Класс защиты III
  • Данные окружающей среды
    Температура окружающей среды–20 °C ... +80 °C
    Температура хранения–40 °C ... +100 °C
    Устойчивость к сотрясениям500 g согласно IEC 60068-2-27 (механические удары)
    Устойчивость к вибрации15 g согласно IEC 60068-2-6 (вибрации при резонансе)
  • Классификации
    ECl@ss 5.027200614
    ECl@ss 5.1.427200614
    ECl@ss 6.027200614
    ECl@ss 6.227200614
    ECl@ss 7.027200614
    ECl@ss 8.027200614
    ECl@ss 8.127200614
    ECl@ss 9.027200614
    ETIM 5.0EC002476
    ETIM 6.0EC002476
    UNSPSC 16.090141112410
Показать всё Скрыть всё

Технические чертежи

Габаритный чертеж Корпус с круглым штекерным соединителем M12 x 1, IP67 Габаритный чертеж Конический штуцер (DIN 11851) с накидной шлицевой гайкой Тип подключения Вид: Галерея Список Показать всё Скрыть всё
Показать всё Скрыть всё