0
ETI    SIEMENS    ABB    WIKA    IFM    ELKO EP    HYUNDAI    VEGA    KSR KUEBLER    Johnson Controls    Siemens IA/DT (CA01)    Bosch Rexroth    Alfa Laval    SICK    Others  

PFG05-E1KM0160

Код: 1060971
Связатся с нами: 067 285 7770

В корзину

Показать всё Скрыть всё

  • Производительность
    Длина измерения0 m ... 1,25 m
    Воспроизводимость≤ 0,2 mm 1) 2)
    Линейность≤ ± 2 mm 1) 3)
    Гистерезис≤ 0,4 mm 1) 4)
    Разрешение (трос + энкодер)0,06 mm 5) 6)
    • 1) Значение относится к тросовому механизму.
    • 2) Воспроизводимостью или точностью воспроизведения называется максимальный разброс по отношению к одной точке значений определения положения, выполненное последовательно в одном направлении и в одинаковых условиях.
    • 3) Точность в тросовых энкодерах обозначается в основном с помощью понятия линейности. Она указывает, с каким максимальным отклонением можно измерить определенный участок. В отличие от воспроизводимости здесь речь идет о выполненном диапазоне измерений, а не о точке позиционирования.
    • 4) Гистерезис — это максимальный разброс по отношению к одной точке значений определения положения, выполненное последовательно из разных направлений и в одинаковых условиях.
    • 5) Отображаемые значения являются округленными.
    • 6) Пример расчета для PFG08 с HTL/push pull: 230 мм (длина вытянутого троса на один оборот, см. информацию о механических параметрах) : 16 384 (импульсов на один оборот) = 0,014 мм (разрешение комбинации троса и энкодера).
  • Интерфейсы
    ЭнкодерыИнкрементальные энкодеры
    Электрический интерфейсHTL
    Тип подключенияКабель, 8-жильный, универсальный, 1,5 m
  • Электрические данные
    Максимальная частота выходного сигнала≤ 300 kHz
    Базовый сигнал, положение90°, электрические, логические соединения с A и B
    Базовый сигнал, количествоЭлектрические, логические соединения с A и B
    Максимальный ток нагрузки≤ 30 mA
    Время инициализации≤ 3 ms 1) 1)
    Напряжение питания7 V ... 30 V
    Потребляемая мощность0,5 W
    MTTFd: время до опасного выхода из строя600 лет 2) 3)
    • 1) После истечения этого времени можно считывать действительные положения.
    • 2) Данный продукт является стандартным изделием, а не предохранительным устройством, в соответствии с директивой по машиностроению. Расчет на основе номинальной нагрузки компонентов, средней температуры окружающей среды 40 °C, частота применения 8760 ч./год. Все выходы из строя электрических систем рассматриваются как опасные выходы из строя. Более подробная информация приведена в документе № 8015532.
    • 3) Значение относится только к встроенному энкодеру.
  • Механические данные
    Вес (включая энкодер)230 g
    Вес (механика)80 g
    Материал, измерительный тросСтальной гибкий многопроволочный провод, нержавеющая сталь 1.4401 в оболочке V4A/PA
    Вес (измерительный трос)0,58 g/m
    Материал, корпус тросового механизмаПластик, Noryl
    Длина вытянутого троса на один оборот150 mm
    Усилие возвратной пружины1 N ... 1,4 N 1)
    Срок службы тросового механизмаTyp. 1 Млн циклов 2) 3)
    Фактическая длина вытянутого троса1,45 m
    Диаметр измерительного троса0,45 mm
    Ускорение троса10 m/s²
    Скорость регулирующего воздействия4 m/s
    Установленный энкодерDBS36 Core
    Количество импульсов на один оборот2.500
    Артикул энкодера1064246
    Установленный механизмMRA-G055-101D4
    Артикул механизма5324019
    • 1) Эти значения измеряются при температуре окружающей среды 25 °C. При других значениях температуры могут иметь место отклонения.
    • 2) Один цикл состоит из размотки и намотки троса.
    • 3) Срок службы зависит от типа нагрузки. Влияющие факторы: условия окружающей среды, условия установки, используемый диапазон измерений, скорость перемещения, а также ускорение.
  • Данные окружающей среды
    ЭМСПо EN 61000-6-2 и EN 61000-6-3 (класс A)
    Класс защиты корпуса энкодераIP65
    Класс защиты механизмаIP50
    Ударопрочность100 g, 6 ms (согласно EN 60068-2-27)
    Диапазон частоты вибростойкости20 g, 10 Hz ... 2.000 Hz (согласно EN 60068-2-6)
    Диапазон рабочих температур (энкодер)–30 °C ... +70 °C
    Диапазон рабочих температур (механизм)–30 °C ... +70 °C
    Диапазон рабочих температур (комбинация)Определяется через самое высокое минимальное и самое низкое максимальное значение диапазона рабочих температур энкодера и механизма
    Относительная влажность воздуха/образование конденсата90 % (Образование конденсата на оптических сканирующих элементах не допускается)
  • Классификации
    ECl@ss 5.027270590
    ECl@ss 5.1.427270590
    ECl@ss 6.027270590
    ECl@ss 6.227270590
    ECl@ss 7.027270590
    ECl@ss 8.027270590
    ECl@ss 8.127270590
    ECl@ss 9.027270590
    ETIM 5.0EC001486
    ETIM 6.0EC001486
    UNSPSC 16.090141112113
Показать всё Скрыть всё

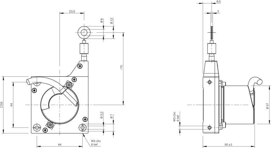
Технические чертежи

Габаритный чертеж Схема контактов Вид: Галерея Список Показать всё Скрыть всё
Показать всё Скрыть всё