0
ETI    SIEMENS    ABB    WIKA    IFM    ELKO EP    HYUNDAI    VEGA    KSR KUEBLER    Johnson Controls    Siemens IA/DT (CA01)    Bosch Rexroth    Alfa Laval    SICK    Others  

PBSH-RB010SHGEED5A0Z

Код: 6051863
Связатся с нами: 067 285 7770

В корзину

Показать всё Скрыть всё

  • Характеристики
    СредаЖидкая, газообразная
    Тип давления:Относительное давление
    Диапазон измерения0 bar ... 10 bar
    Устойчивость к перегрузке2-кратная
    Рабочая температура–20 °C ... +125 °C, +150 °C макс. в течение 1 ч
    Максимальная нагрузка RA≤ 0,5 kΩ
    Коррекция нулевой точкиМакс. + 3 % интервала
    Выходной сигнал2 x PNP + 4 mA ... 20 mA
    Поворот корпуса

    Дисплей по отношению к корпусу с электрическим разъемом: 330°

    Корпус по отношению к технологическому соединению: 320°

    Дисплей

    14-сегментный светодиодный, синего цвета, 4-разрядный, высота цифр 9 мм, электронный поворот на 180°

    Точность: ≤ 1 % интервала ± 1 разряд

    Обновление: 1000, 500, 200, 100 мс (программируется)

  • Производительность
    Нелинейность≤ ± 0,5 %, интервала (Best Fit Straight Line, BFSL) согласно IEC 61298-2
    Точность≤ ± 1 % интервала
    Точность настройки дискретных выходов≤ ± 0,5 % интервала
    Время переходного процесса3 ms
    Долговременный дрейф/стабильность за год работы≤ ± 0,2 % интервала согласно IEC 61298-2
    Температурные коэффициенты в диапазоне номинальных температурТипичный ТК нулевой точки: в диапазоне температур 0–20 °C: 0,7 % интервала / 10 K. В диапазоне температур 20–80 °C: 0,2 % интервала / 10 K. Типичный ТК интервала: в диапазоне температур 0–80 °C: 0,1 % интервала / 10 K
    Диапазон номинальных температур0 °C ... +80 °C
  • Механика/электроника
    Технические подключенияG 1 гигиеничн. заподлицо
    Материалы, соприкасающиеся со средойНержавеющая сталь 1.4435 / 316L
    Внутренняя передаваемая жидкостьМедицинское белое масло, соответствующее требованиям FDA согласно CFR 172.878 и 21 CFR 178.3620(a), соответствующее требованиям USP, EP и JP
    Материал корпусаНижняя часть: нержавеющая сталь 304, Верхняя часть из пластика: PC + ABS, Кнопки: TPE-E, Экранное стекло: PC
    Тип подключенияКруглый штекерный соединитель M12 x 1, 5-контактный
    Напряжение питания15–35 В DC
    Потребление токаМакс. 70 мА
    Общее потребление токаМакс. 570 мА (вкл. ток переключения)
    Электробезопасность

    Класс защиты: III

    Защита от перенапряжения: 40 В DC

    Устойчивость к короткому замыканию: QA, Q1, Q2 относительно M

    Защита от инверсии полярности: L+ относительно M

    Напряжение развязки500 V DC
    Соответствие требованиям ЕСДиректива ЕС по электромагнитной совместимости: 2004/108/EC, EN 61326-2-3
    УплотнениеКонтактирующие со средой: EPDM
    Тип защитыIP65 / IP67
    Класс защиты III
  • Данные окружающей среды
    Температура окружающей среды–20 °C ... +80 °C
    Температура хранения–20 °C ... +80 °C
    Относительная влажность воздуха45 % ... 75 %
    Устойчивость к сотрясениям50 g согласно IEC 60068-2-27 (механические удары)
    Устойчивость к вибрации10 g согласно IEC 60068-2-6 (вибрации при резонансе)
  • Классификации
    ECl@ss 5.027371814
    ECl@ss 5.1.427371814
    ECl@ss 6.027371814
    ECl@ss 6.227371814
    ECl@ss 7.027371814
    ECl@ss 8.027371814
    ECl@ss 8.127371814
    ECl@ss 9.027371814
    ETIM 5.0EC000243
    ETIM 6.0EC000243
    UNSPSC 16.090141112409
Показать всё Скрыть всё

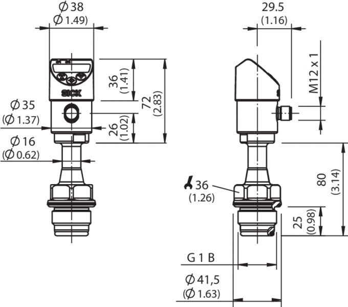
Технические чертежи

Габаритный чертеж G 1 гигиеническая Тип подключения Круглый штекерный соединитель M12 x 1, 5-контактный Вид: Галерея Список Показать всё Скрыть всё
Показать всё Скрыть всё