0
ETI    SIEMENS    ABB    WIKA    IFM    ELKO EP    HYUNDAI    VEGA    KSR KUEBLER    Johnson Controls    Siemens IA/DT (CA01)    Bosch Rexroth    Alfa Laval    SICK    Others  

PAC50-DCB

Код: 1062990
Связатся с нами: 067 285 7770

В корзину

Показать всё Скрыть всё

  • Характеристики
    СредаСухой сжатый воздух
    Тип давления:Относительное давление
    Диапазон измерения0 bar ... 10 bar
    Рабочая температура0 °C ... +60 °C
    Аналоговый выходной сигнал и допустимая нагрузка RA

    Опционально, 4–20 мА / 0–10 В. Автоматическое переключение в зависимости от подключенной нагрузки или жесткая настройка. Инвертируемые выходные сигналы: 20–4 мА / 10–0 В

    Сопротивление нагрузки для выхода по току < 600 Ом

    Сопротивление нагрузки для выхода по напряжению > 3 кОм

    Коррекция нулевой точкиМакс. + 5 % интервала
    Выходной сигналPNP/NPN/Push-Pull + 4–20 мА / 0–10 В
    Дисплей

    ЖК-дисплей с фоновой светодиодной подсветкой (цвет зеленый/красный), электронный, поворот на 180°

    Индикация давления: 4 разряда, 16 сегментов

    Единица измерения переключается на индикаторе: бар, МПа, кПа, psi и inHg

    Обновление: 1000, 500, 200, 100 мс (программируется)

    Время инициализации300 ms
  • Производительность
    Нелинейность≤ ± 0,5 %, интервала (Best Fit Straight Line, BFSL) согласно IEC 61298-2
    Точность≤ ± 1,5 % интервала
    Точность настройки дискретных выходов≤ ± 0,2 % интервала
    Неповторяемость результатов измерений≤ ± 0,2 % интервала
    Диапазон номинальных температур+10 °C ... +60 °C
  • Механика/электроника
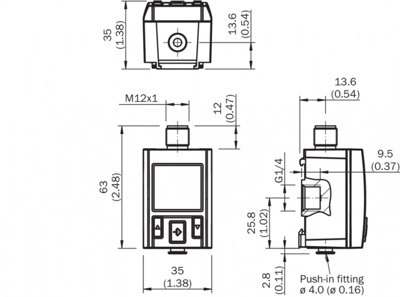
    Технические подключенияPIF 4 mm + G ¼ 1)
    Материал корпусаКорпус: поликарбонат, Кнопки: TPE, Крепление на монтажной рейке: POM, Уплотнения: NBR
    Тип подключенияКруглый штекерный соединитель M12 x 1, 4-контактный
    Напряжение питания17–30 В DC
    Потребление токаМакс. 40 мА при L+ = 24 В DC
    Электробезопасность

    Класс защиты: III

    Защита от перенапряжения: 32 В DC

    Устойчивость к короткому замыканию: QA, Q1, Q2 относительно M и L+

    Защита от инверсии полярности: L+ относительно M

    Соответствие требованиям ЕСДиректива ЕС по электромагнитной совместимости: 2004/108/EC, EN 61326-2-3
    Вес датчикаОк. 40 g
    Тип защитыIP65 / IP67 (согласно IEC 60529) 2)
    Класс защиты III
    Сертификат RoHS
    Сертификат cRUus
    • 1) Нижняя сторона: быстроразъемный фитинг для пневматического шланга 4 мм, обратная сторона: внутренняя резьба G ¼ согласно DIN ISO 16030.
    • 2) Во вставленном состоянии с подходящей ответной частью.
  • Данные окружающей среды
    Температура окружающей среды0 °C ... +60 °C
    Температура хранения–20 °C ... +80 °C
    Относительная влажность воздуха≤ 90 %
    Устойчивость к сотрясениямМакс. 30 g, xyz, согласно DIN EN 60068-2-27 (11 мс, механический удар)
    Устойчивость к вибрацииМакс. 5 g (10–150 Гц), xyz, согласно DIN EN 60068-2-6
  • Классификации
    ECl@ss 5.027371814
    ECl@ss 5.1.427371814
    ECl@ss 6.027371814
    ECl@ss 6.227371814
    ECl@ss 7.027371814
    ECl@ss 8.027371814
    ECl@ss 8.127371814
    ECl@ss 9.027371814
    ETIM 5.0EC000243
    ETIM 6.0EC000243
    UNSPSC 16.090141112409
Показать всё Скрыть всё

Технические чертежи

Габаритный чертеж Нижняя сторона: быстроразъемный фитинг на 4-мм пневматический шланг, обратная сторона: внутр. резьба G ¼ Тип подключения Круглый штекерный соединитель M12 x 1, 4-контактный Инструкции по монтажу Вид: Галерея Список Показать всё Скрыть всё
Показать всё Скрыть всё