0
ETI    SIEMENS    ABB    WIKA    IFM    ELKO EP    HYUNDAI    VEGA    KSR KUEBLER    Johnson Controls    Siemens IA/DT (CA01)    Bosch Rexroth    Alfa Laval    SICK    Others  

Оптоволоконный кабель

Код: E20384
Связатся с нами: 067 285 7770

В корзину

Характеристики
Датчик диффузного отражения
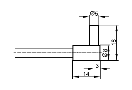
Ø 5 mm
Диапазон 12 mm
Тип подключения оптоволокна к волоконно-оптическому усилителю OGF
Диапазон контроля
Диапазон OGF: 12 mm
Условия эксплуатации
Температура окружающей среды [°C]-20...80
Механические данные
Исполнение угловой
Длина [mm]600
Мин. радиус изгиба [mm]20,
расположение оптических волокон
Оптоволокно-световод стекло
Чувствительная головка алюминий
Кожух PVC (поливинилхлорид); адаптер : PPO
Вес [kg]0,059
Принадлежности
Принадлежности (входят в комплект) E10221
Примечания
Упаковочная величина [штука]1