0
ETI    SIEMENS    ABB    WIKA    IFM    ELKO EP    HYUNDAI    VEGA    KSR KUEBLER    Johnson Controls    Siemens IA/DT (CA01)    Bosch Rexroth    Alfa Laval    SICK    Others  

OPR20G-RB517537A01

Код: 1072051
Связатся с нами: 067 285 7770

В корзину

Показать всё Скрыть всё

  • Характеристики
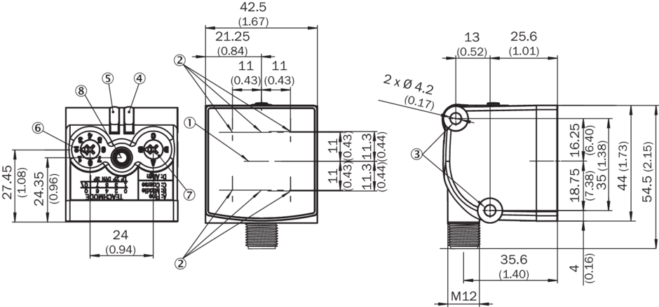
    Размеры (Ш x В x Г)42,5 mm x 44 mm x 43,4 mm
    Принцип работы датчикаТехнология Delta-S®
    Дистанция обнаружения50 mm
    Допуск области сканирования± 5 mm
    Форма корпуса (выход света)Прямоугольный
    Допуск по углу± 5°
    Минимальный размер детектируемого объекта (MDO)12 x 14 mm
    Источник светаСветодиод, красный 1)
    Длина волны640 nm
    Размер светового пятна10 mm x 12 mm
    Скорость объекта, макс.2 m/s 2)
    ЧувствительностьТочная, средняя, грубая
    НастройкаПотенциометр, Кабель, IO-Link, Кнопка настройки (Чувствительность (Q, Q/, калибровка), counter reset, Настройка) 3)
    Метод настройки

    1-точечная настройка статическая

    2-точечная настройка статическая

    2-точечная настройка динамическая

    3-точечная настройка статическая

    • 1) Средний срок службы: 100 000 ч при TU = +25 °C.
    • 2) Минимальный размер объекта.
    • 3) HIGH = > UV — 2 В/LOW = открыто или < 2 В.
  • Интерфейсы
    Функции IO-Link

    Стандартные функции

    Расширенные функции

    Расширенные функцииВысокоскоростные счетчики
    Полевая шина, промышленная шинаIO-Link
    Тип интеграции в шинуИнтегрирована в датчик
  • Механика/электроника
    Напряжение питания10 V DC ... 30 V DC 1)
    Остаточная пульсация≤ 5 Vss 2)
    Потребление тока< 150 mA 3)
    Частота переключения500 Hz 4)
    Оценка1 ms 5)
    Неустойчивость500 µs
    Количество переключающих выходов2 (Q1, Q2)
    Дискретный выход (напряжение)Push/Pull (High: VS - 3 V, Low: < 3 V)
    Выходной ток Iмакс.< 100 mA 6)
    Время готовности< 2,5 s
    Задержка включения0 s ... 30 s
    Задержка выключения0 s ... 30 s
    Длительность импульса≤ 30 s
    Тип подключенияРазъем M12, 5-конт.
    Нечувствительность ко внешним источникам света> 50 klx
    Схемы защиты

    A 7)

    C 8)

    D 9)

    Класс защитыIII
    Тип защитыIP67
    Вес130 g
    Материал корпусаABS
    • 1) Предельные значения при работе в защищенной от короткого замыкания сети макс. 8 А.
    • 2) Не допускается превышение или занижение допуска Uv.
    • 3) Без нагрузки.
    • 4) При соотношении светло/темно 1:1.
    • 5) Продолжительность сигнала при омической нагрузке.
    • 6) Суммарный ток Q1/Q2.
    • 7) А = подключения UV с защитой от переполюсовки.
    • 8) C = подавление импульсных помех.
    • 9) D = выходы с защитой от короткого замыкания.
  • Данные окружающей среды
    Диапазон температур при работе–10 °C ... +55 °C
    Диапазон температур при хранении–25 °C ... +75 °C
    Устойчивость к сотрясениямСогласно EN 60068-2-27, Одинарный удар (30 г/11 мс), Длительные удары (25 г/11 мс)
    № файла ULNRKH.E181493
  • Классификации
    ECl@ss 5.027270906
    ECl@ss 5.1.427270906
    ECl@ss 6.027270906
    ECl@ss 6.227270906
    ECl@ss 7.027270906
    ECl@ss 8.027270906
    ECl@ss 8.127270906
    ECl@ss 9.027270906
    ETIM 5.0EC001820
    ETIM 6.0EC001820
    UNSPSC 16.090139121528
  • Интерфейс связи
    Интерфейс связи

    IO-Link V1.0

    IO-Link V1.1

    Коммуникационный интерфейс, детальное описаниеCOM2 (38,4 kBaud)
    Время цикла2,3 ms
    Длина технологических данных16 Bit
    Структура технологических данных

    Бит 0 = дискретный сигнал QL1

    Бит 1 = дискретный сигнал QL2

    Бит 2 ... 15 = численное значение

Показать всё Скрыть всё

Технические чертежи

Габаритный чертеж Схема соединений cd-281 Вид: Галерея Список Показать всё Скрыть всё
Показать всё Скрыть всё