0
ETI    SIEMENS    ABB    WIKA    IFM    ELKO EP    HYUNDAI    VEGA    KSR KUEBLER    Johnson Controls    Siemens IA/DT (CA01)    Bosch Rexroth    Alfa Laval    SICK    Others  

OD1-B100H50I14

Код: 6050511
Связатся с нами: 067 285 7770

В корзину

Показать всё Скрыть всё

  • Характеристики
    Объект измеренияЕстественные объекты
  • Производительность
    Диапазон измерения50 mm ... 150 mm
    Точность воспроизведения20 µm 1) 2)
    Линейность± 100 µm 3) 4)
    Оценка≥ 2 ms 5)
    Частота измерения≤ 2 kHz
    Источник светаЛазер, красный
    Класс лазера1 (IEC 60825-1:2014, EN 60825-1:2014) 6)
    Тип. размер светового пятна (расстояние)700 µm x 600 µm (100 mm)
    Доп. функцияУстановка среднего значения 1 … 512x, автоматическая или ручная регулировка чувствительности, обучаемые аналоговые выходы, обучаемые дискретные выходы, инвертируемый дискретный выход, Режим переключения: окно (Wnd), Режим переключения: расстояние до объекта (DtO), Режим переключения: объект между датчиком и фоном (ObSB), Многофункциональный вход (MF): отключение лазера / внешнее обучение / триггер
    • 1) Установка среднего значения: 512.
    • 2) Постоянные условия окружающей среды.
    • 3) Измерение на 90 % отражения (керамика, белая).
    • 4) Для оптимального действия дать устройству прогреться в течение 5 минут.
    • 5) При фиксированной чувствительности и среднем значении = 1. При автоматической чувствительности и частоте измерения 500 мкс: время отклика 2 ... 7,5 мкс/при частоте измерения 1000 мкс: время отклика 4 ... 15 мс.
    • 6) Длина волны: 655 нм, макс. мощность: 390 мкВт (класс лазера 1) / < 1 мВт (класс лазера 2).
  • Интерфейсы
    Аналоговый выход1 x 4 mA ... 20 mA (≤ 300 Ω)
    Многофункциональный вход (MF)1 x 1)
    • 1) MF может использоваться для отключения лазера, как триггер, для внешнего обучения или может быть деактивирован.
  • Механика/электроника
    Напряжение питания UVDC 12 В (–5 %) ... DC 24 В (+10 %)
    Потребляемая мощность≤ 1,92 W 1)
    Время на разогрев≤ 5 min
    Материал корпусаНержавеющая сталь
    Материал переднего окнаPPSU
    Тип подключенияРазъем, M8, 4-контактный
    ИндикацияЧетырехразрядный 7-сегментный дисплей (а также 4 светодиода для индикации состояния)
    Элементы управления4 кнопки
    Вес70 g
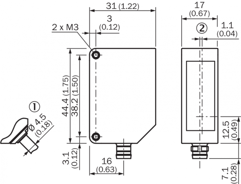
    Габариты44,4 mm x 31 mm x 17 mm
    Тип защитыIP67
    Класс защитыIII
    • 1) Без нагрузки, с аналоговым выходным током.
  • Данные окружающей среды
    Рабочий диапазон температур–10 °C ... +40 °C
    Диапазон температур при хранении–20 °C ... +60 °C
    Мин. отн. влажность воздуха (без образования конденсата)35 %
    Макс. отн. влажность воздуха (без образования конденсата)95 %
    Температурный дрейф± 0,08 % FS/K (FS = Full Scale = диапазон измерения датчика)
    Тип. невосприимчивость к постороннему свету

    Искусственное освещение: ≤ 3.000 lx

    Солнечный свет: ≤ 10.000 lx

    Виброустойчивость10 Hz ... 55 Hz (амплитуда 1,5 мм, оси x, y, z по 2 часа каждая)
    Ударопрочность50 G (оси x, y, z по 3 раза каждая)
  • Общие указания
    ПримечаниеМогут присутствовать вещества, ослабляющие адгезию лакокрасочных покрытий.
  • Классификации
    ECl@ss 5.027270801
    ECl@ss 5.1.427270801
    ECl@ss 6.027270801
    ECl@ss 6.227270801
    ECl@ss 7.027270801
    ECl@ss 8.027270801
    ECl@ss 8.127270801
    ECl@ss 9.027270801
    ETIM 5.0EC001825
    ETIM 6.0EC001825
    UNSPSC 16.090141111613
Показать всё Скрыть всё

Технические чертежи

Габаритный чертеж Корпус из нержавеющей стали тип подключения схема соединений варианты настройки Размер светового пятна OD Mini Prime 50 mm ... 150 mm Линейность Вид: Галерея Список Показать всё Скрыть всё
Показать всё Скрыть всё