0
ETI    SIEMENS    ABB    WIKA    IFM    ELKO EP    HYUNDAI    VEGA    KSR KUEBLER    Johnson Controls    Siemens IA/DT (CA01)    Bosch Rexroth    Alfa Laval    SICK    Others  

MZT7-03VNS-KR0

Код: 1070823
Связатся с нами: 067 285 7770

В корзину

Показать всё Скрыть всё

  • Характеристики
    Цилиндрический корпусT-образный паз
    Цилиндрические корпусы с адаптером

    Цилиндр с профилированным штоком

    Цилиндр с затянутым на поршень штоком

    Круглый цилиндр

    Цилиндр с пазом в виде ласточкина хвоста

    SMC-шина CDQ2

    SMC-шина ECDQ2

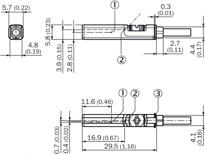
    Длина корпуса29,5 mm
    Переключающий выходNPN
    Частота переключения1.000 Hz
    Функция выходаНормально открытый
    Электрическое исполнениеПост. ток, 3-проводный
    Тип защитыIP65, IP67 1)
    Кабельный отводОсевая
    • 1) Согласно EN 60529.
  • Механика/электроника
    Напряжение питания10 V DC ... 30 V DC 1)
    Потребление тока≤ 8 mA 2)
    Падение напряжения≤ 2 V
    Постоянный ток Ia≤ 100 mA
    Класс защитыIII
    Чувствительность срабатывания тип.3 mT
    Переход через крайнее положение тип.10 mm
    Гистерезис тип.< 0,8 mT
    Воспроизводимость≤ 0,1 mT 3)
    Светодиод коммутационного состояния
    Защита от инверсии полярности
    Защита от короткого замыкания
    Диапазон температур при работе–30 °C ... +80 °C
    Ударопрочность и виброустойчивость30 г, 11 мс/10…55 Гц, 1 мм
    ЭМССогласно EN 60947-5-2
    Материал корпусаПластик
    Тип подключенияКабель с разъемом M8, 3-конт., с гайкой с накаткой, 0,5 m
    Материал кабеляПолиуретан
    Сечение провода0,14 mm²
    № файла ULNRKH.E181493 & NRKH7.E181493
    • 1) Предельные значения при работе в защищенной от короткого замыкания сети макс. 8 А.
    • 2) Без нагрузки.
    • 3) Ub и Ta постоянны.
  • Классификации
    ECl@ss 5.027270104
    ECl@ss 5.1.427270104
    ECl@ss 6.027270104
    ECl@ss 6.227270104
    ECl@ss 7.027270104
    ECl@ss 8.027270104
    ECl@ss 8.127270104
    ECl@ss 9.027270104
    ETIM 5.0EC002544
    ETIM 6.0EC002544
    UNSPSC 16.090139122230
Показать всё Скрыть всё

Технические чертежи

Схема соединений cd-002 Принцип действия Габаритный чертеж Вид: Галерея Список Показать всё Скрыть всё
Показать всё Скрыть всё