0
ETI    SIEMENS    ABB    WIKA    IFM    ELKO EP    HYUNDAI    VEGA    KSR KUEBLER    Johnson Controls    Siemens IA/DT (CA01)    Bosch Rexroth    Alfa Laval    SICK    Others  

MRS1104C-111011

Код: 1081208
Связатся с нами: 067 285 7770

В корзину

Показать всё Скрыть всё

  • Характеристики
    Область примененияOutdoor
    Источник светаИнфракрасный (850 nm)
    Класс лазера1 (IEC 60825-1:2014, EN 60825-1:2014)
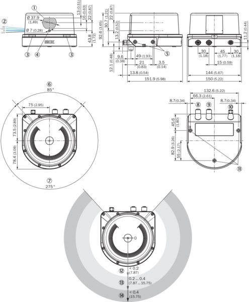
    Угол раскрытия
    Горизонтальный275°
    Вертикально7,5° (более 4 плоскостей измерения)
    Частота сканирования50 Hz, 4 x 12,5 Гц
    Угловое разрешение0,25°
    ОбогревСамонагрев
    Рабочая область0,2 m ... 64 m
    Дальность сканирования
    При диффузном отражении 10 %16 m
    При коэффициенте диффузного отражения 90 %30 m
    Размер пятна10,4 mrad x 8,7 mrad
    Количество обрабатываемых эхосигналов3
  • Производительность
    Частота развертки/регенерации изображения55 000 ... 165 000 точек измерения/с
    Оценка

    4 слоя, typ. 20 ms 1)

    80 мс (1 слой), typ. 80 ms

    Систематическая ошибка± 60 mm
    Статистическая ошибка≤ 30 mm
    Встроенное приложениеВстроенный анализ полей с гибкими полями на 4 уровнях, Вывод данных
    Количество полейДо 24 полей
    Одновременная обработка случаев6
    Фильтр

    Туманный фильтр

    Сажевый фильтр

    Фильтр среднего значения

    Медианный фильтр

    Оценка нулевой точки земли

    • 1) В зависимости от размеров объекта.
  • Интерфейсы
    Ethernet✔ , TCP/IP, UDP/IP
    ФункцияHost, OPC, NTP, вывод результатов измерений (расстояние, RSSI)
    Скорость передачи данных10/100 Мбит/с
    Оптическая индикацияLEDs
    Конфигурационное ПОSOPAS ET, веб-сервер (индикация)
  • Механика/электроника
    Электрическое подключениеЦилиндрический соединитель M12 (D-кодир., выровнен) с поворотным блоком подключения
    Рабочее напряжение10 V ... 30 V
    Потребляемая мощность≤ 13 W, пусковой период макс. 30 Вт за 1 с
    КорпусAlMG4,5
    Цвет корпусаСерый (RAL 7042)
    Тип защитыIP65, IP67 (IEC 60529:1989+AMD1:1999+AMD2:2013)
    Класс защитыIII
    Вес1,2 kg
    Размеры (Д x Ш x В)151,9 mm x 150 mm x 92,5 mm
  • Данные окружающей среды
    Диффузное отражение2 % ... > 1.000 % (Отражатель)
    Электромагнитная совместимость (ЭМС)

    EN 61000-6-1 (2007-10)

    EN 61000-6-2:2005-08

    EN 61000-6-4 (2007-01) + A1 (2011)

    ВиброустойчивостьIEC 60068-2-6:2007
    УдаропрочностьIEC 60068-2-27:2008
    Диапазон рабочих температур–30 °C ... +50 °C
    Температура хранения–40 °C ... +75 °C
    Нечувствительность ко внешним источникам света80 klx
  • Общие указания
    Указание по применениюДатчик не является оборудованием для обеспечения безопасности в определении действующих норм безопасности в области машиностроения.
  • Классификации
    ECl@ss 5.027270990
    ECl@ss 5.1.427270990
    ECl@ss 6.027270913
    ECl@ss 6.227270913
    ECl@ss 7.027270913
    ECl@ss 8.027270913
    ECl@ss 8.127270913
    ECl@ss 9.027270913
    ETIM 5.0EC002550
    ETIM 6.0EC002550
    UNSPSC 16.090146171620
Показать всё Скрыть всё

Технические чертежи

Габаритный чертеж Диаграмма рабочих зон Диаграмма рабочих зон Тип подключения I/O Тип подключения Ethernet Тип подключения Power Вид: Галерея Список Показать всё Скрыть всё
Показать всё Скрыть всё