0
ETI    SIEMENS    ABB    WIKA    IFM    ELKO EP    HYUNDAI    VEGA    KSR KUEBLER    Johnson Controls    Siemens IA/DT (CA01)    Bosch Rexroth    Alfa Laval    SICK    Others  

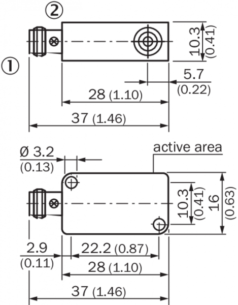
MQ10-60APS-KT0

Код: 7900280
Связатся с нами: 067 285 7770

В корзину

Показать всё Скрыть всё

  • Характеристики
    Тип корпусаПрямоугольный
    Размеры (Ш x В x Г)10,3 mm x 37 mm x 16 mm
    Расстояние срабатывания Sn5 mm ... 60 mm 1)
    Расстояние срабатывания обеспечено Sa48,6 mm
    Номинальная чувствительность срабатывания1 mT
    Частота переключения5.000 Hz
    Тип подключенияРазъем M8, 3-конт.
    Переключающий выходPNP
    Функция выходаНормально открытый
    Электрическое исполнениеПост. ток, 3-проводный
    Магнитное выравниваниеОсевая
    Тип защитыIP67 2)
    • 1) Расстояние срабатывания относительно установки в немагнитных материалах с магнитом MAG-3010-B (M4.0).
    • 2) Согласно EN 60529.
  • Механика/электроника
    Напряжение питания10 V DC ... 30 V DC
    Остаточная пульсация≤ 10 % 1)
    Падение напряжения≤ 1,5 V 2)
    Потребление тока≤ 5 mA 3)
    Задержка готовности≤ 2 ms
    Гистерезис1 % ... 10 %
    Воспроизводимость≤ 1 % 4)
    Отклонение температуры (от Sr)± 10 %
    ЭМССогласно EN 60947-5-2
    Постоянный ток Ia≤ 300 mA
    Защита от короткого замыкания✔ 5)
    Защита от инверсии полярности
    Подавление импульса включения
    Ударопрочность и виброустойчивость30 г, 11 мс/10…55 Гц, 1 мм
    Диапазон температур при работе–25 °C ... +75 °C
    Материал корпусаПластик, Полиамид
    Материал, активная поверхностьПластик
    • 1) От UV.
    • 2) При Ia max.
    • 3) Не задействован.
    • 4) От Sr, (UV и Ta пост.).
    • 5) Импульсная.
  • Классификации
    ECl@ss 5.027270104
    ECl@ss 5.1.427270104
    ECl@ss 6.027270104
    ECl@ss 6.227270104
    ECl@ss 7.027270104
    ECl@ss 8.027270104
    ECl@ss 8.127270104
    ECl@ss 9.027270104
    ETIM 5.0EC002544
    ETIM 6.0EC002544
    UNSPSC 16.090139122230
Показать всё Скрыть всё

Технические чертежи

Схема соединений cd-002 Расстояние срабатывания Габаритный чертеж MQ10, штекер Вид: Галерея Список Показать всё Скрыть всё
Показать всё Скрыть всё