0
ETI    SIEMENS    ABB    WIKA    IFM    ELKO EP    HYUNDAI    VEGA    KSR KUEBLER    Johnson Controls    Siemens IA/DT (CA01)    Bosch Rexroth    Alfa Laval    SICK    Others  

MLP1-SMMA0AC

Код: 1077943
Связатся с нами: 067 285 7770

В корзину

Показать всё Скрыть всё

  • Характеристики
    Принцип работы датчикаТранспондер
    Удерживающее усилие500 N
    Удерживающее усилие25 N
    Допуск на сдвиг≤ 5 mm
    Безопасное расстояние выключения Sar45 mm
    Только для защиты процесса
  • Параметры техники безопасности
    Класс надежностиSIL3 (IEC 61508), SILCL3 (EN 62061)
    КатегорияКатегория 4 (EN ISO 13849)
    Уровень производительностиPL e (EN ISO 13849) 1)
    PFHd (средняя вероятность опасного отказа в час)1,5 x 10-8 (EN ISO 13849) 2)
    TM (заданная продолжительность работы)20 лет (EN ISO 13849)
    Тип конструкцииТип конструкции 4 (EN ISO 14119)
    Степень кодирования пускателяНевысокая степень кодирования (EN ISO 14119)
    Безопасное состояние в случае возникновения ошибкиКак минимум один полупроводниковый выход безопасности (OSSD) находится в состоянии AUS (ВЫКЛ.).
    • 1) В одном каскаде уровень производительности каскада в целом уменьшается в зависимости от числа и вида устройств в этом каскаде. Применение РL e возможно только в каскадах с максимум 6 устройствами.
    • 2) При 40 °C и 1000 м исходной высоты над уровнем моря.
  • Интерфейсы
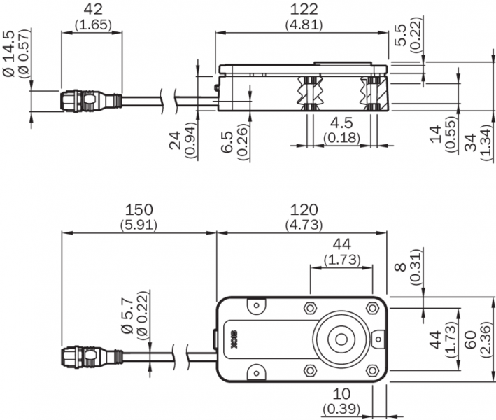
    Тип подключенияКабель с разъемом M12, 5-конт.
    Длина кабеля150 mm
    Материал кабеляПВХ
    Длина кабеля подключения≤ 140 m
  • Электрические данные
    Класс защитыIII (IEC 61140)
    Степень загрязнения3 (EN 60947-1)
    Классификация по cULusКласс 2
    Категория потребленияDC-13 (IEC 60947-5-1)
    Расчетное напряжение на изоляции Ui32 V
    Максимально допустимое импульсное напряжение Uimp1.500 V
    Напряжение питания Uv при подключении отдельного аварийного выключателя
    Датчик24 V DC (19,2 V DC ... 28,8 V DC)
    Магнит24 V DC (19,2 V DC ... 28,8 V DC)
    Напряжение питания Uv при подключении каскада
    Датчик24 V DC (22,8 V DC ... 28,8 V DC)
    Магнит24 V DC (21,6 V DC ... 28,8 V DC)
    Потребление тока
    Блокирующее устройство активно350 mA
    Блокирующее устройство неактивно50 mA
    Частота переключения≤ 0,5 Hz
    Тип выходаПолупроводниковый выход (OSSD)
    Выходной ток (устройство переключения выходного сигнала OSSD)≤ 100 mA
    Диагностический выход≤ 25 mA, защищено от короткого замыкания
    Емкость провода400 nF (при OUT A и OUT B)
    Оценка50 ms 1)
    Время разблокировки100 ms 1)
    Время риска100 ms 1)
    Задержка включения2,5 s
    Принцип запиранияПринцип нормально разомкнутой цепи
    • 1) В одном каскаде это значение умножается на число предохранительных выключателей в каскаде.
  • Механические данные
    Вес
    Выключатель510 g
    Пускатель210 g
    Материал
    Корпус датчикаАнодированный алюминий
    Корпус пускателяПВХ с армированием стекловолокном
    Анкерная плитаНикелированная сталь
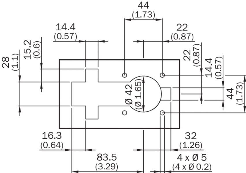
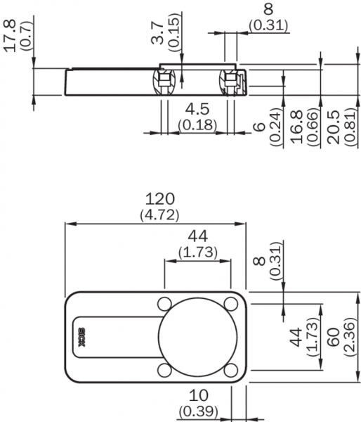
    Размеры (Ш x В x Г)
    Выключатель120 mm x 60 mm x 38,5 mm
    Пускатель120 mm x 60 mm x 20,5 mm
    Допуск на сдвиг
    Вертикально≤ 5 mm
    Горизонтальный≤ 5 mm
    Угол раскрытия≤ 3°
  • Данные окружающей среды
    Тип защитыIP67 (EN 60529)
    Диапазон рабочих температур–20 °C ... +55 °C
    Температура хранения–25 °C ... +70 °C
    Относительная влажность воздуха50 %, при 70 °C (IEC 60947-5-2)
    Виброустойчивость10 Hz ... 55 Hz, 1 mm (IEC 60068-2-6)
    Ударопрочность30 g, 11 ms (EN 60068-2-27)
    ЭМС

    EN IEC 61326-3-1

    EN IEC 60947-5-2

    EN IEC 60947-5-3

  • Классификации
    ECl@ss 5.027272603
    ECl@ss 5.1.427272603
    ECl@ss 6.027272603
    ECl@ss 6.227272603
    ECl@ss 7.027272603
    ECl@ss 8.027272603
    ECl@ss 8.127272603
    ECl@ss 9.027272603
    ETIM 5.0EC002593
    ETIM 6.0EC002593
    UNSPSC 16.090139122205
Показать всё Скрыть всё

Технические чертежи

Габаритный чертеж Датчик со штекером M12 Габаритный чертеж Пускатель Габаритный чертеж Углубление для монтажа Схема соединений Вид: Галерея Список Показать всё Скрыть всё
Показать всё Скрыть всё