0
ETI    SIEMENS    ABB    WIKA    IFM    ELKO EP    HYUNDAI    VEGA    KSR KUEBLER    Johnson Controls    Siemens IA/DT (CA01)    Bosch Rexroth    Alfa Laval    SICK    Others  

MICS3-ABAZ55IZ1P01

Код: 1082016
Связатся с нами: 067 285 7770

В корзину

Показать всё Скрыть всё

  • Характеристики
    Диапазон защитного поля5,5 m
    Диапазон сигнального поля40 m
    Количество одновременно контролируемых защитных полей≤ 4
    Количество полей8
    Количество случаев контроля8
    Угол сканирования275°
    Разрешение (конфигурируемое)30 mm, 40 mm, 50 mm, 70 mm, 150 mm, 200 mm
    Оценка≥ 95 ms
    Дополнение защитного поля65 mm
  • Параметры техники безопасности
    ТипТип 3 (IEC 61496-1)
    Класс надежности

    SIL2 (IEC 61508)

    SILCL2 (EN 62061)

    КатегорияКатегория 3 (EN ISO 13849)
    Уровень производительностиPL d (EN ISO 13849)
    PFHd (средняя вероятность опасного отказа в час)8,0 x 10-8 (EN ISO 13849)
    TM (заданная продолжительность работы)20 лет (EN ISO 13849)
    Безопасное состояние в случае возникновения ошибкиВыходы с поддержкой безопасности через сеть логически равны 0.
  • Функции
    Блокировка повторного запуска
    Многократная оценка
    Переключение вида контроля
    Синхронный контроль
    Статическое переключение защитного поля
    Надежное распознавание контуров
    Контур как база
    Встроенное конфигурационное запоминающее устройство
  • Интерфейсы
    Тип подключения
    Напряжение питания1 штекер M12, 4-контактный, А-кодированный
    Полевая шина, промышленная шина2 розетки M12, 4-контактные, D-кодирование
    Выходы
    Пары OSSD0
    Выходы с поддержкой безопасности через сеть4
    Тип конфигурацииПК с Safety Designer (конфигурационное и диагностическое программное обеспечение)
    Конфигурационный и диагностический интерфейсUSB 2.0, Mini-USB, Ethernet
    Полевая шина, промышленная шинаEtherNet/IP™
    ПротоколCIP Safety™
    Характеристики устройства

    Общий промышленный протокол: CIP сетевая библиотека том 1, выпуск 3.20

    EtherNet/IPTM: CIP сетевая библиотека том 2, выпуск 1:21

    CIP SafetyTM: CIP сетевая библиотека том 5, выпуск 2:13

    Интеграция через общий профиль или файл EDS

    10 МБ/с и 100 МБ/с согласно CIP сетевой библиотеке том 2, выпуск 1.21

    Поддержка топологииDLR (Device Level Ring)
    Элементы индикацииГрафический цветной дисплей, LEDs
  • Электрические данные
    Класс защитыIII (EN 61140)
    Напряжение питания UV24 V DC (16,8 V DC ... 30 V DC)
    Потребляемая мощность7 W (без выходной нагрузки)
  • Механические данные
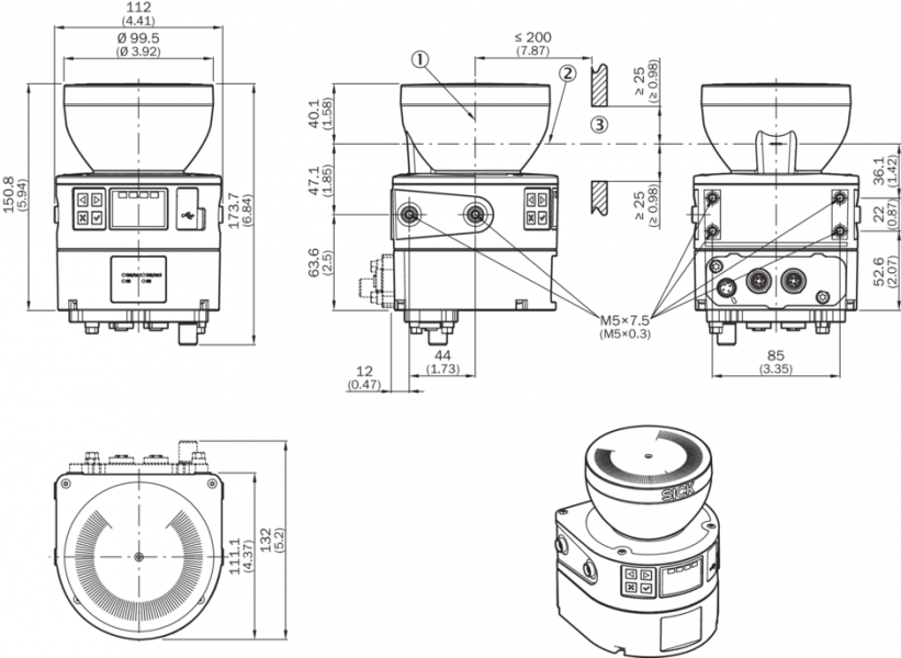
    Размеры (Ш x В x Г)112 mm x 150,8 mm x 111,1 mm (без системного разъема)
    Вес1,45 kg
    Материал корпусаАлюминий
    Цвет корпусаRAL 1021 (ярко-желтый), RAL 9005 (черный)
    Материал защитного экранаPolycarbonat
    Поверхность защитного экранаПокрытие внешней стороны устойчиво к царапинам.
  • Данные окружающей среды
    Тип защитыIP65 (IEC 60529)
    Нечувствительность ко внешним источникам света3.000 lx (IEC 61496-3)
    Диапазон рабочих температур–10 °C ... +50 °C
    Температура хранения–25 °C ... +70 °C
    Виброустойчивость0,35 mm, 10 Hz ... 60 Hz (IEC 60068-2-6, IEC 61496-1, CLC/TS 61496-3)5 g, 60 Hz ... 150 Hz (IEC 60068-2-6, IEC 61496-1, CLC/TS 61496-3)
    Ударопрочность10 g, 16 ms (IEC 60068-2-27, IEC 61496-3)
    ЭМС

    IEC 61496-1

    IEC 61000-6-2

    IEC 61000-6-4

  • Прочие данные
    Вид излученияПульсирующий лазерный диод
    Длина волны845 nm
    Фиксируемое диффузное отражение1,8 % ... более 1000 %
    Класс лазера1M (21 CFR 1040.10 и 1040.11, IEC 60825-1)
  • Классификации
    ECl@ss 5.027272705
    ECl@ss 5.1.427272705
    ECl@ss 6.027272705
    ECl@ss 6.227272705
    ECl@ss 7.027272705
    ECl@ss 8.027272705
    ECl@ss 8.127272705
    ECl@ss 9.027272705
    ETIM 5.0EC002550
    ETIM 6.0EC002550
    UNSPSC 16.090139121528
Показать всё Скрыть всё

Технические чертежи

Габаритный чертеж Вид: Галерея Список Показать всё Скрыть всё
Показать всё Скрыть всё