0
ETI    SIEMENS    ABB    WIKA    IFM    ELKO EP    HYUNDAI    VEGA    KSR KUEBLER    Johnson Controls    Siemens IA/DT (CA01)    Bosch Rexroth    Alfa Laval    SICK    Others  

LUT1B-31325

Код: 1027593
Связатся с нами: 067 285 7770

В корзину

Показать всё Скрыть всё

  • Характеристики
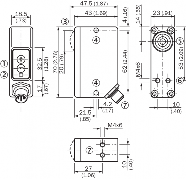
    Размеры (Ш x В x Г)23 mm x 70 mm x 47,5 mm
    Дистанция обнаружения50 mm 1)
    Форма корпуса (выход света)Прямоугольный
    Рабочая область15 mm ... 60 mm
    Источник светаСветодиод, синий 2)
    Длина волны470 nm
    Источник светаДлинная сторона
    Размер светового пятна5 mm x 5 mm
    Фильтрация приемаOG 590
    Область приема590 nm ... 750 nm
    НастройкаКнопка двойной настройки
    Функция выходного сигналаСВЕТЛО
    • 1) От передней кромки объектива.
    • 2) Средний срок службы: 100 000 ч при TU = +25 °C.
  • Механика/электроника
    Напряжение питания10 V DC ... 30 V DC 1)
    Остаточная пульсация< 5 Vss 2)
    Потребление тока< 40 mA 3)
    Частота переключения6 kHz 4)
    Оценка85 µs 5)
    Переключающий выходPNP, NPN
    Дискретный выход (напряжение)

    PNP: HIGH = UВ– ≤ 2 В/LOW прибл. 0 В

    NPN: HIGH = прибл. UВ/LOW ≤ 2 В

    Тип переключенияСВЕТЛО
    Выходной ток Iмакс.200 mA
    Тип подключенияРазъем M12, 5-конт.
    Класс защитыIII 6)
    Схемы защиты

    Uв-подключения с защитой от переполюсовки

    Выход Q с защитой от короткого замыкания

    Подавление импульсных помех

    Тип защитыIP67
    Вес240 g
    Материал корпусаЦинк, литье под давлением
    • 1) Предельные значения при работе в защищенной от короткого замыкания сети макс. 8 А.
    • 2) Не допускается превышение или занижение допуска Uv.
    • 3) Без нагрузки.
    • 4) При соотношении «светло/темно» 1:1, без временной задержки.
    • 5) Продолжительность сигнала при омической нагрузке.
    • 6) Расчетное напряжение постоянного тока 50 В.
  • Данные окружающей среды
    Диапазон температур при работе–20 °C ... +60 °C
    Диапазон температур при хранении–40 °C ... +70 °C
    Устойчивость к сотрясениямСогласно IEC 60068
  • Классификации
    ECl@ss 5.027270908
    ECl@ss 5.1.427270908
    ECl@ss 6.027270908
    ECl@ss 6.227270908
    ECl@ss 7.027270908
    ECl@ss 8.027270908
    ECl@ss 8.127270908
    ECl@ss 9.027270908
    ETIM 5.0EC001822
    ETIM 6.0EC001822
    UNSPSC 16.090139121528
Показать всё Скрыть всё

Технические чертежи

Габаритный чертеж Варианты настройки Тип подключения Схема соединений Дистанция обнаружения Размер светового пятна Вид: Галерея Список Показать всё Скрыть всё
Показать всё Скрыть всё