0
ETI    SIEMENS    ABB    WIKA    IFM    ELKO EP    HYUNDAI    VEGA    KSR KUEBLER    Johnson Controls    Siemens IA/DT (CA01)    Bosch Rexroth    Alfa Laval    SICK    Others  

LL3-DB07

Код: 5325988
Связатся с нами: 067 285 7770

В корзину

Показать всё Скрыть всё

  • Характеристики
    Тип устройстваОптоволоконный кабель
    Принцип работыСистема отражения от объекта
    Для оптоволоконного датчикаGLL170(T), WLL180T
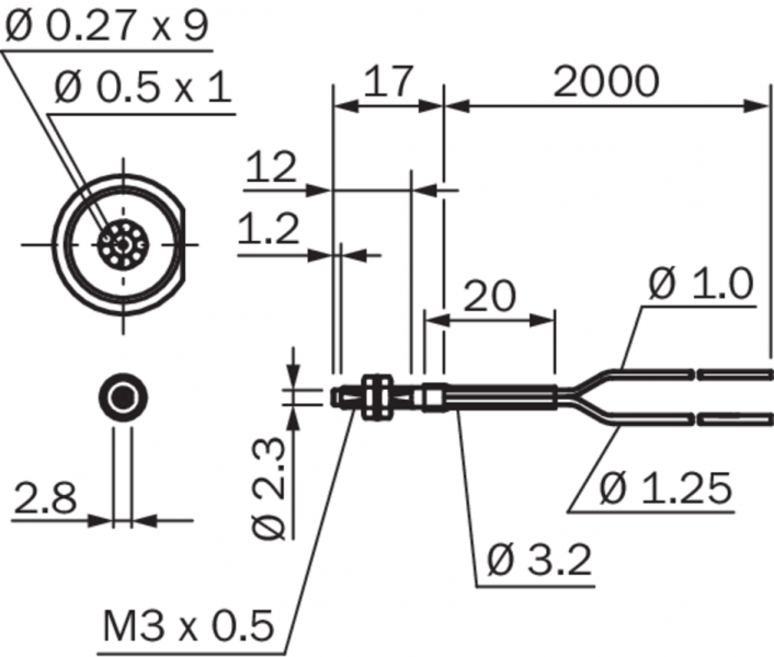
    Длина оптоволокна2 m
    Материал, волокноPolymethylmethacrylat (PMMA)
    Материал оболочкиPolyethylen (PE)
    Материал, головка оптоволоконного кабеляНержавеющая сталь
    Наружный диаметр, соединение кабелепровода оптоволоконного кабеля1 mm
    Оптоволоконный кабель, укорачиваемый✔ 1)
    Размер резьбыM3
    Форма головки оптоволоконного кабеляРезьбовая гильза
    Расположение волокнаКоаксиальное расположение
    Структура сердечникаS: Ø 0,5 mm, R: 9 x Ø 0,265 mm Коаксиальное расположение
    Радиус изгиба, оптоволоконный кабель25 mm
    Угол излучения < 60°Нет
    Совместимость с инфракрасным световым излучением (1450 нм)Нет
    Диапазон температур при работе–40 °C ... +60 °C
    Гибкое/эластичное волокно (радиус изгиба 1–4 мм)Нет
    Требуются переходные концевые гильзыДа
    Угол излучения60°
    Встроенная линзаНет
    Минимальный диаметр объекта0,02 mm 2)
    Входит в комплект поставкиКрепление, 2 x шестигранные гайки M3, 1 x подкладная шайба, переходные гильзы, 1 x переходная гильза BF-WLL160-10 (1,0 мм), 1 x переходная гильза BF-WLL160-13 (1,3 мм), устройство для резки оптоволоконных кабелей FC (5304141)
    Совместимость с насадочными линзамиДа
    • 1) В комплект поставки входит устройство для резки оптоволоконного кабеля FC.
    • 2) Наименьший распознаваемый объект был определен при оптимальном расстоянии измерения и оптимальной настройке.
  • Классификации
    ECl@ss 5.027270905
    ECl@ss 5.1.427270905
    ECl@ss 6.027270905
    ECl@ss 6.227270905
    ECl@ss 7.027270905
    ECl@ss 8.027270905
    ECl@ss 8.127270905
    ECl@ss 9.027270905
    ETIM 5.0EC002651
    ETIM 6.0EC002651
    UNSPSC 16.090139121528
  • Дальность сканирования с WLL180T
    Режим работы 16 мкс27 mm
    Режим работы 70 мкс88 mm
    Режим работы 250 мкс165 mm
    Режим работы 2 мс330 mm
    Режим работы 8 мс350 mm
  • Дальность сканирования с GLL170
    Режим работы 250 мкс90 mm
  • Дальность сканирования с GLL170T
    Режим работы 50 мкс50 mm
    Режим работы 250 мкс120 mm
Показать всё Скрыть всё

Технические чертежи

Габаритный чертеж LL3-DB07 Вид: Галерея Список Показать всё Скрыть всё
Показать всё Скрыть всё