Показать всё Скрыть всё
- Характеристики
| Среда | Жидкости |
| Способ измерения | Предельное значение, непрерывно |
| Конструкция | Стандарт |
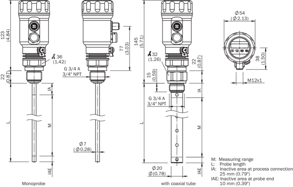
| Длина зонда | 230 mm |
| Рабочее давление | –1 bar ... 16 bar |
| Рабочая температура | –20 °C ... +150 °C |
| Сертификат UL | ✔ |
| Сертификат RoHS | ✔ |
| IO-Link | ✔ |
| Сертификат EHEDG | ✔ |
- Производительность
| Точность измерительного элемента | ± 5 mm |
| Воспроизводимость | ≤ 2 mm |
| Разрешение | < 2 mm |
| Оценка | < 400 ms 1) |
| Диэлектрическая постоянная | ≥ 5 в стержневом зонде ≥ 1,8 с коаксиальной трубой |
| Электропроводимость | Без ограничений |
| Неактивная область на техническом подключении | 25 mm 2) |
| Неактивная область на конце зонда | ≥ 10 mm 3) |
| Средняя наработка до отказа | 194,3 лет (EN ISO 13849-1) |
- Электрика
| Напряжение питания | 12 V DC ... 30 V DC 1) |
| Потребление тока | ≤ 75 mA при 24 ВDC без выходной нагрузки |
| Время инициализации | ≤ 2 s |
| Класс защиты | III |
| Тип подключения | Круглый штекерный соединитель M12 x 1, 5-контактный |
| Выходной сигнал | 1 x PNP + 1 x PNP/NPN + 4 mA ... 20 mA / 0 V ... 10 V |
| Выходная нагрузка | 4–20 мА < 500 Ом при Uv > 13,5 В, 4–20 мА < 400 Ом при Uv > 12 В, 0–10 В > 750 Ом при Uv 14 ≥ В |
| Гистерезис | Мин. 2 мм, свободная настройка |
| Сигнальное напряжение HIGH | Uv - 2 В |
| Сигнальное напряжение LOW | ≤ 2 В |
| Выходной ток | < 100 mA |
| Индуктивная нагрузка | < 1 H |
| Емкостная нагрузка | < 100 nF |
| Тип защиты | IP67: EN 60529, IP69K: ISO 20653 |
| Температурный дрейф | < 0,1 mm/K |
| Нижний уровень сигнала | 3,8 mA ... 4 mA, 0 V |
| Верхний уровень сигнала | 20 mA ... 20,5 mA, 10,5 V |
| ЭМС | EN 61326-2-3, 2014/30/EU |
- Механика
| Материалы, соприкасающиеся со средой | 1.4404 (Ra ≤ 0,8 мкм), PEEK |
| Технические подключения | G ¾ A |
| Материал корпуса | 1.4305 |
| Конструкция корпуса | Со смотровым стеклом из PMMA (акриловое стекло) |
| Макс. нагрузка на зонд | ≤ 6 Nm |
- Данные окружающей среды
| Диапазон температур при работе | –20 °C ... +60 °C |
| Диапазон температур при хранении | –40 °C ... +80 °C |
| Использование под открытым небом | Только с погодозащитным кожухом |
- Классификации
| ECl@ss 5.0 | 27371813 |
| ECl@ss 5.1.4 | 27371813 |
| ECl@ss 6.0 | 27371813 |
| ECl@ss 6.2 | 27371813 |
| ECl@ss 7.0 | 27371813 |
| ECl@ss 8.0 | 27371813 |
| ECl@ss 8.1 | 27371813 |
| ECl@ss 9.0 | 27371813 |
| ETIM 5.0 | EC001447 |
| ETIM 6.0 | EC001447 |
| UNSPSC 16.0901 | 41113710 |
Показать всё Скрыть всё Технические чертежи
Габаритный чертеж
Тип подключения Штекер M12, 5-контактный
Вид: Галерея Список Показать всё Скрыть всё Показать всё Скрыть всё