0
ETI    SIEMENS    ABB    WIKA    IFM    ELKO EP    HYUNDAI    VEGA    KSR KUEBLER    Johnson Controls    Siemens IA/DT (CA01)    Bosch Rexroth    Alfa Laval    SICK    Others  

LFH-SB1X6G1AS20SZ0

Код: 6040955
Связатся с нами: 067 285 7770

В корзину

Показать всё Скрыть всё

  • Характеристики
    СредаЖидкости
    Тип давления:Относительное давление
    Диапазон измерения0 bar ... 1,6 bar
    Рабочая температура–10 °C ... +50 °C
    Выходной сигнал4–20 мА, 2-проводной
    Длина кабеля20 m
  • Производительность
    Нелинейность≤ ± 0,2 %, интервала (Best Fit Straight Line, BFSL) согласно IEC 61298-2
    Точность≤ ± 0,5 % интервала
    Неповторяемость результатов измерений≤ ± 0,1 % интервала
    Долговременный дрейф/стабильность за год работы≤ ± 0,2 % интервала (при эталонных условиях)
    Температурные коэффициенты в диапазоне номинальных температурСредний ТК нулевой точки: ≤ 0,2 % интервала/10 К (< 0,4 % для диапазона измерений ≤ 0,25 бар), Средний ТК интервала ≤ 0,2 % интервала /10 К
    Диапазон номинальных температур0 °C ... +50 °C
  • Механика/электроника
    Материалы, соприкасающиеся со средой

    Корпус: хромоникелевая сталь

    Напорный патрубок / мембрана: хромоникелевая сталь

    Защитная крышка: PA (полиамид)

    Тип подключенияКабель PUR
    Напряжение питания

    10–30 В DC

    14–30 В DC при выходном сигнале 0–10 В (только с расширенным вариантом)

    Электробезопасность

    Класс защиты: III

    Устойчивость к короткому замыканию: QA относительно M

    Защита от инверсии полярности: L+ относительно M

    Защита от перенапряжения: согласно EN 61000-4-5 (1,5 J) опционально для расширенного варианта

    Пропадание напряжения питания500 V DC, Напряжение питания NEC Class 02 (низкое напряжение и низкий ток макс. 100 ВА также в аварийном состоянии)
    Соответствие требованиям ЕСДиректива ЕС по электромагнитной совместимости: 2014/30/EU, EN 61326-2-3
    Вес датчика0,18 kg
    Вес кабеля0,08 kg/m
    Тип защитыIP68
    Класс защиты III
  • Данные окружающей среды
    Температура хранения–30 °C ... +80 °C
  • Классификации
    ECl@ss 5.027200506
    ECl@ss 5.1.427200506
    ECl@ss 6.027200506
    ECl@ss 6.227200506
    ECl@ss 7.027200506
    ECl@ss 8.027200506
    ECl@ss 8.127200506
    ECl@ss 9.027200506
    ETIM 5.0EC001846
    ETIM 6.0EC001846
    UNSPSC 16.090141111950
Показать всё Скрыть всё

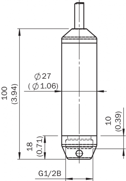
Технические чертежи

Габаритный чертеж Стандартный вариант (глубина погружения до 100 м) Вид: Галерея Список Показать всё Скрыть всё
Показать всё Скрыть всё