0
ETI    SIEMENS    ABB    WIKA    IFM    ELKO EP    HYUNDAI    VEGA    KSR KUEBLER    Johnson Controls    Siemens IA/DT (CA01)    Bosch Rexroth    Alfa Laval    SICK    Others  

LD-LRS2100

Код: 1029041
Связатся с нами: 067 285 7770

В корзину

Показать всё Скрыть всё

  • Характеристики
    ВерсияLong Range
    Область примененияOutdoor
    Источник светаИнфракрасный (905 nm)
    Класс лазера1 (IEC 60825-1:2014, EN 60825-1:2014)
    Угол раскрытия360°
    Частота сканирования5 Hz ... 10 Hz
    Угловое разрешение

    0,0625°

    0,125°

    0,25°

    0,5°

    1,5°

    ОбогревДа
    Рабочая область2,5 m ... 250 m
    Дальность сканирования при яркости 10 %80 m
  • Производительность
    Оценка≥ 100 ms
    Распознаваемая форма объектаПрактически любая
    Систематическая ошибка± 38 mm 1)
    Статистическая ошибка± 30 mm 1)
    Встроенное приложениеАнализ полей
    Количество полей4 поля
    Одновременная обработка случаев4
    • 1) Типичное значение, реальное значение зависит от условий окружающей среды.
  • Интерфейсы
    Ethernet✔ , TCP/IP
    Скорость передачи данных≤ 10 Mbit/s
    Последовательный✔ , RS-232
    Скорость передачи данных4,8 kBaud ... 115,2 kBaud
    CAN
    ПримечаниеСтандарт 2.0.A
    Скорость передачи данных10 kbit/s ... 1 Mbit/s
    Переключающие выходы4 (цифровые)
    Оптическая индикация0
  • Механика/электроника
    Электрическое подключение1 x 20-контактный штекер Harting
    Рабочее напряжение24 V DC, ± 15 %
    Потребляемая мощность36 W, + обогреватель 140 Вт
    КорпусPUR-IHS (интегральный пенополиуретан)
    Цвет корпусаСерый (RAL 7032)
    Тип защитыIP67
    Класс защитыIII
    Вес9,1 kg
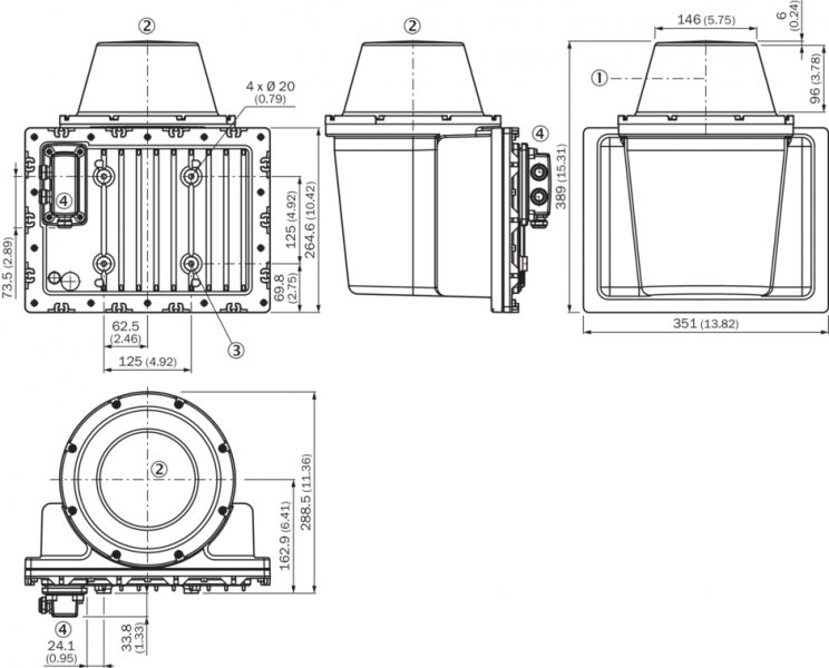
    Размеры (Д x Ш x В)250 mm x 350 mm x 391,1 mm
  • Данные окружающей среды
    Диапазон рабочих температур–25 °C ... +50 °C
    Температура хранения–25 °C ... +70 °C
  • Общие указания
    Указание по применениюДатчик не является оборудованием для обеспечения безопасности в определении действующих норм безопасности в области машиностроения.
  • Классификации
    ECl@ss 5.027270990
    ECl@ss 5.1.427270990
    ECl@ss 6.027270913
    ECl@ss 6.227270913
    ECl@ss 7.027270913
    ECl@ss 8.027270913
    ECl@ss 8.127270913
    ECl@ss 9.027270913
    ETIM 5.0EC002550
    ETIM 6.0EC002550
    UNSPSC 16.090146171620
Показать всё Скрыть всё

Технические чертежи

Dimensional drawing Вид: Галерея Список Показать всё Скрыть всё
Показать всё Скрыть всё