0
ETI    SIEMENS    ABB    WIKA    IFM    ELKO EP    HYUNDAI    VEGA    KSR KUEBLER    Johnson Controls    Siemens IA/DT (CA01)    Bosch Rexroth    Alfa Laval    SICK    Others  

LBV331-XXAGCTKMX01000

Код: 6044876
Связатся с нами: 067 285 7770

В корзину

Показать всё Скрыть всё

  • Характеристики
    СредаСыпучие материалы
    Способ измеренияПредельное значение
    Длина зонда1.000 mm
    Рабочее давление–1 bar ... 16 bar
    Рабочая температура–50 °C ... +150 °C
    Плотность загружаемого материала≥ 0,02 g/cm³
  • Производительность
    Точность измерительного элемента± 10 mm
    Воспроизводимость≤ 5 mm
    Оценка500 мс при покрытии / 1000 мс при освобождении
  • Электрика
    Остаточная пульсация≤ 5 Vss
    Потребление тока< 10 mA
    Время инициализации< 2 s
    Класс защиты 2 по VDE
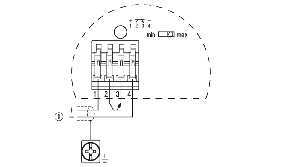
    Тип подключенияM20 x 1,5
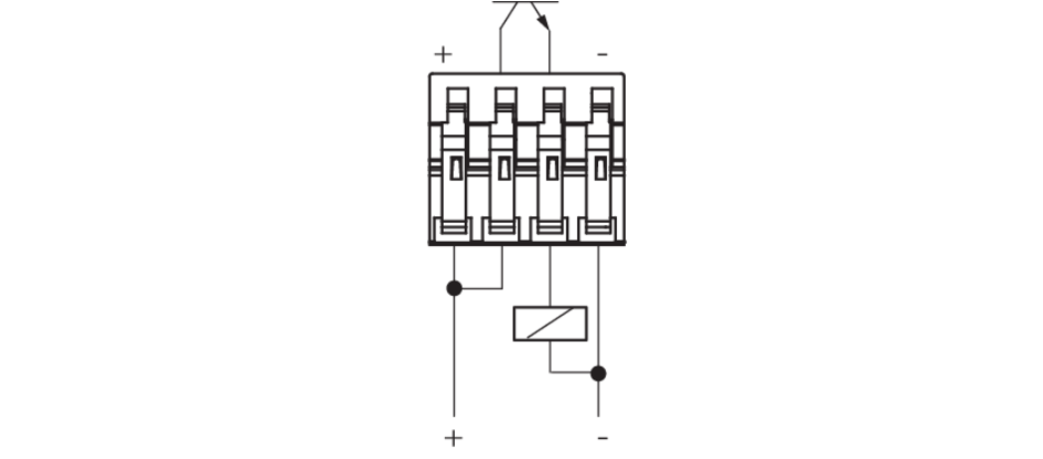
    Выходной сигнал1 x PNP/NPN
    Напряжение питанияТранзисторный выход с нулевым потенциалом PNP/NPN: 10 V DC ... 55 V DC
    Гистерезис10 mm
    Сигнальное напряжение HIGHUv –3 V
    Сигнальное напряжение LOW< 1 Вт
    Выходной ток< 300 mA
    Индуктивная нагрузка1 H
    Емкостная нагрузка100 nF
    Тип защитыIP66 / IP67
  • Механика
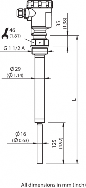
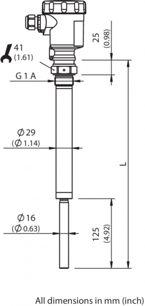
    Технические подключенияG 1 A
    Материал корпусаПластик
    Материал датчиковНержавеющая сталь 316L, 318S
  • Данные окружающей среды
    Диапазон температур при работе–40 °C ... +70 °C
    Диапазон температур при хранении–40 °C ... +80 °C
  • Классификации
    ECl@ss 5.027273202
    ECl@ss 5.1.427273202
    ECl@ss 6.027273202
    ECl@ss 6.227273202
    ECl@ss 7.027273202
    ECl@ss 8.027273202
    ECl@ss 8.127273202
    ECl@ss 9.027273202
    ETIM 5.0EC002654
    ETIM 6.0EC002654
    UNSPSC 16.090141111938
Показать всё Скрыть всё

Технические чертежи

Габаритный чертеж LBV331 фланец Габаритный чертеж LBV331, исполнение резьбы G 1 ½ A Габаритный чертеж LBV331, исполнение резьбы G 1 A Схема соединений Режим PNP Схема соединений Режим NPN Схема соединений Схема подключения транзистора Инструкции по монтажу Горизонтальная установка Характеристика Окружающая температура – рабочая температура Вид: Галерея Список Показать всё Скрыть всё
Показать всё Скрыть всё