Показать всё Скрыть всё
- Характеристики
| Среда | Сыпучие материалы |
| Способ измерения | Предельное значение |
| Длина зонда | 700 mm |
| Рабочее давление | –1 bar ... 16 bar |
| Рабочая температура | –50 °C ... +150 °C |
| Плотность загружаемого материала | ≥ 0,02 g/cm³ |
| Допуск ATEX | ATEX II 1D, 1/2D, 2D Ex ta ta/tb tb IIIC Tx Da, Da/Db, Db |
| Испытание опытного образца | BVS 17 ATEX E 098 |
- Производительность
| Точность измерительного элемента | ± 10 mm |
| Воспроизводимость | ≤ 5 mm |
| Оценка | 500 мс при покрытии / 1000 мс при освобождении |
- Электрика
| Потребление тока | 5 mA ... 30 mA |
| Время инициализации | < 2 s |
| Класс защиты 1 по VDE | ✔ |
| Тип подключения | M20 x 1,5 |
| Выходной сигнал | Двойное реле (DPDT) |
| Напряжение питания | Двойное реле (DPDT): 20 V DC ... 72 V DC / 20 V AC ... 253 V AC |
| Гистерезис | 10 mm |
| Выходной ток | > 10 µA, < 3A AC, 1A DC |
| Тип защиты | IP66 / IP67 |
- Механика
| Технические подключения | G 1½ A PN 16 |
| Материал корпуса | Алюминий |
| Материал датчиков | Нержавеющая сталь 316L, 318S |
- Данные окружающей среды
| Диапазон температур при работе | –40 °C ... +70 °C |
| Диапазон температур при хранении | –40 °C ... +80 °C |
- Классификации
| ECl@ss 5.0 | 27273202 |
| ECl@ss 5.1.4 | 27273202 |
| ECl@ss 6.0 | 27273202 |
| ECl@ss 6.2 | 27273202 |
| ECl@ss 7.0 | 27273202 |
| ECl@ss 8.0 | 27273202 |
| ECl@ss 8.1 | 27273202 |
| ECl@ss 9.0 | 27273202 |
| ETIM 5.0 | EC002654 |
| ETIM 6.0 | EC002654 |
| UNSPSC 16.0901 | 41111938 |
Показать всё Скрыть всё Технические чертежи
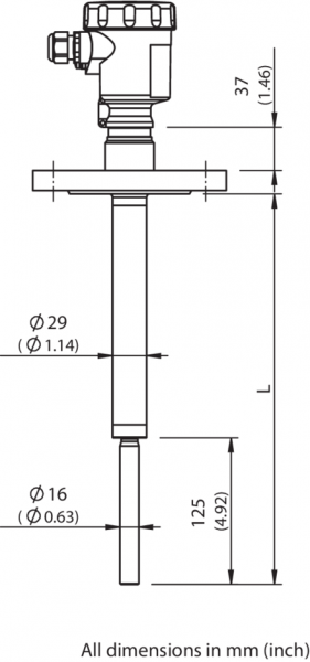
Габаритный чертеж LBV331 фланец
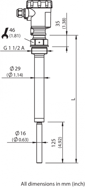
Габаритный чертеж LBV331, исполнение резьбы G 1 ½ A
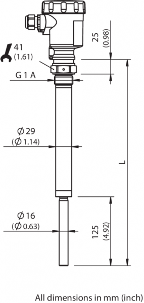
Габаритный чертеж LBV331, исполнение резьбы G 1 A
Схема соединений Схема подключения двойного реле
Инструкции по монтажу Горизонтальная установка
Характеристика Окружающая температура – рабочая температура
Вид: Галерея Список Показать всё Скрыть всё Показать всё Скрыть всё