0
ETI    SIEMENS    ABB    WIKA    IFM    ELKO EP    HYUNDAI    VEGA    KSR KUEBLER    Johnson Controls    Siemens IA/DT (CA01)    Bosch Rexroth    Alfa Laval    SICK    Others  

LBV311-CXAZFNVMX

Код: 6053263
Связатся с нами: 067 285 7770

В корзину

Показать всё Скрыть всё

  • Характеристики
    СредаСыпучие материалы
    Способ измеренияПредельное значение
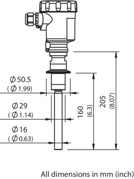
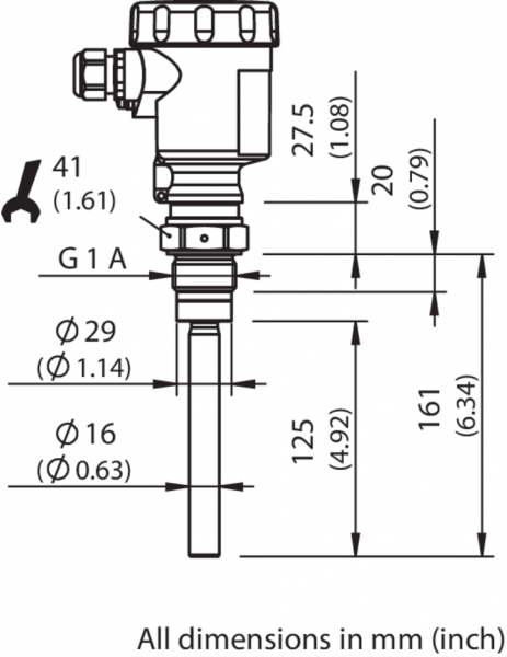
    Длина зонда160 mm
    Рабочее давление–1 bar ... 16 bar
    Рабочая температура–50 °C ... +150 °C
    Плотность загружаемого материала≥ 0,02 g/cm³
    Допуск ATEXATEX II 1G, 1/2G, 2G Ex ia IIC T6 Ga, Ga/Gb, Gb
    Испытание опытного образцаPTB 17 ATEX 2016 X
  • Производительность
    Точность измерительного элемента± 10 mm
    Воспроизводимость≤ 5 mm
    Оценка500 мс при покрытии / 1000 мс при освобождении
  • Электрика
    Потребление тока1 mA / 2,5 mA
    Время инициализации< 2 s
    Класс защиты 2 по VDE
    Тип подключенияM20 x 1,5
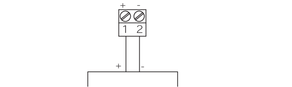
    Выходной сигналСигнал Namur
    Напряжение питанияСигнал Namur: 4,5 V DC ... 12 V DC
    Гистерезис10 mm
    Выходной ток1 mA / 2,5 mA
    Тип защитыIP66 / IP67
  • Механика
    Технические подключенияФланец DN 100 PN 6 форма C, DIN2501/ 316L
    Материал корпусаНержавеющая сталь (точное литье) 316L
    Материал датчиковНержавеющая сталь 316L, 318S
  • Данные окружающей среды
    Диапазон температур при работе–40 °C ... +70 °C
    Диапазон температур при хранении–40 °C ... +80 °C
  • Классификации
    ECl@ss 5.027273202
    ECl@ss 5.1.427273202
    ECl@ss 6.027273202
    ECl@ss 6.227273202
    ECl@ss 7.027273202
    ECl@ss 8.027273202
    ECl@ss 8.127273202
    ECl@ss 9.027273202
    ETIM 5.0EC002654
    ETIM 6.0EC002654
    UNSPSC 16.090141111938
Показать всё Скрыть всё

Технические чертежи

Габаритный чертеж LBV311, исполнение резьбы G 1 ½ A Габаритный чертеж LBV311, исполнение резьбы G 1 A Габаритный чертеж LBV311 температурный компенсатор –50 °C ... +250 °C Габаритный чертеж LBV311, исполнение резьбы Tri-Clamp Схема соединений Схема соединений Namur Инструкции по монтажу Горизонтальная установка Характеристика Окружающая температура – рабочая температура Вид: Галерея Список Показать всё Скрыть всё
Показать всё Скрыть всё