0
ETI    SIEMENS    ABB    WIKA    IFM    ELKO EP    HYUNDAI    VEGA    KSR KUEBLER    Johnson Controls    Siemens IA/DT (CA01)    Bosch Rexroth    Alfa Laval    SICK    Others  

KTM-WP117A1P

Код: 1061770
Связатся с нами: 067 285 7770

В корзину

Показать всё Скрыть всё

  • Характеристики
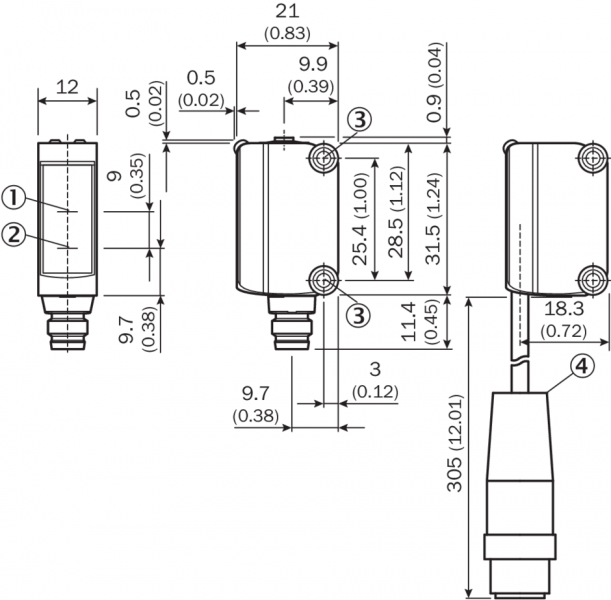
    Размеры (Ш x В x Г)12 mm x 31,5 mm x 21 mm
    Дистанция обнаружения12,5 mm
    Допуск области сканирования± 3 mm
    Форма корпуса (выход света)Прямоугольный
    Источник светаСветодиод, RGB 1)
    Длина волны470 nm, 525 nm, 625 nm
    Размер светового пятна1,5 mm x 6,5 mm
    Положение светового пятнаПродольно 2)
    Максимальной скорости движения полотна1 m/s 3)
    НастройкаКнопка настройки
    Метод настройки2-точечная настройка статическая/динамическая + близость метки
    Функция выходного сигналаСВЕТЛО/ТЕМНО
    • 1) Средний срок службы: 100 000 ч при TU = +25 °C.
    • 2) Относительно длинной стороны устройства.
    • 3) При размере меток 4 мм.
  • Механика/электроника
    Напряжение питания12 V DC ... 24 V DC 1)
    Остаточная пульсация≤ 5 Vss 2)
    Потребление тока< 50 mA 3)
    Частота переключения15 kHz 4)
    Оценка32 µs 5)
    Неустойчивость15 µs
    Переключающий выходPNP
    Дискретный выход (напряжение)PNP: HIGH = UВ– ≤ 2 В/LOW прибл. 0 В
    Тип переключенияСВЕТЛО/ТЕМНО
    Выходной ток Iмакс.50 mA 6)
    Вход, статическое обучение (ET)

    PNP: Teach: U = 10,8 V ... < UV

    Работа: U < 2 В или открыто

    Время накопления (ET)28 мс, энергонезависимое сохранение
    Тип подключенияРазъем M8, 4-конт.
    Класс защитыIII
    Схемы защиты

    Uв-подключения с защитой от переполюсовки

    Выход Q с защитой от короткого замыкания

    Подавление импульсных помех

    Тип защитыIP67
    Вес20 g
    Материал корпусаABS
    • 1) Предельные значения: пост. ток 12 (– 10 %)...24 В (+ 20 %). Эксплуатация в защищенных от короткого замыкания сетях с силой тока не более 8 A.
    • 2) Не допускается превышение или занижение допуска Uv.
    • 3) Без нагрузки.
    • 4) При соотношении светло/темно 1:1.
    • 5) Продолжительность сигнала при омической нагрузке.
    • 6) При напряжении питания > 24 В, Imax = 30 мA. Imax — суммарный ток всех Qn.
  • Данные окружающей среды
    Диапазон температур при работе–10 °C ... +55 °C
    Диапазон температур при хранении–20 °C ... +75 °C
    Устойчивость к сотрясениямСогласно IEC 60068
    № файла ULNRKH.E348498 & NRKH7.E348498
  • Классификации
    ECl@ss 5.027270906
    ECl@ss 5.1.427270906
    ECl@ss 6.027270906
    ECl@ss 6.227270906
    ECl@ss 7.027270906
    ECl@ss 8.027270906
    ECl@ss 8.127270906
    ECl@ss 9.027270906
    ETIM 5.0EC001820
    ETIM 6.0EC001820
    UNSPSC 16.090139121528
  • Интерфейс связи
    Интерфейс связиIO-Link V1.1
    Коммуникационный интерфейс, детальное описаниеCOM2 (38,4 kBaud)
    Время цикла2,3 ms
    Длина технологических данных16 Bit
    Структура технологических данных А

    Бит 0 = дискретный сигнал QL1

    Бит 1 ... 3 = излучаемый цвет

    Бит 3 ... 12 = измеряемое значение RGB

    Бит 13 … 15 = пустой

    Структура технологических данных В

    Бит 0 = дискретный сигнал QL1

    Бит 1 ... 10 = измеряемое значение излучаемого цвета

    Бит 2 = сигнал тревоги качества процесса

    Структура технологических данных С

    Бит 0 = дискретный сигнал QL1

    Бит 1 = сигнал тревоги качества процесса

    Бит 2 = требуется Teach

    Бит 3 = проводится Teach

    Бит 4 ... 15 = пустой

Показать всё Скрыть всё

Технические чертежи

Габаритный чертеж KTM Prime Варианты настройки KTM Prime Схема соединений cd-321 настройка порога срабатывания (статическая) настройка порога срабатывания (динамическая) Дистанция обнаружения Вид: Галерея Список Показать всё Скрыть всё
Показать всё Скрыть всё