0
ETI    SIEMENS    ABB    WIKA    IFM    ELKO EP    HYUNDAI    VEGA    KSR KUEBLER    Johnson Controls    Siemens IA/DT (CA01)    Bosch Rexroth    Alfa Laval    SICK    Others  

KTH5W-2P1216D

Код: 1028249
Связатся с нами: 067 285 7770

В корзину

Показать всё Скрыть всё

  • Характеристики
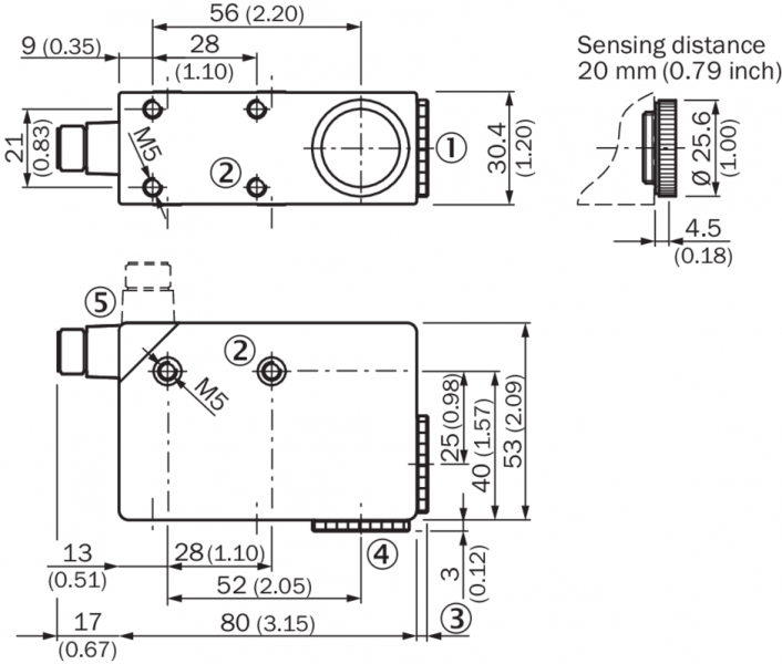
    Размеры (Ш x В x Г)30,4 mm x 53 mm x 80 mm
    Дистанция обнаружения20 mm 1)
    Допуск области сканирования± 3 mm
    Форма корпуса (выход света)Прямоугольный
    Источник светаСветодиод, RGB 2)
    Длина волны470 nm, 525 nm, 640 nm
    Источник светаДлинная и короткая стороны устройства, взаимозаменяемы
    Размер светового пятна1,5 mm x 5,5 mm
    Положение светового пятнаПродольно 3)
    НастройкаКнопка настройки
    Метод настройки2-точечная настройка статическая
    • 1) От передней кромки объектива.
    • 2) Средний срок службы: 100 000 ч при TU = +25 °C.
    • 3) Относительно длинной стороны устройства.
  • Механика/электроника
    Напряжение питания10 V DC ... 30 V DC 1)
    Остаточная пульсация≤ 5 Vss 2)
    Потребление тока< 130 mA 3)
    Частота переключения10 kHz 4)
    Оценка50 µs 5)
    Переключающий выходPNP
    Дискретный выход (напряжение)PNP: HIGH = UВ– ≤ 2 В/LOW прибл. 0 В
    Выходной ток Iмакс.100 mA
    Вход, настройка (ET)

    PNP

    Teach: U = 10 V ... < UV

    Run: U < 2 V

    Время накопления (ET)25 мс, энергонезависимое сохранение
    Тип подключенияРазъем M12, 5-конт.
    Класс защитыII 6)
    Схемы защиты

    Uв-подключения с защитой от переполюсовки

    Выход Q с защитой от короткого замыкания

    Подавление импульсных помех

    Тип защитыIP67
    Вес400 g
    Материал корпусаЦинк, литье под давлением
    • 1) Предельные значения при работе в защищенной от короткого замыкания сети макс. 8 А.
    • 2) Не допускается превышение или занижение допуска Uv.
    • 3) Без нагрузки.
    • 4) При соотношении светло/темно 1:1.
    • 5) Продолжительность сигнала при омической нагрузке.
    • 6) Расчетное напряжение постоянного тока 50 В.
  • Данные окружающей среды
    Диапазон температур при работе–10 °C ... +55 °C
    Диапазон температур при хранении–25 °C ... +75 °C
    Устойчивость к сотрясениямСогласно IEC 60068
    № файла ULNRKH.E181493 & NRKH7.E181493
  • Классификации
    ECl@ss 5.027270906
    ECl@ss 5.1.427270906
    ECl@ss 6.027270906
    ECl@ss 6.227270906
    ECl@ss 7.027270906
    ECl@ss 8.027270906
    ECl@ss 8.127270906
    ECl@ss 9.027270906
    ETIM 5.0EC001820
    ETIM 6.0EC001820
    UNSPSC 16.090139121528
Показать всё Скрыть всё

Технические чертежи

Габаритный чертеж Варианты настройки KT5-2 Display Тип подключения Схема соединений Cd-323 Вид: Галерея Список Показать всё Скрыть всё
Показать всё Скрыть всё