0
ETI    SIEMENS    ABB    WIKA    IFM    ELKO EP    HYUNDAI    VEGA    KSR KUEBLER    Johnson Controls    Siemens IA/DT (CA01)    Bosch Rexroth    Alfa Laval    SICK    Others  

KT10W-2N1115

Код: 1028233
Связатся с нами: 067 285 7770

В корзину

Показать всё Скрыть всё

  • Характеристики
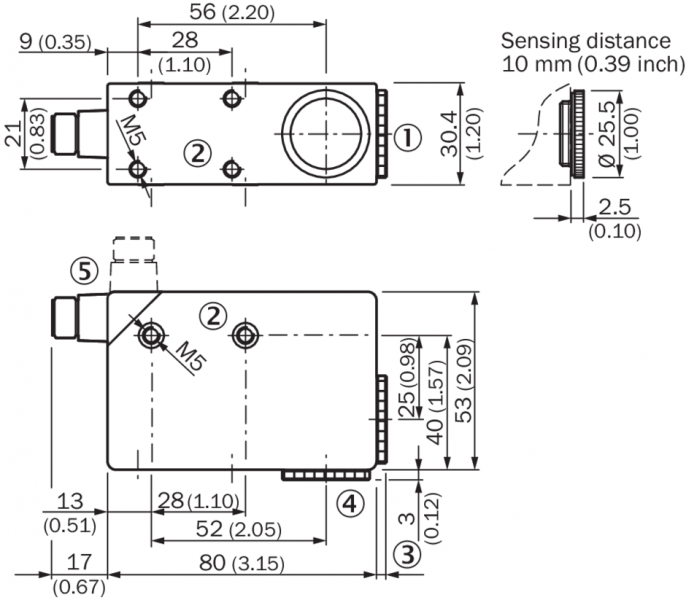
    Размеры (Ш x В x Г)30,4 mm x 53 mm x 80 mm
    Дистанция обнаружения10 mm 1)
    Допуск области сканирования± 3 mm
    Форма корпуса (выход света)Прямоугольный
    Источник светаСветодиод, RGB 2)
    Длина волны640 nm, 525 nm, 470 nm
    Источник светаДлинная и короткая стороны устройства, взаимозаменяемы
    Размер светового пятна0,8 mm x 4 mm
    Положение светового пятнаПродольно 3)
    НастройкаКнопка настройки
    Метод настройки

    2-точечная настройка статическая

    Настройка динамическая (мин./макс.)

    ФункцияАвтоматическая коррекция дрейфа
    • 1) От передней кромки объектива.
    • 2) Средний срок службы: 100 000 ч при TU = +25 °C.
    • 3) Относительно длинной стороны устройства.
  • Механика/электроника
    Напряжение питания10 V DC ... 30 V DC 1)
    Остаточная пульсация≤ 5 Vss 2)
    Потребление тока< 120 mA 3)
    Частота переключения25 kHz 4)
    Оценка20 µs 5)
    Неустойчивость< 10 µs
    Переключающий выходNPN
    Дискретный выход (напряжение)NPN: HIGH = прибл. UВ/LOW ≤ 2 В
    Выходной ток Iмакс.100 mA
    Вход, настройка (ET)

    NPN

    Teach: U < 2 V

    Run: U = 10 V ... < UV

    Вход, вход гашения (AT)

    NPN

    Погашено: U < 2 В

    Со свободным ходом: U > 10 В… < Uv 6)

    Время накопления (ET)25 мс, энергонезависимое сохранение
    Временная задержка20 мс, регулируется
    Тип подключенияРазъем M12, 5-конт.
    Класс защитыII 7)
    Схемы защиты

    Uв-подключения с защитой от переполюсовки

    Выход Q с защитой от короткого замыкания

    Подавление импульсных помех

    Выходы с защитой от короткого замыкания

    Тип защитыIP67
    Вес400 g
    Материал корпусаЦинк, литье под давлением
    • 1) Предельные значения при работе в защищенной от короткого замыкания сети макс. 8 А.
    • 2) Не допускается превышение или занижение допуска Uv.
    • 3) Без нагрузки.
    • 4) При соотношении светло/темно 1:1.
    • 5) Продолжительность сигнала при омической нагрузке.
    • 6) AT > 200 µs.
    • 7) Расчетное напряжение постоянного тока 50 В.
  • Данные окружающей среды
    Диапазон температур при работе–10 °C ... +55 °C
    Диапазон температур при хранении–10 °C ... +75 °C
    Устойчивость к сотрясениямСогласно IEC 60068
    № файла ULNRKH.E181493 & NRKH7.E181493
  • Классификации
    ECl@ss 5.027270906
    ECl@ss 5.1.427270906
    ECl@ss 6.027270906
    ECl@ss 6.227270906
    ECl@ss 7.027270906
    ECl@ss 8.027270906
    ECl@ss 8.127270906
    ECl@ss 9.027270906
    ETIM 5.0EC001820
    ETIM 6.0EC001820
    UNSPSC 16.090139121528
Показать всё Скрыть всё

Технические чертежи

Габаритный чертеж Варианты настройки Схема соединений Cd-313 Концепция управления Статическое обучение Концепция управления Динамическое обучение Дистанция обнаружения Вид: Галерея Список Показать всё Скрыть всё
Показать всё Скрыть всё