0
ETI    SIEMENS    ABB    WIKA    IFM    ELKO EP    HYUNDAI    VEGA    KSR KUEBLER    Johnson Controls    Siemens IA/DT (CA01)    Bosch Rexroth    Alfa Laval    SICK    Others  

IVC-3D31112

Код: 1046810
Связатся с нами: 067 285 7770

В корзину

Показать всё Скрыть всё

  • Характеристики
    Постановка задачиКонтроль, Инспекция, Измерение, Считывание
    Технология3D, LineScan, Анализ изображения
    Рабочее расстояние208 mm ... 239 mm 1)
    Примерная зона обзора30 mm x 50 mm
    Источник светаВидимый красный свет (Лазер, 658 nm, ± 15 нм)
    Класс лазера2 (IEC 60825-1:2014, EN 60825-1:2014)
    Ширина при минимальном рабочем расстоянии53 mm
    Ширина при максимальном рабочем расстоянии59 mm
    Максимальный диапазон высоты31 mm
    Угол датчика изображения53°
    Офлайн-поддержкаЭмулятор
    • 1) Указанные значения действительны для установок с одиночными устройствами. Более подробная информация содержится в руководстве по эксплуатации.
  • Производительность
    Датчик изображенияCMOS
    Процессор800 MHz
    Частота развертки/регенерации изображения5.000 3D-профилей/с
    Память128 MB RAM, Флеш-накопитель на 16 МБ
    Типичное разрешение по высоте0,015 mm
    Разрешение 3D-профиля2048 точек
  • Интерфейсы
    Ethernet✔ , TCP/IP, UDP/IP
    ПримечаниеВключая OPC-сервер
    Скорость передачи данных10/100 Мбит/с
    EtherNet/IP™
    Скорость передачи данных10/100 Мбит/с
    Последовательный✔ , RS-422, RS-485
    Пользовательские интерфейсыОриентированные на область применения интерфейсы пользователей могут быть оформлены в виде автономных веб-страниц. Встроенный OPC-сервер позволяет осуществлять обмен данными, например, с системами SCADA.
    Конфигурационное ПОIVC Studio
    Сохранение и вызов данныхИзображения и данные могут временно храниться на внутреннем флеш-накопителе или сохраняться через FTP на внешнем носителе или удаленном сервере.
    Цифровые входы3 программируемых входа (1 триггерный вход), HIGH = 10 ... 28,8 В
    Цифровые выходы3 программируемых дискретных выхода типа B, макс. выходной ток < 100 мА, Триггерный выход
    Интерфейс энкодераRS-422
    Максимальная частота энкодера2 MHz
  • Механика/электроника
    Соединения

    M12, 4-контактный разъем, D-кодир. (Ethernet)

    M12, 8-контактный гнездовой разъем (RS-485)

    M12, 8-контактный штекер, А-кодир. (питание, I/O)

    M12, 5-контактный штекер (энкодер)

    Материал соединенийНикелированная латунь
    Напряжение питания24 V DC, ± 20 %
    Остаточная пульсация< 5 Vss
    Потребление тока< 1 A, без выходной нагрузки
    Тип защитыIP65
    Класс защитыIII
    Материал корпусаАнодированный алюминий
    Материал переднего окнаPMMA
    Вес3,2 kg
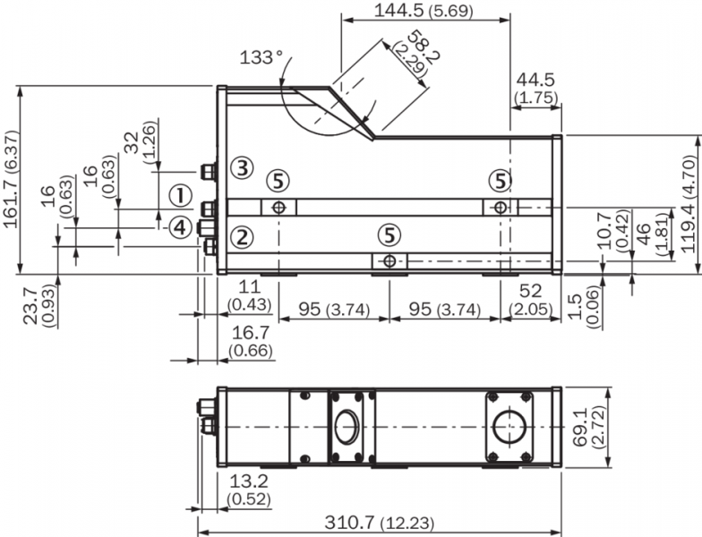
    Размеры (Д x Ш x В)294 mm x 69 mm x 163 mm
    ОбъективыПостоянный
  • Данные окружающей среды
    Устойчивость к сотрясениям15 г, 3 x 6 направлений
    Устойчивость к вибрации5 g, 58 Hz ... 150 Hz
    Диапазон температур при работе0 °C ... +40 °C
    Диапазон температур при хранении–20 °C ... +70 °C
  • Классификации
    ECl@ss 5.027310205
    ECl@ss 5.1.427310205
    ECl@ss 6.027310205
    ECl@ss 6.227310205
    ECl@ss 7.027310205
    ECl@ss 8.027310205
    ECl@ss 8.127310205
    ECl@ss 9.027310205
    ETIM 5.0EC001820
    ETIM 6.0EC001820
    UNSPSC 16.090143211731
Показать всё Скрыть всё

Технические чертежи

Габаритный чертеж Тип подключения схема соединений Ethernet схема соединений RS-485 схема соединений энкодера Ассистент выбора SICK AppSpace Вид: Галерея Список Показать всё Скрыть всё
Показать всё Скрыть всё