0
ETI    SIEMENS    ABB    WIKA    IFM    ELKO EP    HYUNDAI    VEGA    KSR KUEBLER    Johnson Controls    Siemens IA/DT (CA01)    Bosch Rexroth    Alfa Laval    SICK    Others  

ISD300-1111

Код: 6024761
Связатся с нами: 067 285 7770

В корзину

Показать всё Скрыть всё

  • Производительность
    Дальность передачи0,2 m ... 120 m
    Источник светаСветодиодный, инфракрасный (880 нм)
    Тип. размер светового пятна (расстояние)1,75 m (на расст. 100 м)
    Угол раскрытияCa. ± 0,5°
  • Интерфейсы
    PROFIBUS DP
    Скорость передачи данных1,5 Mbit/s
    Последовательный✔ , RS-485
    ПримечаниеПо запросу
    Скорость передачи данных1,5 Mbit/s
    Переключающий выход

    0 В ... 2 В: бесперебойная работа

    UV –2 В: ограниченный функциональный резерв

    Дискретный вход0 В ... 2 В: передатчик деактивирован
    Задержка сигнала≤ 1,5 µs, + 1 Tbit
  • Механика/электроника
    Напряжение питания UVПост. ток 18 V ... 30 V
    Материал корпусаМеталл
    Тип подключенияЗажимы
    ВесОк. 1,2 kg
    Потребление тока≤ 0,2 A
    ЧастотаF1 1)
    Тип защитыIP65
    Класс защитыI
    • 1) Для создания канала передачи данных требуется пара устройств с окончаниями номеров -...1 и -...2.
  • Данные окружающей среды
    Электромагнитная совместимость (ЭМС)EN 61000-6-2, EN 61000-6-4 1)
    Рабочий диапазон температур–5 °C ... +50 °C
    Диапазон температур при хранении–30 °C ... +70 °C
    Макс. отн. влажность воздуха (без образования конденсата)90 %, без образования конденсата
    • 1) Это устройство класса А. Данное устройство может создавать радиопомехи при использовании в жилой зоне.
  • Общие указания
    ПримечаниеДля создания канала передачи данных требуется 2 устройства: ISD300-xxx1 (частота 1) и ISD300-xxx2 (частота 2). Устройства заказываются отдельно.
  • Классификации
    ECl@ss 5.019039001
    ECl@ss 5.1.419039001
    ECl@ss 6.019179090
    ECl@ss 6.219179090
    ECl@ss 7.019179090
    ECl@ss 8.019179090
    ECl@ss 8.119179090
    ECl@ss 9.019179090
    ETIM 5.0EC000515
    ETIM 6.0EC000515
    UNSPSC 16.090143201404
Показать всё Скрыть всё

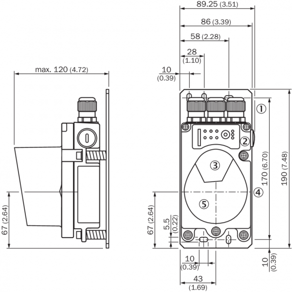
Технические чертежи

Габаритный чертеж ISD300 RS-485/PROFIBUS, ISD300 RS-422/Interbus, ISD300 DH+/RIO, ISD300 DeviceNet/CANopen Тип подключения ISD300 RS-485/PROFIBUS Схема соединений Варианты настройки ISD300 RS-485/PROFIBUS, ISD300 RS-422/Interbus, ISD300 DH+/RIO, ISD300 DeviceNet/CANopen Вид: Галерея Список Показать всё Скрыть всё
Показать всё Скрыть всё