0
ETI    SIEMENS    ABB    WIKA    IFM    ELKO EP    HYUNDAI    VEGA    KSR KUEBLER    Johnson Controls    Siemens IA/DT (CA01)    Bosch Rexroth    Alfa Laval    SICK    Others  

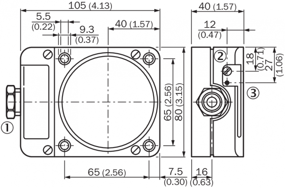
IQ80-60NPP-KK0

Код: 7900227
Связатся с нами: 067 285 7770

В корзину

Показать всё Скрыть всё

  • Характеристики
    Тип корпусаПрямоугольный
    Конструкция корпусаСтандарт
    Размеры (Ш x В x Г)80 mm x 105 mm x 40 mm
    Расстояние срабатывания Sn60 mm
    Расстояние срабатывания обеспечено Sa48,6 mm
    МонтажС выступающей частью
    Частота переключения100 Hz
    Тип подключенияКабельный ввод с резьбой M20
    Переключающий выходPNP
    Функция выходаНормально закрытый или нормально открытый
    Свойства переключения по выборуЖестко запрограммированный
    Электрическое исполнениеПост. ток, 3-проводный
    Тип защитыIP65 1)
    • 1) Согласно EN 60529.
  • Механика/электроника
    Напряжение питания10 V DC ... 36 V DC
    Падение напряжения≤ 2,5 V 1)
    Потребление тока≤ 15 mA 2)
    Гистерезис1 % ... 15 %
    Отклонение температуры (от Sr)± 10 %
    ЭМССогласно EN 60947-5-2
    Постоянный ток Ia≤ 250 mA
    Остаточный ток≤ 0,5 mA
    Резьбовое соединение кабелей в клеммной коробкеM20 1,5
    Поперечное сечение жил≤ 2,5 mm²
    Защита от короткого замыкания
    Защита от инверсии полярности
    Подавление импульса включения
    Ударопрочность и виброустойчивость30 г, 11 мс/10…55 Гц, 1 мм
    Диапазон температур при работе–25 °C ... +80 °C
    Материал корпусаПластик, PPE
    Материал, активная поверхностьПластик, PPE
    • 1) При Ia max и Ub 24 В.
    • 2) Без нагрузки.
  • Коэффициенты редукции
    ПримечаниеЗначения являются ориентировочными и могут изменяться
    Нержавеющая сталь (V2A)Ок. 0,7
    Алюминий (Al)Ок. 0,3
    Медь (Cu)Ок. 0,2
    Латунь (Ms)Ок. 0,4
  • Указания по установке
    ПримечаниеСоответствующие графические материалы см. в разд. «Указания по установке»
    A160 mm
    B160 mm
    C80 mm
    D150 mm
    E40 mm
    F480 mm
  • Классификации
    ECl@ss 5.027270101
    ECl@ss 5.1.427270101
    ECl@ss 6.027270101
    ECl@ss 6.227270101
    ECl@ss 7.027270101
    ECl@ss 8.027270101
    ECl@ss 8.127270101
    ECl@ss 9.027270101
    ETIM 5.0EC002714
    ETIM 6.0EC002714
    UNSPSC 16.090139122230
Показать всё Скрыть всё

Технические чертежи

Указания по установке Схема соединений cd-024 Габаритный чертеж IQ80, DC 3-проводной Вид: Галерея Список Показать всё Скрыть всё
Показать всё Скрыть всё