(044) 466 87 70, (067) 386 78 58, (094) 954 25 46
info@avigan.com.ua
English
About us
Вход
Регистрация
Корзина
ב"ה
0
Menu
Главная
О КОМПАНИИ
Обзоры Применений
КАТАЛОГ
ETI
SIEMENS
ABB
WIKA
IFM
ELKO EP
HYUNDAI
VEGA
KSR KUEBLER
Johnson Controls
Siemens IA/DT (CA01)
Bosch Rexroth
Alfa Laval
SICK
Others
КОНТАКТЫ
НОВОСТИ
ОТЗЫВЫ
Семейство IQV
Главная
»
SICK
»
Датчики приближения
»
Индуктивные датчики приближения
»
Семейство IQV
ETI
SIEMENS
ABB
WIKA
IFM
ELKO EP
HYUNDAI
VEGA
KSR KUEBLER
Johnson Controls
Siemens IA/DT (CA01)
Bosch Rexroth
Alfa Laval
SICK
Others
IQ25-05BPSDU2S
Код: 6042046
Связатся с нами: 067 285 7770
Поделиться
Facebook
Twitter
Google Plus
В корзину
Описание
Показать всё
Скрыть всё
Характеристики
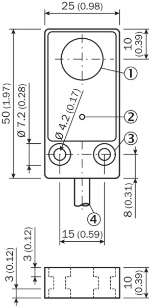
Тип корпуса
Прямоугольный
Размеры (Ш x В x Г)
25 mm x 50 mm x 10 mm
Расстояние срабатывания Sn
5 mm
Расстояние срабатывания обеспечено Sa
4,05 mm
Монтаж
Вровень
Частота переключения
500 Hz
Тип подключения
Кабель, 3-жильный, 2 m
Переключающий выход
PNP
Функция выхода
Нормально открытый
Электрическое исполнение
Пост. ток, 3-проводный
Тип защиты
IP67 1)
1) Согласно EN 60529.
Механика/электроника
Напряжение питания
10 V DC ... 30 V DC
Остаточная пульсация
≤ 15 % 1)
Падение напряжения
≤ 2,5 V 2)
Потребление тока
25 mA 3)
Задержка готовности
≤ 50 ms
Гистерезис
1 % ... 15 %
Воспроизводимость
± 5 % 4) 5)
Отклонение температуры (от Sr)
± 10 %
ЭМС
Согласно EN 60947-5-2
Постоянный ток Ia
≤ 200 mA
Материал кабеля
Полиуретан
Поперечное сечение кабеля
0,34 mm²
Диаметр провода
Ø 4,6 mm
Защита от короткого замыкания
✔
Защита от инверсии полярности
✔
Ударопрочность и виброустойчивость
30 г, 11 мс/10…55 Гц, 1 мм
Диапазон температур при работе
–25 °C ... +70 °C
Материал корпуса
Металл, GD Al Si 12
Материал, активная поверхность
Пластик, PBT
1) От UV.
2) При Ia max.
3) Без нагрузки.
4) Ub и Ta постоянны.
5) От Sr.
Коэффициенты редукции
Примечание
Значения являются ориентировочными и могут изменяться
Нержавеющая сталь (V2A)
Ок. 0,7
Алюминий (Al)
Ок. 0,4
Медь (Cu)
Ок. 0,3
Латунь (Ms)
Ок. 0,4
Указания по установке
Примечание
Соответствующие графические материалы см. в разд. «Указания по установке»
A
0 mm
B
25 mm
C
25 mm
D
15 mm
E
0 mm
F
75 mm
Классификации
ECl@ss 5.0
27270101
ECl@ss 5.1.4
27270101
ECl@ss 6.0
27270101
ECl@ss 6.2
27270101
ECl@ss 7.0
27270101
ECl@ss 8.0
27270101
ECl@ss 8.1
27270101
ECl@ss 9.0
27270101
ETIM 5.0
EC002714
ETIM 6.0
EC002714
UNSPSC 16.0901
39122230
Показать всё
Скрыть всё
Технические чертежи
Указания по установке
Схема соединений cd-001
Габаритный чертеж IQ25
Вид:
Галерея
Список
Показать всё
Скрыть всё
Показать всё
Скрыть всё