0
ETI    SIEMENS    ABB    WIKA    IFM    ELKO EP    HYUNDAI    VEGA    KSR KUEBLER    Johnson Controls    Siemens IA/DT (CA01)    Bosch Rexroth    Alfa Laval    SICK    Others  

IQ10-03BNOKW2S

Код: 1055452
Связатся с нами: 067 285 7770

В корзину

Показать всё Скрыть всё

  • Характеристики
    Тип корпусаПрямоугольный
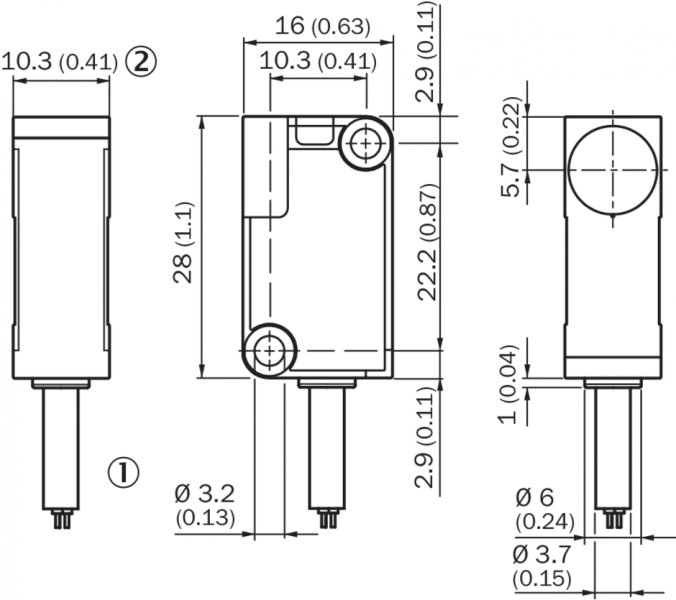
    Размеры (Ш x В x Г)10 mm x 28 mm x 16 mm
    Расстояние срабатывания Sn3 mm
    Расстояние срабатывания обеспечено Sa2,43 mm
    МонтажВровень
    Частота переключения2.000 Hz
    Тип подключенияКабель, 3-жильный, 2 m
    Переключающий выходNPN
    Функция выходаНормально закрытый
    Электрическое исполнениеПост. ток, 3-проводный
    Тип защитыIP68 1)
    • 1) Согласно EN 60529.
  • Механика/электроника
    Напряжение питания10 V DC ... 30 V DC
    Остаточная пульсация≤ 10 % 1)
    Падение напряжения≤ 2 V 2)
    Потребление тока≤ 10 mA 3)
    Задержка готовности≤ 100 ms
    Гистерезис5 % ... 15 %
    Воспроизводимость≤ 2 % 4)
    Отклонение температуры (от Sr)± 10 %
    ЭМССогласно EN 60947-5-2
    Постоянный ток Ia≤ 200 mA
    Материал кабеляPVC
    Поперечное сечение кабеля0,25 mm²
    Диаметр проводаØ 3,7 mm
    Защита от короткого замыкания
    Защита от инверсии полярности
    Подавление импульса включения
    Ударопрочность и виброустойчивость30 г, 11 мс/10…55 Гц, 1 мм
    Диапазон температур при работе–25 °C ... +75 °C
    Материал корпусаПластик, VISTAL®
    Материал, активная поверхностьПластик, VISTAL®
    Макс. момент затяжки≤ 1 Nm
    • 1) От UV.
    • 2) При Ia max.
    • 3) Без нагрузки.
    • 4) Ub и Ta постоянны.
  • Коэффициенты редукции
    ПримечаниеЗначения являются ориентировочными и могут изменяться
    Нержавеющая сталь (V2A)0,7
    Алюминий (Al)0,4
    Медь (Cu)0,3
    Латунь (Ms)0,5
  • Указания по установке
    ПримечаниеСоответствующие графические материалы см. в разд. «Указания по установке»
    A0 mm
    B10 mm
    C10,3 mm
    D9 mm
    E0 mm
    F24 mm
    G0 mm
  • Классификации
    ECl@ss 5.027270101
    ECl@ss 5.1.427270101
    ECl@ss 6.027270101
    ECl@ss 6.227270101
    ECl@ss 7.027270101
    ECl@ss 8.027270101
    ECl@ss 8.127270101
    ECl@ss 9.027270101
    ETIM 5.0EC002714
    ETIM 6.0EC002714
    UNSPSC 16.090139122230
Показать всё Скрыть всё

Технические чертежи

Указания по установке Схема соединений cd-003 Габаритный чертеж IQ10, кабель Вид: Галерея Список Показать всё Скрыть всё
Показать всё Скрыть всё